Sostieni il forum con una donazione! Il tuo contributo ci aiuterà a rimanere online!
Immagine

Marshall Silver Jubilee muto!

Problemi con un ampli? Esponili qui!
Fabio182
Diyer Eroe
Diyer Eroe
Messaggi: 692
Iscritto il: 10/10/2012, 13:05

Marshall Silver Jubilee muto!

Messaggio da Fabio182 » 05/03/2013, 23:21

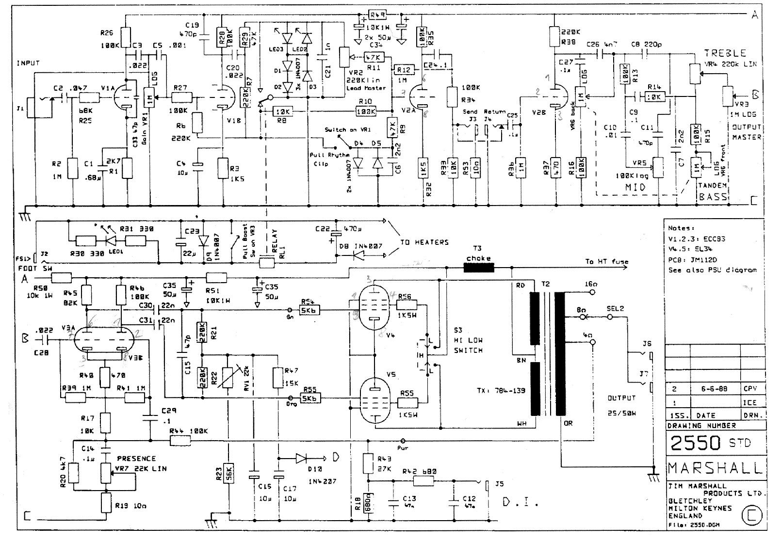
buona sera a tutti! sarò breve,dopo essere stato largamente soddisfatto dalla JCM 800 ho voluto imbattermi in un secondo ampli un po' più complesso...ebbene una volt finito controllo le tensioni (riportate di seguito) infilo la chitarra e....nulla!ho ricontrollato l'integrità di tutte le piste della PCB con la continuità del tester (il beep che emette se i puntali si toccano)...sembra tutto ok ma l'ampli resta muto...allego le foto dell'ampli,schema e layout della PCB...i miei sospetti sono : un condensatore da 220pF che io ho messo ceramico da 1000 volts (invece di uno a film da 630 V), o le uscite speakers involontariamente messe a massa oppore ancora dover invertire i fili della Choke...potrei aver detto un sacco di ca**ate perciò chiedo aiuto a voi,ecco le tensioni che misuro

PRE (12AX7)

V1 415 0 0 3.15 3.15 417 0 0 3.15

V2 418 0 0 3.15 3.15 377 0 0 3.15

V1 425 0 0 3.15 3.15 418 0 0 3.15

FINALE (EL34)

V4 0 3.15 460 462 -39 461 3.15 0

V5 0 3.15 466 461 -29 462 3.15 0

Fabio182
Diyer Eroe
Diyer Eroe
Messaggi: 692
Iscritto il: 10/10/2012, 13:05

Re: Marshall Silver Jubilee muto!

Messaggio da Fabio182 » 05/03/2013, 23:26

nella foto non avevo ancora messo la lamiera davanti per quello i potenziometri sono in disordine ma per collaudarla li ho messi tutti al loro posto
Allegati
20130303_181535.jpg
2550STD.gif
2550 PCB LO.pdf
(89.36 KiB) Scaricato 349 volte

Avatar utente
jimmy_ver2.0
Diyer Eroe
Diyer Eroe
Messaggi: 527
Iscritto il: 16/12/2010, 13:09
Località: Perugia

Re: Marshall Silver Jubilee muto!

Messaggio da jimmy_ver2.0 » 06/03/2013, 2:17

infila la chitarra nel return e vedi se suona, almeno capisci se il problema sta nel pre o nel finale.

Fabio182
Diyer Eroe
Diyer Eroe
Messaggi: 692
Iscritto il: 10/10/2012, 13:05

Re: Marshall Silver Jubilee muto!

Messaggio da Fabio182 » 15/05/2013, 23:47

scusate l'assenza!!ora suona ma sperncacchia un sacco sul pulito e sul crunch...il distorto va alla grande anche se a volte perde volume a random...consigli (oltre a dimettermi come diyer in quanto incapace)?

Avatar utente
jimmy_ver2.0
Diyer Eroe
Diyer Eroe
Messaggi: 527
Iscritto il: 16/12/2010, 13:09
Località: Perugia

Re: Marshall Silver Jubilee muto!

Messaggio da jimmy_ver2.0 » 16/05/2013, 1:23

dovresti dire intanto cosa hai cambiato nel frattempo, perchè prima era muto ed ora invece spernacchia?

Fabio182
Diyer Eroe
Diyer Eroe
Messaggi: 692
Iscritto il: 10/10/2012, 13:05

Re: Marshall Silver Jubilee muto!

Messaggio da Fabio182 » 16/05/2013, 9:35

giusto!ho trovato 1 pista che si interrompeva, 2 piste vicine che si toccavano e ho collegato meglio il jack d'ingresso alla pcb...ora spernacchia...ho cambiato gli zoccoli delle valvole del pre ma non è migliorato,e a strumento scollegato parte un fischio che si interrompe se infilo qualcosa nel send/return

alexradium
Diyer Eroe
Diyer Eroe
Messaggi: 777
Iscritto il: 07/06/2011, 14:18

Re: Marshall Silver Jubilee muto!

Messaggio da alexradium » 16/05/2013, 11:31

se prima avevi 0 volt sui pin 3 era ovvio che non potesse suonare,poi avevi 2 tensioni differenti sul pin 5 delle finali.
Cerca di capire come funziona un triodo e che valori tipici ha di solito,sono tutte info che trovi sia su questo forum che in altri siti.
adesso che tensioni hai?
Purtroppo la visione del circuito non promette bene,francamente ti consiglio di guardare qualche realizzazione di ampli classico Marshall e prendi esempio,per come sono disposti i collegamenti non risponde molto alla regola d'arte per un valvolare.

Fabio182
Diyer Eroe
Diyer Eroe
Messaggi: 692
Iscritto il: 10/10/2012, 13:05

Re: Marshall Silver Jubilee muto!

Messaggio da Fabio182 » 16/05/2013, 11:44

già avrei dovuto fare un point to point come per la JCM...

Avatar utente
jimmy_ver2.0
Diyer Eroe
Diyer Eroe
Messaggi: 527
Iscritto il: 16/12/2010, 13:09
Località: Perugia

Re: Marshall Silver Jubilee muto!

Messaggio da jimmy_ver2.0 » 16/05/2013, 12:27

ripeto la domanda che ti feci mesi fa: se inserisci la chitarra nel return invece che nel jack d'ingresso, come suona?

Fabio182
Diyer Eroe
Diyer Eroe
Messaggi: 692
Iscritto il: 10/10/2012, 13:05

Re: Marshall Silver Jubilee muto!

Messaggio da Fabio182 » 16/05/2013, 22:30

sempre spernacchiando...

Avatar utente
Hades
Roger Mayer Jr.
Roger Mayer Jr.
Messaggi: 2615
Iscritto il: 10/09/2008, 11:56
Località: Carpi (MO)

Re: Marshall Silver Jubilee muto!

Messaggio da Hades » 16/05/2013, 23:01

Ricontrolla tutta la zona della PI.
E controlla meglio le tensioni negative di bias sulle due finali... 10V di differenza su 30V non sono mica pochi, potrebbe esserci qualche problema sul circuito di bias.
Live another day, climb a little higher, find another reason to stay...

Avatar utente
jimmy_ver2.0
Diyer Eroe
Diyer Eroe
Messaggi: 527
Iscritto il: 16/12/2010, 13:09
Località: Perugia

Re: Marshall Silver Jubilee muto!

Messaggio da jimmy_ver2.0 » 16/05/2013, 23:59

Fabio182 ha scritto:sempre spernacchiando...
ok, è già qualcosa. Io mi metterei a cercare il problema dal return in avanti.
Prova a collegare il jack del return a C28 invece che C25 e poi inserisci la chitarra e prova.
In questo modo bypassi V2B, il tonestack e mandi il segnale della chitarra direttamente alla phase inverter.

Fabio182
Diyer Eroe
Diyer Eroe
Messaggi: 692
Iscritto il: 10/10/2012, 13:05

Re: Marshall Silver Jubilee muto!

Messaggio da Fabio182 » 18/05/2013, 11:49

ok appena ho un oretta ci provo!grazie dell'aiuto

Fabio182
Diyer Eroe
Diyer Eroe
Messaggi: 692
Iscritto il: 10/10/2012, 13:05

Re: Marshall Silver Jubilee muto!

Messaggio da Fabio182 » 01/12/2013, 13:52

Buon giorno!!ho da poco rifatto il wiring rendendolo molto piu ordinato e incredibilmente silenzioso...l'unico problema é il pot del gain (il primo sull prima valvola di pre) che non ha alcun effetto...il suono esce ma sembra che quel pot sia sempre al minimo...

Avatar utente
raf71
Diyer Eroe
Diyer Eroe
Messaggi: 988
Iscritto il: 12/08/2010, 17:24
Località: Pozzuoli (NA)

Re: Marshall Silver Jubilee muto!

Messaggio da raf71 » 02/12/2013, 17:57

Ciao Fabio.
Ricontrolla il cablaggio del pot. Se non interviene può darsi che la massa non sia collegata.

Saluti
Raffaele
Napoletani si nasce.....

Rispondi