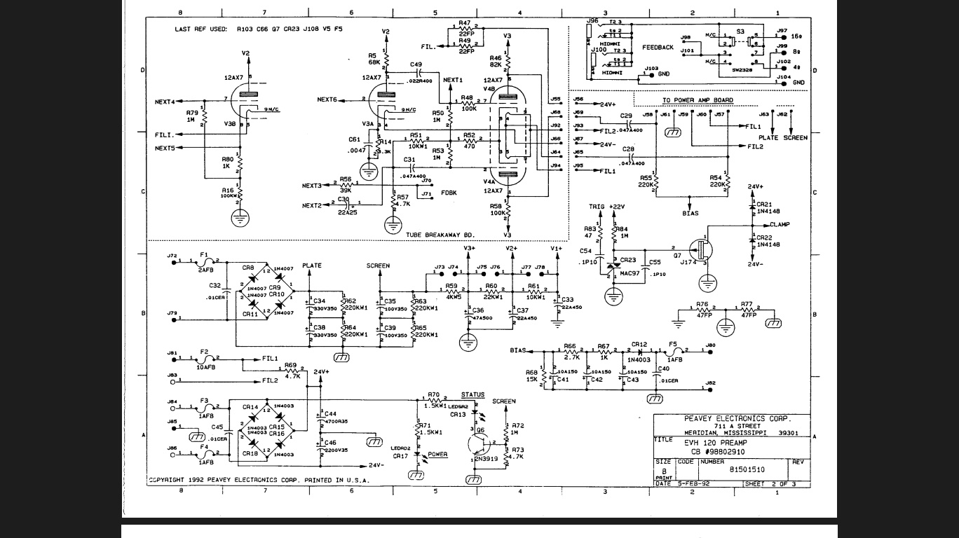
Ho per le mani un Peavey 5150 prima serie che presenta un elettrolitico esploso.

Nonostante le mie raccomandazioni su come ricondizionare col variac un vecchio ampli in disuso da quasi 15 anni,non sono stato ascoltato ed ecco le conseguenze!
Volevo solo sapere se secondo voi,sarebbe meglio sostituire tutti gli elettrolitici HT,per pura precauzione, o basta solo rimpiazzare l'esploso?
La resistenza da 22K vicino al cond incriminato mi sembra crepata;vale la pena fare un controllo generico anche degli altri componenti,magari anche attivi come i transistors che pilotano i relays,che gravitano attorno ad esso?



