Eko Valet aggiungere sezioni toni a 3 controlli
Eko Valet aggiungere sezioni toni a 3 controlli
Tempo fa ho recuperato un eko valet in stato pietoso, l'ho pagato solo 25 euro, il cabinet era da buttare completamete verniciato di nero sopra il tolex, senza pomelli, ma funzionante anche se distorceva sempre.
Buttato il cabinet e trasformato in testata, ho sostituito quasi tutti i condensatori, ed il TU che sembrava essere il responsabile del distorto, con uno concepito per un push & pull da 40 watt, e con la possibilita di reggere sia coni da 8 che da 16 ohm, l'ampli ha guadagnato in potenza, secondo me raggiunge tranquillamente i 18/20 watt
La valvola raddrizzatrice da ez 80 è passata ad ez 81, fornisce più corrente e l'ampli funziona benissimo.
il suono è bello caldo e corposo, ma è poco modulabile, avendo un tono soltanto, vorrei quindi aggiungervi una sezione toni che lo renda più malleabile.
Inoltre L'ampli soffre un pò la corrente sporca, quando la rete eroga corrente pulita, non problem, l'ampli è silenziosissimo, ma se la corrente è sporca, si prensenta un fastidioso Uhm di rete da metà volume in su.
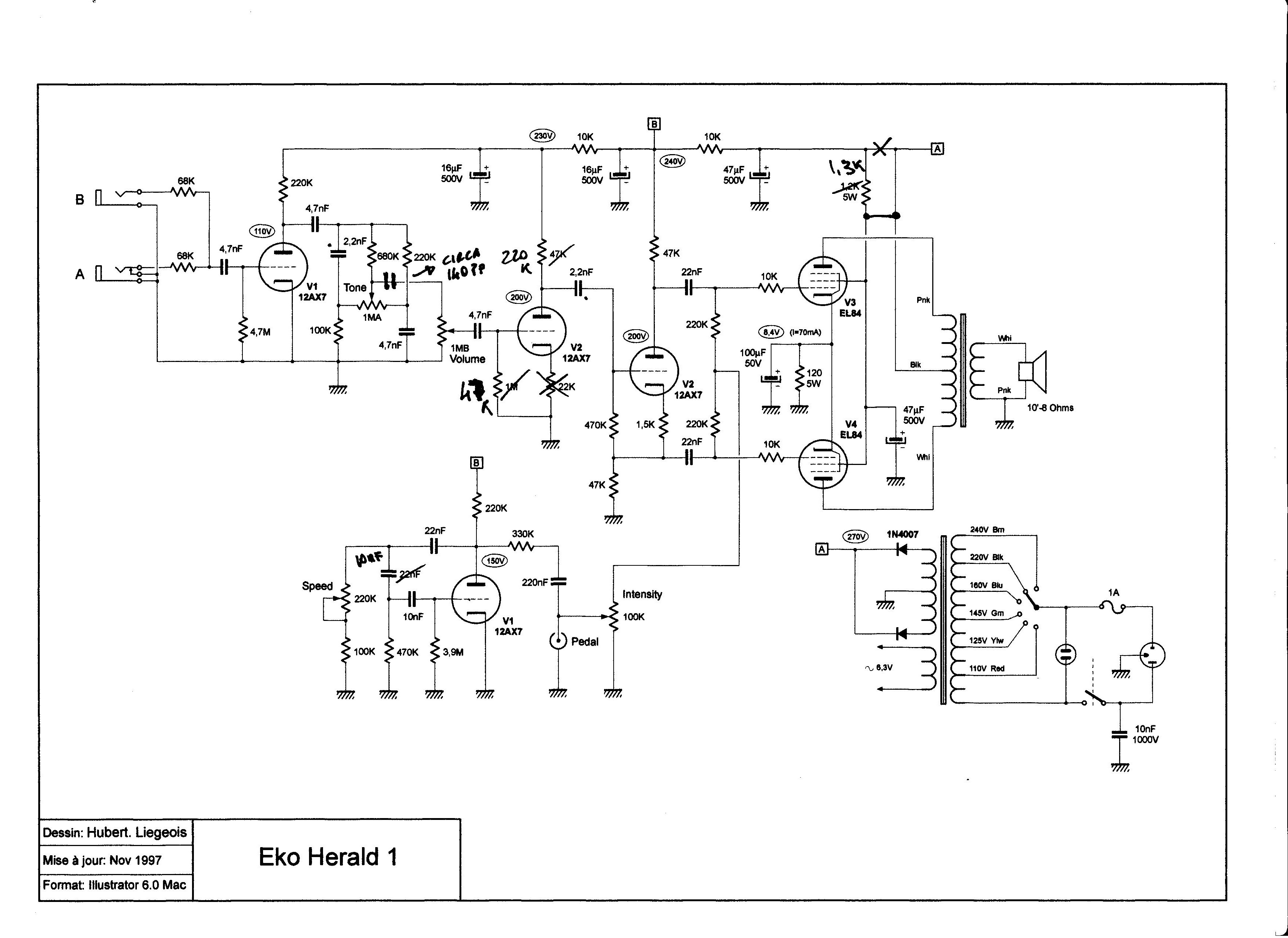
Ho rintracciato uno schema di un eko herald e l'ho confrontato, passo passo con il circuito del valet, trovando le differenze segnate in nero ( vi posto lo schema sotto).
Quello che vi domando è:
Come progetto la sezione toni da aggiungere all'ampli ?
come posso eliminare l'umh di rete?
Buttato il cabinet e trasformato in testata, ho sostituito quasi tutti i condensatori, ed il TU che sembrava essere il responsabile del distorto, con uno concepito per un push & pull da 40 watt, e con la possibilita di reggere sia coni da 8 che da 16 ohm, l'ampli ha guadagnato in potenza, secondo me raggiunge tranquillamente i 18/20 watt
La valvola raddrizzatrice da ez 80 è passata ad ez 81, fornisce più corrente e l'ampli funziona benissimo.
il suono è bello caldo e corposo, ma è poco modulabile, avendo un tono soltanto, vorrei quindi aggiungervi una sezione toni che lo renda più malleabile.
Inoltre L'ampli soffre un pò la corrente sporca, quando la rete eroga corrente pulita, non problem, l'ampli è silenziosissimo, ma se la corrente è sporca, si prensenta un fastidioso Uhm di rete da metà volume in su.
Ho rintracciato uno schema di un eko herald e l'ho confrontato, passo passo con il circuito del valet, trovando le differenze segnate in nero ( vi posto lo schema sotto).
Quello che vi domando è:
Come progetto la sezione toni da aggiungere all'ampli ?
come posso eliminare l'umh di rete?
Re: Eko Valet aggiungere sezioni toni a 3 controlli
perchè invece non lo "stravolgi" un po'??
io aggiungerei un bel master volume, così il pot volume che hai adesso diventerà "gain", metterei un EQ tmb, treble middle bass..poi se sei abbastanza pratico (se non lo sei, questo è il posto migliore per imparare) aggiungerei una valvola 12AX7 al preamp, utilizzando lo zoccolo della EZ81 (sostituendola con un ponte di diodi) e farei lavorare un intero doppio triodo (una 12AX7 intera) come invertitrice di fase, uscendo in entrambi i triodi di anodo.
dunque, facendo il punto, avresti 2 triodi per modellare il suono (pulito/distorto), un triodo per pilotare l'EQ TMB, un triodo per il vibrato e 2 triodi per l'inversione di fase, con la rettifica a stato solido.
verrebbe fuori un bel lavoretto, senza dover bucare lo chassis!
delga
io aggiungerei un bel master volume, così il pot volume che hai adesso diventerà "gain", metterei un EQ tmb, treble middle bass..poi se sei abbastanza pratico (se non lo sei, questo è il posto migliore per imparare) aggiungerei una valvola 12AX7 al preamp, utilizzando lo zoccolo della EZ81 (sostituendola con un ponte di diodi) e farei lavorare un intero doppio triodo (una 12AX7 intera) come invertitrice di fase, uscendo in entrambi i triodi di anodo.
dunque, facendo il punto, avresti 2 triodi per modellare il suono (pulito/distorto), un triodo per pilotare l'EQ TMB, un triodo per il vibrato e 2 triodi per l'inversione di fase, con la rettifica a stato solido.
verrebbe fuori un bel lavoretto, senza dover bucare lo chassis!
delga
Re: Eko Valet aggiungere sezioni toni a 3 controlli
Mi sa che lo chassis lo devo rifare daccapo, perchè tutti quei controlli sulla mascherina originale del valet non ci entrano.
Il potenziometro del volume è anche interruttore.
Ho un paio di dubbi però
Ho trovato un'altro schema del valet, presso il sito di un riparatore, ma abbastanza diverso dal mio....
http://gravinatubeamps.com/2014/08/07/e ... schematic/
Il potenziometro del volume è anche interruttore.
Ho un paio di dubbi però
Ho trovato un'altro schema del valet, presso il sito di un riparatore, ma abbastanza diverso dal mio....
http://gravinatubeamps.com/2014/08/07/e ... schematic/
Re: Eko Valet aggiungere sezioni toni a 3 controlli
manca il triodo V1B per il vibrato, e alcuni valori di Rk sono diversi..
- mastrococco
- Garzone di Roger Mayer

- Messaggi: 1361
- Iscritto il: 16/01/2012, 14:13
- Località: Cesena
Re: Eko Valet aggiungere sezioni toni a 3 controlli
Potresti guardare di inserire un ts plate load tipo fender al posto della regolazione tono.
Per i disturbi di rete un filtro di rete può risolvere il problema...

Per i disturbi di rete un filtro di rete può risolvere il problema...

Re: Eko Valet aggiungere sezioni toni a 3 controlli
si vede che il riaparatore il suo lo ha modificato, io il mio l'ho controllato passo passo, ed è come lo schema che ho postato.delga ha scritto:manca il triodo V1B per il vibrato, e alcuni valori di Rk sono diversi..
Tra l'altro sul mio le el 84 sono collegate direttamente al trasformatore, mentre sia sullo schema dell'herald che su quello del riparatore la resistenza da 12/13 kohm e da 10 watt è in serie ai piedini delle el 84.
inoltre sulla prima parte di V2 ( v1 è il primo stadio del preamp ed il vibrato ) c'è una Rk che sul mio non c'è il catodo è a massa...
Re: Eko Valet aggiungere sezioni toni a 3 controlli
Ci avevo pensato in effetti...cercando in rete ad inserire i controlli tipo fender...mastrococco ha scritto:Potresti guardare di inserire un ts plate load tipo fender al posto della regolazione tono.
Per i disturbi di rete un filtro di rete può risolvere il problema...
quale prendo in considerazione e dove inserisco il circuito?
il filtro di rete deve avere delle caratteristiche particolari?
- Kagliostro
- Amministratore

- Messaggi: 9942
- Iscritto il: 03/12/2007, 0:16
- Località: Prov. di Treviso
Re: Eko Valet aggiungere sezioni toni a 3 controlli
Penso che l'unica caratteristica del filtro di rete che interessi sia la massima corrente che può sopportare
K
K
- mastrococco
- Garzone di Roger Mayer

- Messaggi: 1361
- Iscritto il: 16/01/2012, 14:13
- Località: Cesena
Re: Eko Valet aggiungere sezioni toni a 3 controlli
Potresti guardare il vibro champ o il princeton...
Per il filtro confermo K, l'unico parametro è la corrente massima.
Butta un occhio anche qui
http://www.diyitalia.eu/forum/viewtopic ... der#p83090
Tieni presente che preso un impianto base i valori poi si ossono sempre aggiustare, puoi googlare e scaricarti anche tsc calculator, simpaticissimo programmino per modificare i ts!
Per il filtro confermo K, l'unico parametro è la corrente massima.
Butta un occhio anche qui
http://www.diyitalia.eu/forum/viewtopic ... der#p83090
Tieni presente che preso un impianto base i valori poi si ossono sempre aggiustare, puoi googlare e scaricarti anche tsc calculator, simpaticissimo programmino per modificare i ts!
Re: Eko Valet aggiungere sezioni toni a 3 controlli
ok grazie....
ora quali componenti devo togliere dal mio ampli?
Attacco il TS direttamente all'anodo come ingresso, ed al potenziometro del volume in uscita...
oppure salvo qualche componente...tipo l'ingresso del ts lo prendo dopo il condensatore da 47 nf, e collego l'uscita direttamente al potenziometro del volume?
ora quali componenti devo togliere dal mio ampli?
Attacco il TS direttamente all'anodo come ingresso, ed al potenziometro del volume in uscita...
oppure salvo qualche componente...tipo l'ingresso del ts lo prendo dopo il condensatore da 47 nf, e collego l'uscita direttamente al potenziometro del volume?
- mastrococco
- Garzone di Roger Mayer

- Messaggi: 1361
- Iscritto il: 16/01/2012, 14:13
- Località: Cesena
Re: Eko Valet aggiungere sezioni toni a 3 controlli
Non serve che quoti tutto il messaggio precedente... (sistemato - K)
Il ts va tra il cap di disaccoppiamento e il volume, eliminando quello che c'è in mezzo.
Posta uno schema di come vuoi procedere.
Piuttosto, vedo che non sei passato al bar a presentarti!
Il ts va tra il cap di disaccoppiamento e il volume, eliminando quello che c'è in mezzo.
Posta uno schema di come vuoi procedere.
Piuttosto, vedo che non sei passato al bar a presentarti!
Ultima modifica di mastrococco il 22/12/2014, 19:31, modificato 1 volta in totale.
Re: Eko Valet aggiungere sezioni toni a 3 controlli
Hai ragione scusa...passo al bar e mi presento.. 
Re: Eko Valet aggiungere sezioni toni a 3 controlli
La modifica col tone stack tipo fender dovrebbe venire così giusto?
Ho tolto il vibrato e l'alimentazione per semplicità
Chi è che mi consigliava di stravolgerlo?
Si potrebbe togliere del tutto il vibrato, che in fondo non serve a niente....ed usare la mezza Ecc83 per quacols'altro?
Consigli?
Ho tolto il vibrato e l'alimentazione per semplicità
Chi è che mi consigliava di stravolgerlo?
Si potrebbe togliere del tutto il vibrato, che in fondo non serve a niente....ed usare la mezza Ecc83 per quacols'altro?
Consigli?
- Allegati
-
- Eko Valet con tone stack.pdf
- (35.9 KiB) Scaricato 379 volte
- mastrococco
- Garzone di Roger Mayer

- Messaggi: 1361
- Iscritto il: 16/01/2012, 14:13
- Località: Cesena
Re: Eko Valet aggiungere sezioni toni a 3 controlli
Si, era quello che avevo in mente.
Se vuoi eliminare il tremolo potresti usare il triodo avanzato per uno stadio aggiuntivo in modo da fare una quasi due canali.
La butto li come possibilità, ma non ho idea di come suoni quell'ampli e di quelli che sono i tuoi gusti quindi...
La cura che ti consigliava delga sopra è decisamente più radicale...praticamente un ampli nuovo!
io sono per le modifiche più soft...soprattutto se l'ampli ti piace gia!
Se vuoi eliminare il tremolo potresti usare il triodo avanzato per uno stadio aggiuntivo in modo da fare una quasi due canali.
La butto li come possibilità, ma non ho idea di come suoni quell'ampli e di quelli che sono i tuoi gusti quindi...
La cura che ti consigliava delga sopra è decisamente più radicale...praticamente un ampli nuovo!
io sono per le modifiche più soft...soprattutto se l'ampli ti piace gia!
Re: Eko Valet aggiungere sezioni toni a 3 controlli
per darti un idea di come suona ti posto questi due video, sono gli unici che ho trovato del valet
https://www.youtube.com/watch?v=Amoo6mqksoA
https://www.youtube.com/watch?v=HxA6S-_2EcY
Il suono mi piace, è bello profondo, anche molto adatto per fare jazz fino almeno a 3/4 del volume, si mantiene pulito anche al massimo ma diventa molto sensibile alla plettrata, e dopo i 3/4 del volume , se plettri deciso esce un bel crunch cremoso e mai stridulo, sinceramente ho trovato pure un acquirente che se n'è innamorato, e l'ha paragonato ad un vox di annata.
L'idea sostanzialmente era di farmene una copia, o quasi, aggiungendo migliori controlli dei toni, e visto che il vibrato effettivamente non mi serve, usare quella mezza valvola per altro..
https://www.youtube.com/watch?v=Amoo6mqksoA
https://www.youtube.com/watch?v=HxA6S-_2EcY
Il suono mi piace, è bello profondo, anche molto adatto per fare jazz fino almeno a 3/4 del volume, si mantiene pulito anche al massimo ma diventa molto sensibile alla plettrata, e dopo i 3/4 del volume , se plettri deciso esce un bel crunch cremoso e mai stridulo, sinceramente ho trovato pure un acquirente che se n'è innamorato, e l'ha paragonato ad un vox di annata.
L'idea sostanzialmente era di farmene una copia, o quasi, aggiungendo migliori controlli dei toni, e visto che il vibrato effettivamente non mi serve, usare quella mezza valvola per altro..
