Loop fx valvolare, parere progetto
Re: Loop fx valvolare, parere progetto
Ciao K,
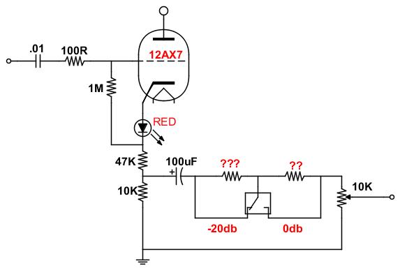
Quel loop non mi piace, perché fa un POP fortissimo quando commuti il segnale, e rischi di friggere gli stadi di ingresso di cosa gli hai collegato. Dove lo hai trovato?
Quel loop non mi piace, perché fa un POP fortissimo quando commuti il segnale, e rischi di friggere gli stadi di ingresso di cosa gli hai collegato. Dove lo hai trovato?
- Kagliostro
- Amministratore

- Messaggi: 9949
- Iscritto il: 03/12/2007, 0:16
- Località: Prov. di Treviso
Re: Loop fx valvolare, parere progetto
Veramente non era previsto un uso a pre acceso
era l'uscita per un pre che avevo messo assieme scopiazzando in giro e con delle indicazioni ricevute da qualcuno per poter essere usato sia con pedali che con effetti rack e ampli di potenza
Franco
era l'uscita per un pre che avevo messo assieme scopiazzando in giro e con delle indicazioni ricevute da qualcuno per poter essere usato sia con pedali che con effetti rack e ampli di potenza
Franco
Re: Loop fx valvolare, parere progetto
Sei sicuro che non ti avessero consigliato di mettere il led fra catodo e resistenza da 1M?
Perchè così non hai alcuna differenza di potenziale fra il catodo e la griglia del triodo.
Lo hai mai provato?
Comunque è come fare una sedia con un coltello nel poggiaschiena dicendo che non è previsto che la gente ci appoggi la schiena.
I progetti vanno fatti in modo che chi li utilizzi non possa fare danni, a meno di guasti.
Perchè così non hai alcuna differenza di potenziale fra il catodo e la griglia del triodo.
Lo hai mai provato?
Comunque è come fare una sedia con un coltello nel poggiaschiena dicendo che non è previsto che la gente ci appoggi la schiena.
I progetti vanno fatti in modo che chi li utilizzi non possa fare danni, a meno di guasti.
-
giordydiver
- Diyer Esperto

- Messaggi: 278
- Iscritto il: 02/07/2014, 11:29
Re: Loop fx valvolare, parere progetto
Ragazzi mentre parliamo di loop fx espongo qua il mio problema. Allora il loop funziona benissimo, con brightcap sul pot del return è completamente trasparente. L'unica cosa che ho notato provandolo in sala prove é che inserisce molto fruscio di fondo che a loop bypassato con c'è. Il loop monta una 12au7 jj(potrei provare anche una EH, che mi consigliate?), ha le masse isolate dalle altre in un punto del telaio, i collegamenti ai jack sono fatti con cavo schemato, mentre i collegamenti dallo switch di bypass al loop sono fatti con cavo nornale solid core....che mi dite?
- Kagliostro
- Amministratore

- Messaggi: 9949
- Iscritto il: 03/12/2007, 0:16
- Località: Prov. di Treviso
Re: Loop fx valvolare, parere progetto
Il LED era lì prima che venisse modificato lo schema per avere i due distinti livelli di output, non in serie alla res da 1M
Credo di essere partito da uno schema di Merlin, ma non ne sono sicuro
No, mai costruito, è una cosa che se ne è sempre stata lì, in attesa di tempi migliori
Franco
Credo di essere partito da uno schema di Merlin, ma non ne sono sicuro
No, mai costruito, è una cosa che se ne è sempre stata lì, in attesa di tempi migliori
Franco
Re: Loop fx valvolare, parere progetto
Immaginavo non fosse stato costruito, perchè non lo vedo funzionante.
Come resta polarizzato se hai l'anodo diretto su B+, ed il catodo collegato alla griglia?
Per intenderci citando un sito famoso: http://www.valvewizard.co.uk/accf.html
Come resta polarizzato se hai l'anodo diretto su B+, ed il catodo collegato alla griglia?
Per intenderci citando un sito famoso: http://www.valvewizard.co.uk/accf.html
- Kagliostro
- Amministratore

- Messaggi: 9949
- Iscritto il: 03/12/2007, 0:16
- Località: Prov. di Treviso
Re: Loop fx valvolare, parere progetto
Dopo aver un po' cercato, credo che la base di partenza sia stato questo (anche se non ne sono sicuro al 100%)
Franco
Franco
Re: Loop fx valvolare, parere progetto
Ok, quindi il led è fra il catodo e la resistenza da 1M come dicevo prima.
Da quello schema se vuoi mettere un'uscita a -10 ed una a 4+ devi tenere fisso il condensatore dov'è, e DOPO mettere il partitore.
Così ottieni quello che vuoi ed eviti il pop di commutazione, che, come dicevo, altrimenti può essere letale per l'effetto che gli colleghi (gli arriva una schicchera di un centinaio di volt).
Quando hai tempo posta lo schema corretto, non vorrei che arrivasse qualcuno che ci addebita un effetto arrosto

Da quello schema se vuoi mettere un'uscita a -10 ed una a 4+ devi tenere fisso il condensatore dov'è, e DOPO mettere il partitore.
Così ottieni quello che vuoi ed eviti il pop di commutazione, che, come dicevo, altrimenti può essere letale per l'effetto che gli colleghi (gli arriva una schicchera di un centinaio di volt).
Quando hai tempo posta lo schema corretto, non vorrei che arrivasse qualcuno che ci addebita un effetto arrosto
- Kagliostro
- Amministratore

- Messaggi: 9949
- Iscritto il: 03/12/2007, 0:16
- Località: Prov. di Treviso
Re: Loop fx valvolare, parere progetto
Per adesso ho messo un warning
Ho provato a ridisegnarlo, va bene così ?
o è così ??
Franco
Ho provato a ridisegnarlo, va bene così ?
o è così ??
Franco
Re: Loop fx valvolare, parere progetto
Ciao Franco, né uno né l'altro.
Vedo se stasera riesco a fare una bozza. L'uso del led è... imperativo?
Vedo se stasera riesco a fare una bozza. L'uso del led è... imperativo?
- Kagliostro
- Amministratore

- Messaggi: 9949
- Iscritto il: 03/12/2007, 0:16
- Località: Prov. di Treviso
Re: Loop fx valvolare, parere progetto
Il LED imperativo .... ??? so solo che dovrebbe mantenere la banda passante completa sulle frequenze disponibili, contrariamente a quanto fanno res e cap di bypass (almeno io la so così), effettivamente, visto che non c'è uscita sul catodo, penso non sia assolutamente obbligatorio, il progetto, ovviamente, non è mio
Franco
Franco
Re: Loop fx valvolare, parere progetto
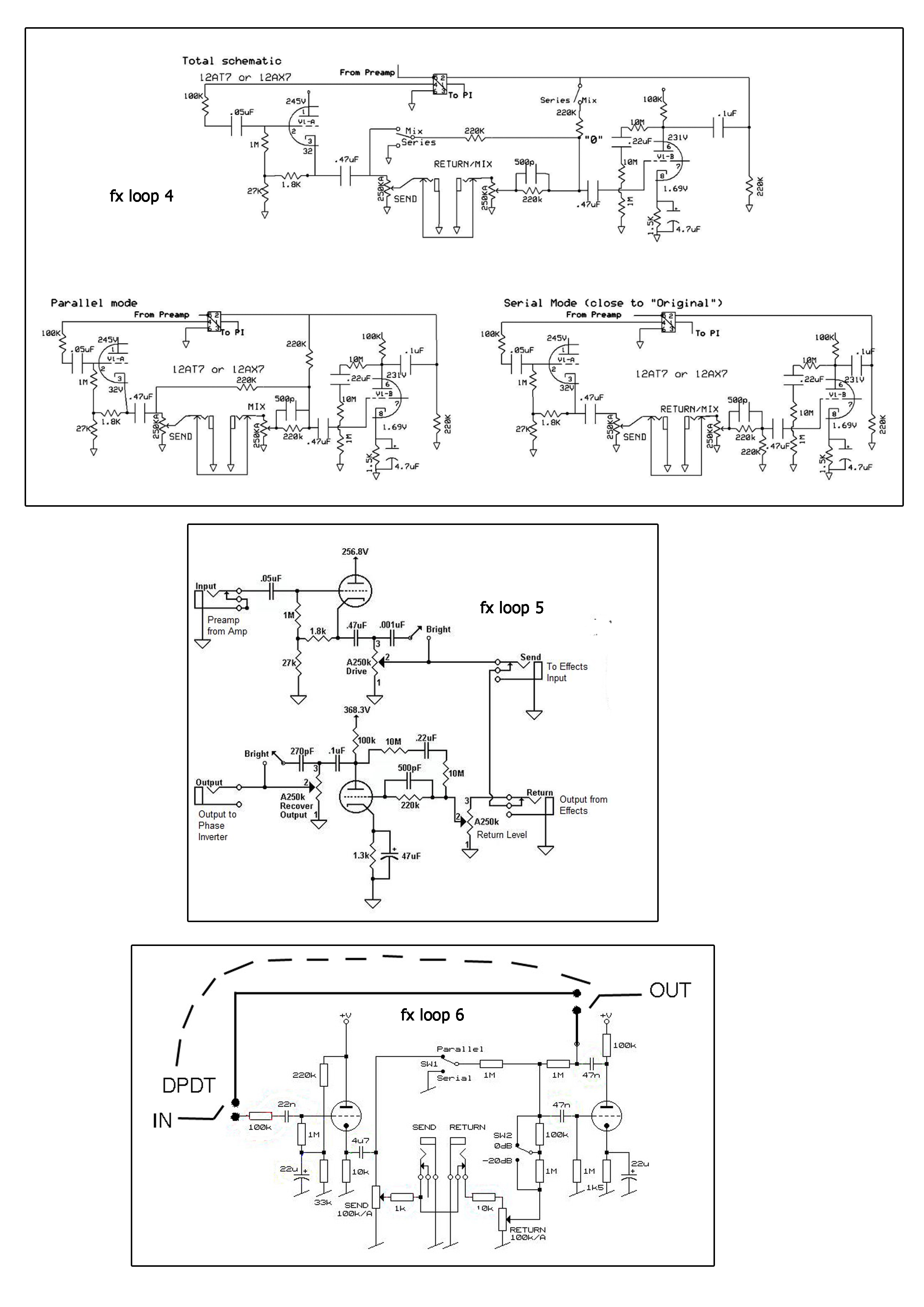
buon pomeriggio.
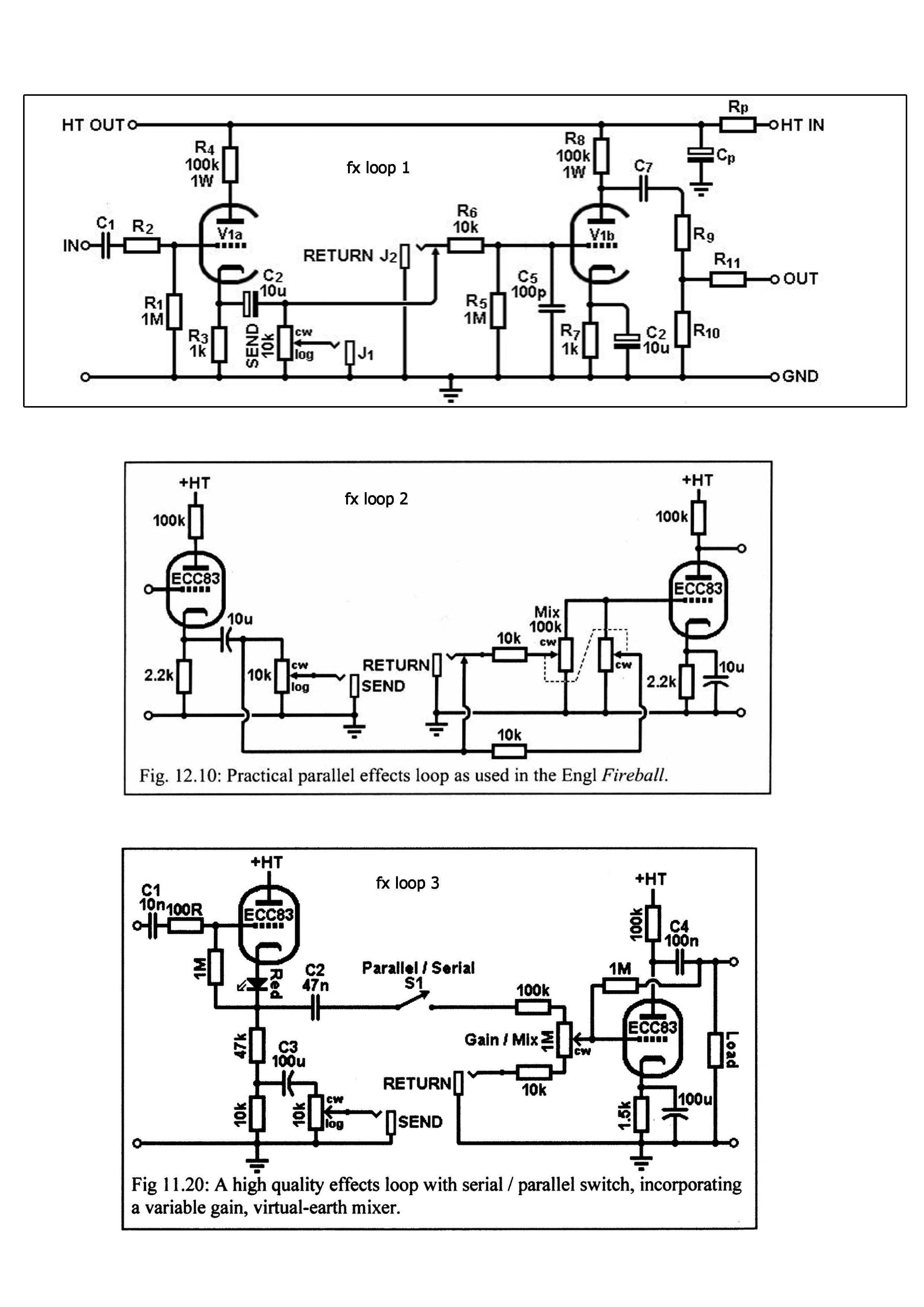
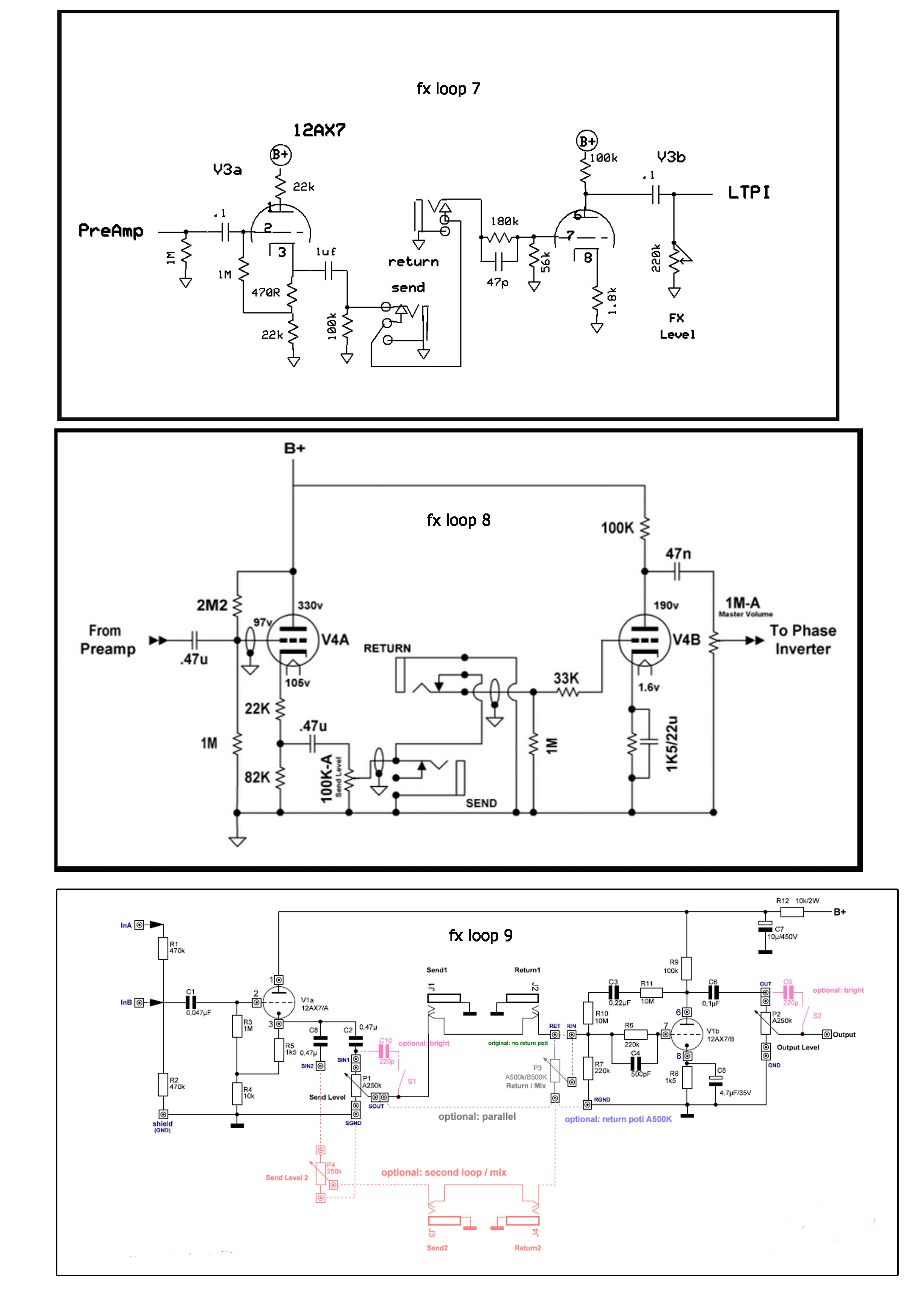
vorrei riprendere questo discorso dei loop fx. ho fatto varie ricerche e vorrei un vostro parere su quale loop inserire in un circuito stile jcm800 aventi 2 eq separati (uno per canale) e volume dedicato per canale, più un master prima dell'inversione di fase.
allego i file con tutti i circuiti che ho trovato anche in altri forum.....
attendo un vostro consiglio.
grazie
vorrei riprendere questo discorso dei loop fx. ho fatto varie ricerche e vorrei un vostro parere su quale loop inserire in un circuito stile jcm800 aventi 2 eq separati (uno per canale) e volume dedicato per canale, più un master prima dell'inversione di fase.
allego i file con tutti i circuiti che ho trovato anche in altri forum.....
attendo un vostro consiglio.
grazie
Re: Loop fx valvolare, parere progetto
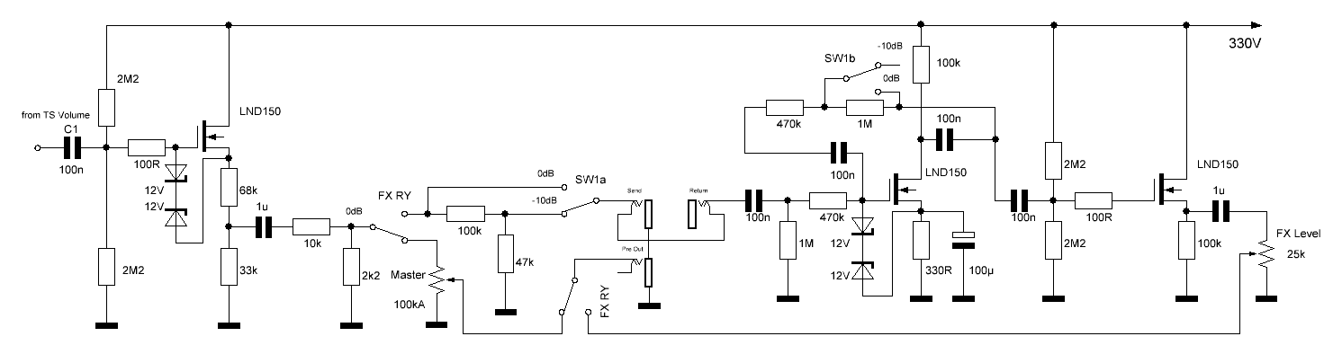
Personalmente opterei per un loop a stato solido, magari a fet alimentati ad alta tensione.
Eviti che ti colori ed ammorbidisca un suono che è di per sé piuttosto caratteristico:
MV
condensatore di disaccoppiamento
partitore ac
partitore dc per polarizzare il mosfet
condensatore di disaccoppiamento
send
return
stadio di guadagno con feedback locale
condensatore di disaccoppiamento
PI
Eviti che ti colori ed ammorbidisca un suono che è di per sé piuttosto caratteristico:
MV
condensatore di disaccoppiamento
partitore ac
partitore dc per polarizzare il mosfet
condensatore di disaccoppiamento
send
return
stadio di guadagno con feedback locale
condensatore di disaccoppiamento
PI
- Kagliostro
- Amministratore

- Messaggi: 9949
- Iscritto il: 03/12/2007, 0:16
- Località: Prov. di Treviso
Re: Loop fx valvolare, parere progetto
Di schemi ne ho diversi ma di esperienza approfondita no
tra tutti mi pare che tempo fa questo schema mi fosse stato indicato come una buona soluzione

K
tra tutti mi pare che tempo fa questo schema mi fosse stato indicato come una buona soluzione

K
Re: Loop fx valvolare, parere progetto
in effetti stavo valutando un loop a stato solido...
dicono che questo funzioni (zero loss metropoulos)... pareri?
dicono che questo funzioni (zero loss metropoulos)... pareri?
