So che non suonera' mai nemmeno simile alla Slo, i voltaggi sono diversi e il finale e' totalmente diverso, ma mi piacerebbe avere quel bel tono gonfio e pastoso della Slo, e se possibile aumentare un po' il gain... Dove potrei operare il paziente?
Slo-izzare il canale Lead della mia bestiolina
Slo-izzare il canale Lead della mia bestiolina
Come da topic, e dato che ho ancora la bestia a pancia aperta
mi piacerebbe Sloizzare il canale Lead.
So che non suonera' mai nemmeno simile alla Slo, i voltaggi sono diversi e il finale e' totalmente diverso, ma mi piacerebbe avere quel bel tono gonfio e pastoso della Slo, e se possibile aumentare un po' il gain... Dove potrei operare il paziente?
So che non suonera' mai nemmeno simile alla Slo, i voltaggi sono diversi e il finale e' totalmente diverso, ma mi piacerebbe avere quel bel tono gonfio e pastoso della Slo, e se possibile aumentare un po' il gain... Dove potrei operare il paziente?
Live another day, climb a little higher, find another reason to stay...
Re:Slo-izzare il canale Lead della mia bestiolina
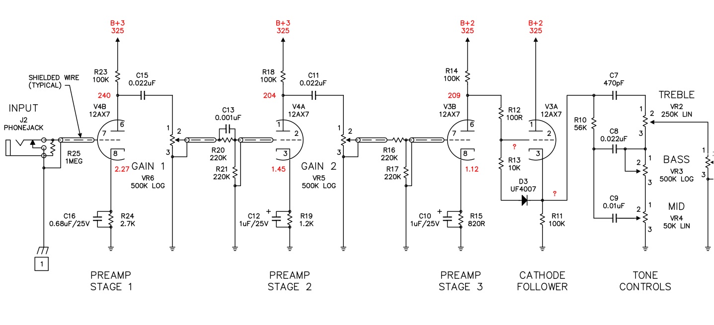
Io direi di giocare con la resistenza anodica dello stadio prima del catode follower, uno perchè aumentando quella aumenti il gain, due perchè cambi la polarizzazione del CF e quindi cambi due sfumature di suono contemporaneamente!
Prova a mettere un pot da 100k con in serie una resistenza da 10k al posto della 56k del tonestack, anche questo ti fa avere più sfumature di suono... sembra una specie di tono generale tipo alti/bassi.... prova...
Prova a mettere un pot da 100k con in serie una resistenza da 10k al posto della 56k del tonestack, anche questo ti fa avere più sfumature di suono... sembra una specie di tono generale tipo alti/bassi.... prova...
MEMENTO trimmer Humdinger :lol1:
Re:Slo-izzare il canale Lead della mia bestiolina
Copia il canale crunch del x88r. Otterrai un suono tipico soldano con una buona resa. Per il lead ti manca uno stadio 
Adoro le donne con un passato, e gli uomini con un futuro.
Re:Slo-izzare il canale Lead della mia bestiolina
Quanto posso giocare con la res anodica del terzo stadio? Nel senso... quali sono i valori massimi e minimi entro cui devo stare per non mandare a rane il triodo?
Live another day, climb a little higher, find another reason to stay...


