Allora nel mio JCM800 split 4210 ho inserito il comando presence copiandolo dal 2203, il mio aveva solo un trimmer interno.
Poi ho realizzato la DEEP o resonance mods che funziona come il presence ma lavora sulle basse frequenze.
Ho sostituito qualche valore qua e la di caps e resistenze per migliorare un po' il suono in generale incrementando un po' tutti gli stadi.
Il suono generale dell'ampli è migliorato nettamente
ORA arriva il bello, anzi le belle!!!
Mi sono arrivate due 6550 svetlana C logo a vedere se recupero un po' di bassi in più.
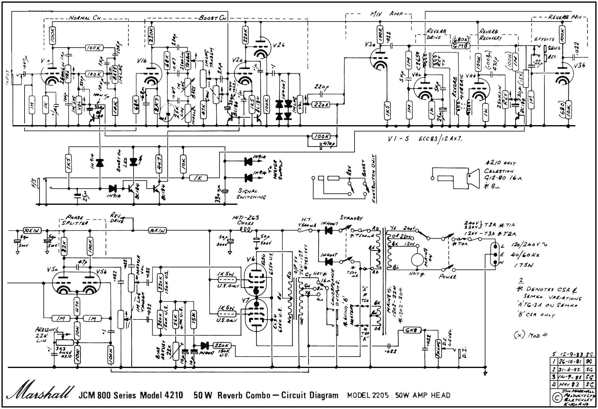
Nello schema ci sono indicate 4 resistenze con i valori standard e quelli U.S. per le 6550 da sostituire... e fin qui tutto facile.
Poi mi indicano, sempre per le 6550, due resistenze da inserire nelle griglie delle finali con riportate le scritte, a mano ed intelleggibili, "only for U.S." 1K5N o 1K5W... o addirittura 1K6N... insomma non ci capisco na cippa, quando disegnavo io mi facevano scrivere con il "normografo"
Cosa dovrei fare, qualcuno sa aiutarmi? Fatta questa dovrei essere soddisfatto e non vi rompo più... almeno per questo.
grazie

