Jose Arredondo Mod Marshall 2203
Jose Arredondo Mod Marshall 2203
Qualuno ha uno schema un pò più chiaro di questo?
giusto per curiosità....
giusto per curiosità....
Re:Jose Arredondo Mod Marshall 2203
cosa non ti è chiaro?
Adoro le donne con un passato, e gli uomini con un futuro.
Re:Jose Arredondo Mod Marshall 2203
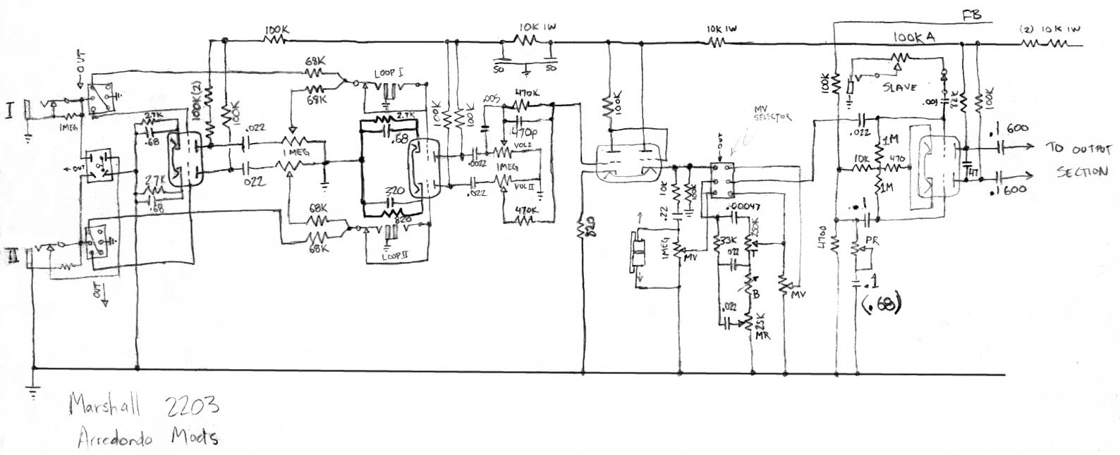
Non capisco cosa sono i loop 1 e 2, lo swtch su uno dei master volume, e cosa intende per out
Re:Jose Arredondo Mod Marshall 2203
Sono due fx loop,
toglie il MV dopo il TS e lo mette prima modificandolo leggermente,
suppongo accessibili dall'esterno chassis.
toglie il MV dopo il TS e lo mette prima modificandolo leggermente,
suppongo accessibili dall'esterno chassis.
Adoro le donne con un passato, e gli uomini con un futuro.
Re:Jose Arredondo Mod Marshall 2203
con quale sopo? Io ho visto un video su youtube della testata modificata ma si vede ben poco.Lo allego.
http://www.youtube.com/watch?v=xl-qarMyG40
http://www.youtube.com/watch?v=rEhFg1_J ... re=related
http://www.youtube.com/watch?v=rUJR4ZYrhGw
http://www.youtube.com/watch?v=xl-qarMyG40
http://www.youtube.com/watch?v=rEhFg1_J ... re=related
http://www.youtube.com/watch?v=rUJR4ZYrhGw
Re:Jose Arredondo Mod Marshall 2203
con quale scopo cosa?
che te ne fai dei video?

che te ne fai dei video?
Adoro le donne con un passato, e gli uomini con un futuro.
Re:Jose Arredondo Mod Marshall 2203
scusa intendevo i loop.
I video erano solo per avere una panoramica dei controlli e degli switch, ma non sono chiari, ovvio.
Ciao
I video erano solo per avere una panoramica dei controlli e degli switch, ma non sono chiari, ovvio.
Ciao


