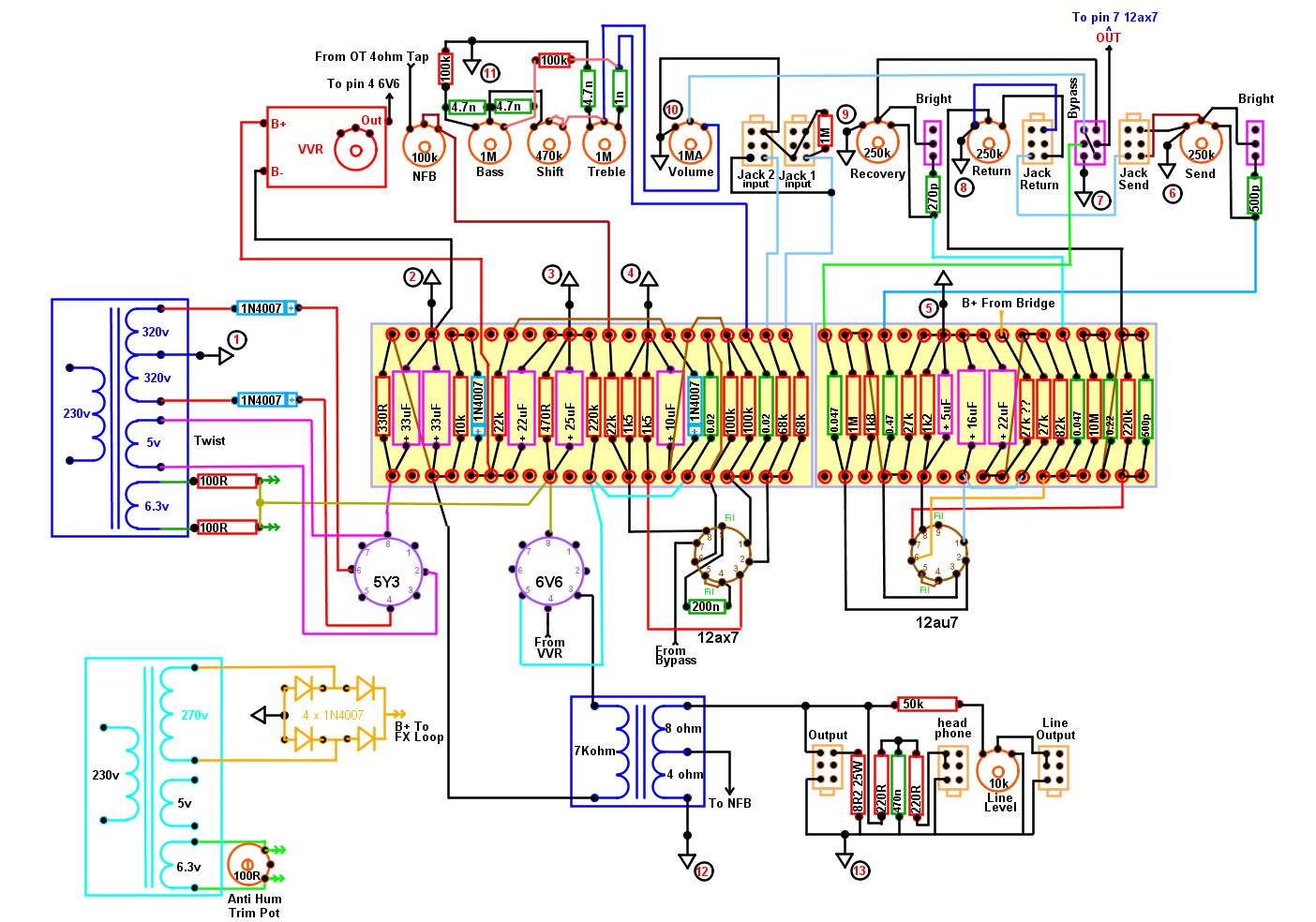
ho ricontrollato più volte il layout e mi sembra che stia apposto.
sto leggendo il file che mi inviasti riguardo i le varie tipologie di massa, e solo adesso sto capendo che non basta metterci un filo parallelo alla basetta (per questo progetto) per collegarci tutte quelle masse.
a saperle prima queste cose.....vabè impariamo qualcosa dagli errori fatti.
credo che il vecchio ampli andrebbe di nuovo rivisitato
riguardo i componenti, li ho tutti del champ e dello schema del send return originali, qualcosina me la ritrovo...magari se c'è qualcosa che serve proverò ad acquistare qualcosa.
stasera collego un cordone ai trasfo di novarria e mi controllo con il tester le tensioni dei secondari. con tutte le fregature che sta dando alla gente spero di non averla io con sto progetto!
grazie mille


