Idea per jcm2203 doppio canale
- mastrococco
- Garzone di Roger Mayer

- Messaggi: 1361
- Iscritto il: 16/01/2012, 14:13
- Località: Cesena
Re: Idea per jcm2203 doppio canale
Puoi comunque fare delle prove per testare l'effettiva differernza. E' un po il bello di questi lavori...
In che senso usare una resistenza...che alternative vedi? Con una resistenza (di alto valore) non disperdi segnale a massa ma riferisci comunque il potenziale della sezione interessata allo stesso livello del restante circuito...
In che senso usare una resistenza...che alternative vedi? Con una resistenza (di alto valore) non disperdi segnale a massa ma riferisci comunque il potenziale della sezione interessata allo stesso livello del restante circuito...
-
giordydiver
- Diyer Esperto

- Messaggi: 278
- Iscritto il: 02/07/2014, 11:29
Re: Idea per jcm2203 doppio canale
Grazie mastrococco, hai praticamente risposto al mio dubbio. Ti tengo aggiornati, tra una settimana inizio a lavorare sulla modifica
-
giordydiver
- Diyer Esperto

- Messaggi: 278
- Iscritto il: 02/07/2014, 11:29
Re: Idea per jcm2203 doppio canale
Mi è venuto un dubbio...la resistenza a massa la devo mettere prima del condensatore che va alla phase inverter o dopo?
- mastrococco
- Garzone di Roger Mayer

- Messaggi: 1361
- Iscritto il: 16/01/2012, 14:13
- Località: Cesena
Re: Idea per jcm2203 doppio canale
Ciao,
a me personalmente piace molto il clean dei tre stadi più CF, se si modellano bene i bassi e mediobassi.
Una seconda opzione che potresti provare è un secondo pot in parallelo al primo, debitamente isolato "audiofilamente" dal primo, e commutato per il cambio canale insieme al secondo master volume.
Un'evoluzione di questo:

a me personalmente piace molto il clean dei tre stadi più CF, se si modellano bene i bassi e mediobassi.
Una seconda opzione che potresti provare è un secondo pot in parallelo al primo, debitamente isolato "audiofilamente" dal primo, e commutato per il cambio canale insieme al secondo master volume.
Un'evoluzione di questo:
-
giordydiver
- Diyer Esperto

- Messaggi: 278
- Iscritto il: 02/07/2014, 11:29
Re: Idea per jcm2203 doppio canale
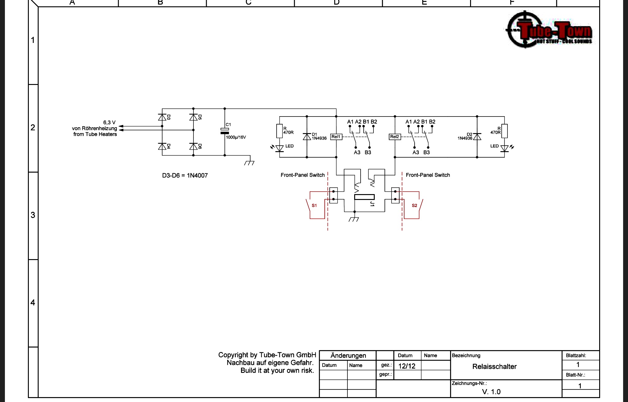
Allora ragazzi ho fatto la modifica, funziona tutto perfettamente, il clean che ho ottenuto è molto bello, inizialmente molto cupo e scuro, ma ho trovato il giusto equilibrio mettendo un brightcap da 330p sul pot del gain e una resistenza da 150k tra il pin centrale del pot e il gain, ha un suono piu brillante e piu twangoso. Sul canale distorto invece voglio limare un po le alte, voglio agire proprio sul secondo triodo per non intaccare il clean, pensavo o di aumentare le basse aumentando il condensatore di disaccoppiamento, oppure tagliare un po di alte mettendo uno snubber sui 220p sulla resistenza anodica sempre del secondo triodo...riguardo allo switch ho qualche problema di bop e sono certo che si crei allo switch dei master perche ho fatto prima solo lo switch dei gain e in quel modo non boppava, appena ho aggiunto lo switch dei master inceve ho i bop, che pero non si sentono sempre ma solo cert volte...per limitare l'effetto ho messo un condensatore da 100n sullo switch a levetta.
Metto sia lo schema della mod che del circuito di switch( nel mio ho messo i rele in parallelo per funzionar contemporaneamente)
Metto sia lo schema della mod che del circuito di switch( nel mio ho messo i rele in parallelo per funzionar contemporaneamente)
- mastrococco
- Garzone di Roger Mayer

- Messaggi: 1361
- Iscritto il: 16/01/2012, 14:13
- Località: Cesena
Re: Idea per jcm2203 doppio canale
Ciao, io proverei lo snubber prima, nel canale distorto i bassi vanno dosati con parsimonia pena zanzarosita' e perdita di definizione. Ai tempi feci qualche prova sui cap di bypass al catodo della 2204 ma il risultato non fu per me esaltante.
-
giordydiver
- Diyer Esperto

- Messaggi: 278
- Iscritto il: 02/07/2014, 11:29
Re: Idea per jcm2203 doppio canale
messi 220p di snubber wul primo, il distorto ma molto meglio, pero il clean è un po troppo scuretto, causa anche il condensatore tra anodo e griglia...se mettessi 100p e 100p?
Altra cosa che ho notato, il tone stack e davvero poco jnfluente... Qualche mod per renderlo piu gestibile ed utilizzabile?
Altra cosa che ho notato, il tone stack e davvero poco jnfluente... Qualche mod per renderlo piu gestibile ed utilizzabile?
Re: Idea per jcm2203 doppio canale
Ciao,
Snubber sul secondo stadio.
Snubber sul secondo stadio.
-
giordydiver
- Diyer Esperto

- Messaggi: 278
- Iscritto il: 02/07/2014, 11:29
Re: Idea per jcm2203 doppio canale
metto sul secondo ma levo lo snubber del primo?
Re: Idea per jcm2203 doppio canale
Il clean ti piace, e bypassa il secondo stadio, quindi puoi lavorare lì.
-
giordydiver
- Diyer Esperto

- Messaggi: 278
- Iscritto il: 02/07/2014, 11:29
Re: Idea per jcm2203 doppio canale
per quanto riguarda la distorsione, ho un suono un po fuzzoso/zanzaroso, vorrei un suono piu definito e meno fuzzoso
Re: Idea per jcm2203 doppio canale
Ed hai provato i consigli che ti abbiamo dato?
PS
Lo schema che hai postato non ha nessun valore indicato, ed è sbagliato.
PS
Lo schema che hai postato non ha nessun valore indicato, ed è sbagliato.
-
giordydiver
- Diyer Esperto

- Messaggi: 278
- Iscritto il: 02/07/2014, 11:29
Re: Idea per jcm2203 doppio canale
Rimetto lo schema definitivo con i valori. Andiamo al suono, il clean ci siamo, sul distorto un po meno,zanzaroso e con troppe alta e troppo gain... Pesavo di fare le seguenti mod, intanto levare i 680n sulla resistenza da 820ohm, dovrei levare un po do gain e di frequenze medio alte, inserire una resistenza da 33k all'ingresso di v1b.
Per quanto riguarda il tone stack ho sostituito la slope da 33k a 47k e mi sembra che lq eq sia piu gestibile.
Altra cosa, se abbassassi la resistenza da 2.7k su v1a a circa 1.8k dovrei ottenere un suono un po piu grosso con un overdrive piu naturale o sbaglio?
Per quanto riguarda il tone stack ho sostituito la slope da 33k a 47k e mi sembra che lq eq sia piu gestibile.
Altra cosa, se abbassassi la resistenza da 2.7k su v1a a circa 1.8k dovrei ottenere un suono un po piu grosso con un overdrive piu naturale o sbaglio?
-
giordydiver
- Diyer Esperto

- Messaggi: 278
- Iscritto il: 02/07/2014, 11:29
Re: Idea per jcm2203 doppio canale
Allora oggi mi sono messo a giocare un po, dallo schema ho provato a fare progressovamente dei cambiamenti.... Tolto 680n da 820 , poco gain in meno pero meno ciccia e tantissime alte, non si siamo, tolto 100n da 10k, meno alte ma suono troppo moderno e poco gain... Ho rimesso il 680n su 820, suono piu grosso e gain è il giusto, ne troppo ne poco, ne ha abbastanza da farci tutto. Ho voluto mettere anche una resistenza da 47k in ingresso a v1b e mi sembra che il suono sia migliorato. Ultimo mod che ho fatto è stato su v1a, cioe ho cambiato la 2.7k con 820ohm, mi sembra che abbia un suono piu morbido e dinamico, cosi la distorsioni mi pare davvero molto ma molto buona...a volumi bassi e su un cassa di cacca ad un cono ci siamo quasi, non mi resta che provare sulla 2x12 e vedere un po che esce

