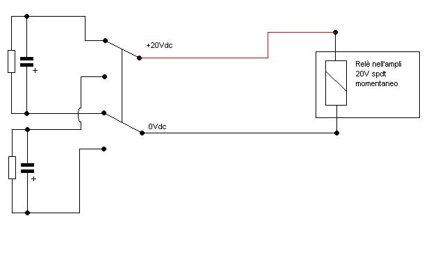
Forse ho trovato una soluzione, ho disegnato uno schemino di quello che ho in mente e lo metto allegato nel post.
Userò un relè dpdt (a posto dello switch spdt) 9 o 12V (quindi alimentato a parte dall'esterno) in modo da avere due cap ed in parallelo ad ognuno metterò una resistenza dal valore appropriato, sicchè nelle due posizioni il cap attivo carica e l'inattivo scarica, così in entrambe le posizioni ho l'impulso necessario per far scattare il relè dell'ampli.
E' corretto?
Modifica sezione di switching su Blackstar HT-5
Re: Modifica sezione di switching su Blackstar HT-5
Ciao, qualcuno alla fine è riuscito nell'intento? ho il medesimo problema, nel caso mi mandate schemi etc?
Grazie
Grazie

