Si va avanti
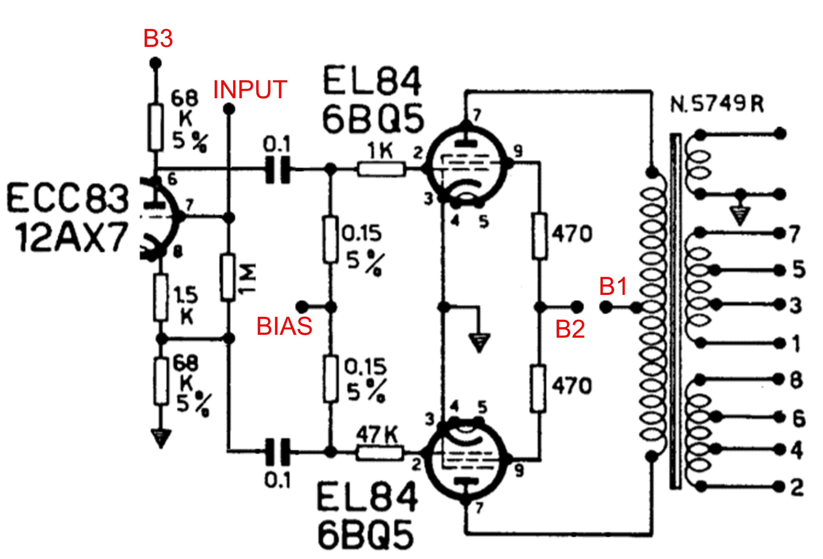
Questo è lo schema del finale epurato da vari componenti non strettamente necessari
Più tardi posto una nuova immagine del Layout
Franco
POST ACCORPATO
Ecco fin dove sono arrivato
NON è finito e potrebbero anche esserci errori (orrori

)
Qualche errore l'ho visto ma adesso sono troppo stanco e mi scuserete
Se
Leonardo o qualcun altro ha voglia di darci un'occhiata è più che benvenuto
il bordino nero equivale alle misure dello chassis, 280mm x 160mm
(la cosa vale solo per la larghezza in quanto nell'altro senso i pot e l'input stanno sul frontale e la Board è posizionata circa a 90° rispetto al piano dello chassis)
la Board ha le dimensioni circa come l'originale (2 x 21 eyelet) 40mm x 165mm
Franco