Modifiche geloso 1020
-
leonardo giusti
- Diyer

- Messaggi: 170
- Iscritto il: 11/10/2022, 0:21
Re: Modifiche geloso 1020
Metà layout verificato, tutto torna.
- Kagliostro
- Amministratore

- Messaggi: 9904
- Iscritto il: 03/12/2007, 0:16
- Località: Prov. di Treviso
Re: Modifiche geloso 1020
Ciao Leonardo
Se non ci sono errori mi pare che il layout sia completo
Un'eventuale inserimento di un Gyrator e/o di un VVR (se interessasse averne uno) non sarebbe aggiunto alla board principale ma su una o più piccole board secondarie
Per il momento pensavo di inserire il Gyrator di fianco alla piccola board con i diodi del PS
Sono ancora un po' perplesso sull'opportunità di collocare lo switch del Bias sulla faceplate, anche visto che non è in assoluto un comando da azionare mentre si suona
Franco
Se non ci sono errori mi pare che il layout sia completo
Un'eventuale inserimento di un Gyrator e/o di un VVR (se interessasse averne uno) non sarebbe aggiunto alla board principale ma su una o più piccole board secondarie
Per il momento pensavo di inserire il Gyrator di fianco alla piccola board con i diodi del PS
Sono ancora un po' perplesso sull'opportunità di collocare lo switch del Bias sulla faceplate, anche visto che non è in assoluto un comando da azionare mentre si suona
Franco
-
leonardo giusti
- Diyer

- Messaggi: 170
- Iscritto il: 11/10/2022, 0:21
Re: Modifiche geloso 1020
Ma il vvr sarebbe il trim per regolare la tensione negativa del bias ( che volevamo mettere nel vano che contiene anche le valvole)? Mi sembra di capire che serva per regolare la saturazione delle valvole. Oppure sono due cose diverse?
Per lo switch si potrebbe usare lo stesso il vano che contiene le valvole ( o è troppo fuori mano)?
Per lo switch si potrebbe usare lo stesso il vano che contiene le valvole ( o è troppo fuori mano)?
-
leonardo giusti
- Diyer

- Messaggi: 170
- Iscritto il: 11/10/2022, 0:21
Re: Modifiche geloso 1020
Per il cathode bias, faccio fatica a capirlo. Non individuo gli elementi che citi. Domani mi impegno a capirlo meglio e ti faccio un po’ di domande
- Kagliostro
- Amministratore

- Messaggi: 9904
- Iscritto il: 03/12/2007, 0:16
- Località: Prov. di Treviso
Re: Modifiche geloso 1020
No, non è quello (il pot) che ha a che fare con la regolazione del Bias Fisso ed effettivamente forse non ne abbiamo neanche parlato... il vvr sarebbe il trim per regolare la tensione negativa del bias ...
VVR = Variable Voltage Regoulator = Regolatore Variabile (del) Voltaggio
Serve per ottenere sonorità che si hanno ai massimi volumi a livelli bassi di potenza o, se settato fisso, per abbassare ad un certo livello che si decide l'anodica, un qualcosa di cui probabilmente faremo a meno
In effetti avevo pensato un qualcosa del genere, debbo ragionarci suPer lo switch si potrebbe usare lo stesso il vano che contiene le valvole ( o è troppo fuori mano)?
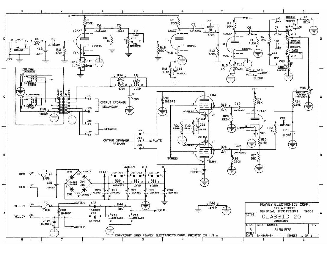
Colpa mia, nel Layout i componenti ci sono, nello schema no, a meno che tu non vada a vederti lo schema del Peavey Classic 20Per il cathode bias, faccio fatica a capirlo. Non individuo gli elementi che citi.
Sono i due resistori (R21 e R22) con condensatore di bypass (C21) che collegano i catodi delle finali a massa
(in più, nella nostra versione, c'è il resistore da 1R per misurare la corrente di Bias misurando la differenza di potenziale ai due capi della resistenza (da 1R), devo ridargli un'occhiata, penso vada bene anche come è nel Layout ma forse dovrei spostare la res da 1R tra le due res in parallelo e massa e non lasciare la res da 1R tra i catodi e le res in parallelo, probabilmente la cosa è ininfluente
Franco
-
leonardo giusti
- Diyer

- Messaggi: 170
- Iscritto il: 11/10/2022, 0:21
Re: Modifiche geloso 1020
Questo è il deviatore fixed bias / cathode bias?
Se si, mi diresti come “guardarlo”. Presumo abbia due ingressi ogni uno dei quali deviabile su due uscite alternative, ma non lo capisco ( eccetto che BIAS PS dovrebbe essere un ingresso)
Altra domanda: le resistenze 0,15 sono 0,15 mega? 150.000?
E 1k5 è 1,5k?
Se si, mi diresti come “guardarlo”. Presumo abbia due ingressi ogni uno dei quali deviabile su due uscite alternative, ma non lo capisco ( eccetto che BIAS PS dovrebbe essere un ingresso)
Altra domanda: le resistenze 0,15 sono 0,15 mega? 150.000?
E 1k5 è 1,5k?
- Kagliostro
- Amministratore

- Messaggi: 9904
- Iscritto il: 03/12/2007, 0:16
- Località: Prov. di Treviso
Re: Modifiche geloso 1020
Il deviatore è quello, un semplice DPDT (Doppio Deviatore)
fai riferimento a questo schema

Le resistenze da 0.15 sono 150K come dici
ed 1K5 = 1.5K
Franco
fai riferimento a questo schema

Le resistenze da 0.15 sono 150K come dici
ed 1K5 = 1.5K
Franco
- Kagliostro
- Amministratore

- Messaggi: 9904
- Iscritto il: 03/12/2007, 0:16
- Località: Prov. di Treviso
Re: Modifiche geloso 1020
Sto raccogliendo pareri sfavorevoli sull'effettivo vantaggio di avere le due opzioni
le scelte, per la maggiore, su un amp con due el84 come finali, vanno verso il Cathode Bias escludendo il Fixed
i più parlano di differenze sottili, ora, se fosse solo per una questione circuitale sarebbe una cosa ma bisogna tener conto dello switch
per passare dall'uno all'altro ed abbiamo visto che, con lo spazio che c'è, posizionarlo necessita anche di ragionarci su
A questo punto la scelta è tua su cosa realizzare, doppio Bias o solo Cathode Bias, se serve risistemo il Layout
Franco
le scelte, per la maggiore, su un amp con due el84 come finali, vanno verso il Cathode Bias escludendo il Fixed
i più parlano di differenze sottili, ora, se fosse solo per una questione circuitale sarebbe una cosa ma bisogna tener conto dello switch
per passare dall'uno all'altro ed abbiamo visto che, con lo spazio che c'è, posizionarlo necessita anche di ragionarci su
A questo punto la scelta è tua su cosa realizzare, doppio Bias o solo Cathode Bias, se serve risistemo il Layout
Franco
Re: Modifiche geloso 1020
Ciao Franco,
secondo me, un po' come sempre, dipende da cosa si vuole ottenere.
É vero che le EL84 sono solitamente cathode bias, ma hanno anche solitamente un circuito più semplice a monte.
Con un circuito high gain io punterei ad un mixed o anche solo fixed bias, perchè ti permette di avere più dinamica e gestisce meglio un eventuale feedback. Anzi, prenderei come spunto il fatto che sono solo EL84 per stupire con la spinta che possono dare, dando un occhio anche all'equalizzazione per dare filo da torcere ad ampli più potenti.
secondo me, un po' come sempre, dipende da cosa si vuole ottenere.
É vero che le EL84 sono solitamente cathode bias, ma hanno anche solitamente un circuito più semplice a monte.
Con un circuito high gain io punterei ad un mixed o anche solo fixed bias, perchè ti permette di avere più dinamica e gestisce meglio un eventuale feedback. Anzi, prenderei come spunto il fatto che sono solo EL84 per stupire con la spinta che possono dare, dando un occhio anche all'equalizzazione per dare filo da torcere ad ampli più potenti.
- Kagliostro
- Amministratore

- Messaggi: 9904
- Iscritto il: 03/12/2007, 0:16
- Località: Prov. di Treviso
Re: Modifiche geloso 1020
Si, il discorso i sta tutto
Anche un mixed ci sta tutto, basterebbe che esattamente sapessi come arrangiare i valori, cosa che, purtroppo, non so fare
Per me la versione switchabile è già pronta, non devo fare modifiche
Franco
Anche un mixed ci sta tutto, basterebbe che esattamente sapessi come arrangiare i valori, cosa che, purtroppo, non so fare
Per me la versione switchabile è già pronta, non devo fare modifiche
Franco
-
leonardo giusti
- Diyer

- Messaggi: 170
- Iscritto il: 11/10/2022, 0:21
Re: Modifiche geloso 1020
Io mi rimetto innanzitutto al vostro parere.
Quindi direi no switch.
Quale bias scegliere? Il mixed comporta lavoro a Franco (e già ne ha fatto un sacco), La scelta è tra fixed e cathode. Robi dice fixed. Decidi tu Franco che del progetto sei l’autore.
Quindi direi no switch.
Quale bias scegliere? Il mixed comporta lavoro a Franco (e già ne ha fatto un sacco), La scelta è tra fixed e cathode. Robi dice fixed. Decidi tu Franco che del progetto sei l’autore.
- Kagliostro
- Amministratore

- Messaggi: 9904
- Iscritto il: 03/12/2007, 0:16
- Località: Prov. di Treviso
Re: Modifiche geloso 1020
Roberto che dici andiamo di solo Fixed ?
Franco
Franco
Re: Modifiche geloso 1020
Ciao Franco, è semplicissimo: guardi che resistenza metteresti sui catodi delle finali, poi decidi che percentuale di tale valore tenere, ed il resto della tensione (data dalla corrente a riposo delle finali per la resistenza tolta al catodo) da dare via fixed bias.Kagliostro ha scritto: ↑03/03/2023, 12:20Anche un mixed ci sta tutto, basterebbe che esattamente sapessi come arrangiare i valori, cosa che, purtroppo, non so fare
Re: Modifiche geloso 1020
Per me si può fare! al posto dello switch si può mettere ad esempio un controllo di feedback regolabile tramite potenziometro, per dare più versatilità al finale.
Re: Modifiche geloso 1020
Chiaramente è solo un'idea, volendo si può far suonare senza feedback, o con un valore fisso di feedback!
