Sostieni il forum con una donazione! Il tuo contributo ci aiuterà a rimanere online!
Immagine

Modifiche geloso 1020

...per cercare o proporre modifiche agli amplificatori
Avatar utente
Kagliostro
Amministratore
Amministratore
Messaggi: 9958
Iscritto il: 03/12/2007, 0:16
Località: Prov. di Treviso

Re: Modifiche geloso 1020

Messaggio da Kagliostro » 07/04/2018, 18:07

Adesso che ho un poco di tempo ...

Come vuoi arrangiare le cose, con il controllo toni dopo il secondo o il terzo triodo ?

Ed anche, vuoi provare per il momento il controllo toni o ti andrebbe anche di provare un diverso arrangiamento del pre nel suo insieme

(si tratterebbe di qualche cap e resistenza, che se devi fare un ordine sarebbe assurdo doverne poi rifare un'altro ....)

K

p.s.: Ecco la mia di fonovaligia, son riuscito anche a lucidare le parti ottonate (cerniere, borchie, chiusura)












Stevenson
Elettrone Impazzito
Elettrone Impazzito
Messaggi: 37
Iscritto il: 22/03/2018, 17:00

Re: Modifiche geloso 1020

Messaggio da Stevenson » 07/04/2018, 22:41

Scusa il ritardo ma mi raccomando.. Fai con calma... Quando hai tempo e voglia! per il controllo toni perdonami ma non saprei...delucidami un attimo! Per le altre modifiche se non stravolgono troppo il circuito perché no!
PS...ottimo lavoro! Complimenti davvero :cool1:

Avatar utente
Kagliostro
Amministratore
Amministratore
Messaggi: 9958
Iscritto il: 03/12/2007, 0:16
Località: Prov. di Treviso

Re: Modifiche geloso 1020

Messaggio da Kagliostro » 07/04/2018, 23:57

Potrebbe essere una cosa più o meno così (nota che non ho inventato nulla, il pre è copiato ....)



il controllo toni può anche essere diverso da quello indicato

------
in alternativa

magari potresti provare uno di quelli che avevo postato sulla stessa posizione in cui adesso c'è quel controllo toni "minimalista"
(tra V2 e V3)

e se la modifica ti basta ti fermi, se invece vuoi rifare tutto il pre, allora ......

:bye1:

K
Allegati
Geloso G 1020 A Modificato.jpg

Stevenson
Elettrone Impazzito
Elettrone Impazzito
Messaggi: 37
Iscritto il: 22/03/2018, 17:00

Re: Modifiche geloso 1020

Messaggio da Stevenson » 08/04/2018, 0:34

:Gra_1: che dire? :pardon1:
Direi che ho materiale e input per sperimentare :ok_1:

Stevenson
Elettrone Impazzito
Elettrone Impazzito
Messaggi: 37
Iscritto il: 22/03/2018, 17:00

Re: Modifiche geloso 1020

Messaggio da Stevenson » 08/04/2018, 0:35

Ovviamente ti faccio sapere come procede :numb1:

Stevenson
Elettrone Impazzito
Elettrone Impazzito
Messaggi: 37
Iscritto il: 22/03/2018, 17:00

Re: Modifiche geloso 1020

Messaggio da Stevenson » 08/04/2018, 10:21

Interessante il pre modificato.. ma così facendo dovrei aggiungere una valvola rispetto all'originale.

Avatar utente
Kagliostro
Amministratore
Amministratore
Messaggi: 9958
Iscritto il: 03/12/2007, 0:16
Località: Prov. di Treviso

Re: Modifiche geloso 1020

Messaggio da Kagliostro » 08/04/2018, 13:00

.... .. ma così facendo dovrei aggiungere una valvola rispetto all'originale.
No, dove ? Nessuna valvola da aggiungere

Ogni 12ax7 ha due triodi, il pre ne usa 3, la PI (che è una concertina) ne usa uno, totale 4 triodi = 2 valvole 12ax7 che già ci sono ....

IMG_20180322_160454.png
IMG_20180322_160454.png (101.21 KiB) Visto 9722 volte
IRovxC2.jpg
K

Stevenson
Elettrone Impazzito
Elettrone Impazzito
Messaggi: 37
Iscritto il: 22/03/2018, 17:00

Re: Modifiche geloso 1020

Messaggio da Stevenson » 08/04/2018, 15:16

:ops: perdonami... Mi ero appena alzato [icon_e_biggrin.gif]

leonardo giusti
Diyer
Diyer
Messaggi: 170
Iscritto il: 11/10/2022, 0:21

Re: Modifiche geloso 1020

Messaggio da leonardo giusti » 01/12/2022, 2:10

salve, avendo un geloso 1020 in buone condizioni vorrei anch'io apportare le modifiche indicate da Kagliostro. Non sono agilissimo nell'elettrotecnica e quindi vi faccio qualche domanda. quando si parla della necessità di sostituire i vecchi elettrolitici, si intende che TUTTI i vecchi condensatori devono essere tolti e messi nuovi? inoltre ho un'incomprensione nello schema elettrico delle modifiche da apportare, vedo cioè due resistenze che non riportano indicato il valore e non capisco dove vadano a collegarsi (presumo che la risposta possa essere banale, ma abbiate pazienza). allego lo schema con i dubbi indicati in rosso. grazie a chi potrà rispondermi.
modifica completa geloso buona con domande.jpg

Avatar utente
Kagliostro
Amministratore
Amministratore
Messaggi: 9958
Iscritto il: 03/12/2007, 0:16
Località: Prov. di Treviso

Re: Modifiche geloso 1020

Messaggio da Kagliostro » 01/12/2022, 17:01

Ciao Leonardo

Come dicevo nel post, il pre è copiato, le due resistenze sarebbero parte della sua alimentazione ed il valore dipende da che anodica parti (e mancano dei cap di filtro)

Purtroppo, dopo così tanto tempo, non ricordo più da dove ho copiato il pre, in ogni caso possiamo ripartire da .... TRE (cit. Troisi) :face_green:

nel senso che la parte alimentatore e finali già sappiamo cosa sono, TU è già al suo posto e abbiamo 330V di anodica

a questo punto .... si può vedere di completare quello che, in effetti, era solo uno spunto

Tu a che livello tra 1 e 10 ti metteresti con lo smanettamento delle valvole ?

Ciao

K

leonardo giusti
Diyer
Diyer
Messaggi: 170
Iscritto il: 11/10/2022, 0:21

Re: Modifiche geloso 1020

Messaggio da leonardo giusti » 01/12/2022, 22:44

riesco a seguire uno schema elettrico tipo quello in questione. Riguardo alle valvole ne conosco il funzionamento e come individuare la corrispondenza dei vari pin. Nel caso in questione ogni 12ax7 contiene due triodi, ogniuno sfruttabile singolarmente per scopi diversi. Non so invece capire come le modifiche influenzino il circuito nella sua totalità. Posso quindi eventualmente sperimentare le tue indicazioni ma di mio non saprei modificare l'amplificatore.
ps.: per i vecchi condensatori vanno per sicurezza sostituiti tutti? a parte rimuovere i death caps e mettere la terra

leonardo giusti
Diyer
Diyer
Messaggi: 170
Iscritto il: 11/10/2022, 0:21

Re: Modifiche geloso 1020

Messaggio da leonardo giusti » 01/12/2022, 22:47

quindi livello 2

Avatar utente
Kagliostro
Amministratore
Amministratore
Messaggi: 9958
Iscritto il: 03/12/2007, 0:16
Località: Prov. di Treviso

Re: Modifiche geloso 1020

Messaggio da Kagliostro » 02/12/2022, 17:18

Per i condensatori di sicuro è meglio prevenire cambiando tutti gli elettrolitici, gli altri solo se serve

Oltre al saldatore hai qualche strumento ? Quali ?

K

POST ACCORPATO

Non sono ancora riuscito a determinare l'origine di quel pre ma ho trovato qualcosa che forse potrebbe anche

interessarti

Ti andrebbe un pre VOX AC30 (Top Boost) ? Se si, avrei anche un layout già pronto (basta che elimini un secondo canale presente) da realizzare su una piccola board (torrette o eyelet) e si adatterebbe ai 3 triodi che hai a disposizione

Basta che tu mi dica e te lo preparo e posto

K

POST ACCORPATO

Finalmente sono riuscito a trovare da dove arriva il pre che avevo postato, è un pre disegnato da Merlin ed indicato come pre a guadagno medio, indicato per blues / rock

Le due res senza valore sono sicuramente da considerare per essere le due resistenze da 0.15 (150.000K) con i due condensatori elettrolitici da 16uF (N. 4131) già presenti nello schema originale Geloso, se guardi le vedi sopra al TA

A questo punto cosa vorresti fare ?

K

leonardo giusti
Diyer
Diyer
Messaggi: 170
Iscritto il: 11/10/2022, 0:21

Re: Modifiche geloso 1020

Messaggio da leonardo giusti » 02/12/2022, 20:01

come attrezzi ho il saldatore (ma nel caso potrei potrei prendere una piccola stazione saldante ), pompetta per dissaldare, tester (quello lo uso bene in tutte le sue funzioni). conosco la tecnica per creare le basette. questo riguardo alle attrezzature.
quale modifica scegliere? proverei il pre merlin.

Avatar utente
Kagliostro
Amministratore
Amministratore
Messaggi: 9958
Iscritto il: 03/12/2007, 0:16
Località: Prov. di Treviso

Re: Modifiche geloso 1020

Messaggio da Kagliostro » 02/12/2022, 21:01

Quindi un tester, beh, direi che è indispensabile avere almeno quello

Il pre di Merlin ... non credo ci siano problemi, se non che in questo caso ti devi disegnare un layout

se invece fosse stato il VOX AC30 avevo giusto giusto tutto pronto

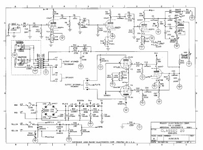
A questo punto, se devi partire senza rete (il Layout), posso sottoporti altre due scelte (decidi sempre tu quello che ti ispira di più)

PEAVEY CLASSIC 20 Dove c'è in aiuto il disegno della PCB
Peavey_classic20.pdf
(453.84 KiB) Scaricato 150 volte
Peavey_classic20_Pagina_1.jpg
Peavey_classic20_Pagina_2.jpg
e

VOX NIGHT TRAIN 15 Forse cercando un layout lo trovi
VOX Night Train 15.pdf
(56.92 KiB) Scaricato 130 volte
VOX Night Train 15.jpg
Dando un'occhiata non trovo layout per il Night Train 15 ma ho trovato il layout del pre del Liverpool, ovviamente c'è anche lo schema, però il liverpool avrebbe la PI che sfrutta 2 triodi, non uno

K

Rispondi