Idea per jcm2203 doppio canale
Re: Idea per jcm2203 doppio canale
Ciao,
Non vedo il cap di cui parlavi.
Non vedo il cap di cui parlavi.
-
giordydiver
- Diyer Esperto

- Messaggi: 278
- Iscritto il: 02/07/2014, 11:29
Re: Idea per jcm2203 doppio canale
io ho postato la sezione del pre per questo non vedi il cap...il cap é messo in parallelo allo switch per il cambio canale, vedi foto.
per il bop, come posso risolvere? no capisco che ce di sbagliato
per il bop, come posso risolvere? no capisco che ce di sbagliato
-
giordydiver
- Diyer Esperto

- Messaggi: 278
- Iscritto il: 02/07/2014, 11:29
Re: Idea per jcm2203 doppio canale
Allora ragionando un po ho pensato a questo...per evitare i bop devo avere un riferimento a massa tramite un alta impedenza e per questo ho messo una resistenza da 2m2, e se questa fosse piccola? Mi spiego meglio io ho una resistenza fissa da 2m2 che mi porta il segnale a massa preceduta da dei potenziometri che sono delle resistenze variabili. un potenziometro quasi chiuso manda il segnale a terra tramite un impedenza bassissima, man mano che apro il potenziometro l'impedenza va aumentando e fa si che non ci sia alcun bop ad un volume maggiore. Ovviamente non suonando il segnale e molto piu basso, quindi anche delle resistenze piu piccole mi risolvono il bop, mentre quando suono il segnale è ovvimante piu alto e ho bisogno du una resistenza molto piu grossa. Regge come ragionamento o sto dicendo una ca@@ata ? Altre possibili soluzioni?
Re: Idea per jcm2203 doppio canale
Questo è chiaro come il sole, per questo ti avevo chiesto di disegnare e postare lo schema dell'ampli, non del pre. Come facciamo ad aiutarti se metti un pezzo di schema da una parte, l'altro la pagina prima, l'altro due pagine prima o in un altro thread?giordydiver ha scritto:io ho postato la sezione del pre per questo non vedi il cap...
-
giordydiver
- Diyer Esperto

- Messaggi: 278
- Iscritto il: 02/07/2014, 11:29
Re: Idea per jcm2203 doppio canale
hai ragione, metto lo schema dell'ampli e dello switch.
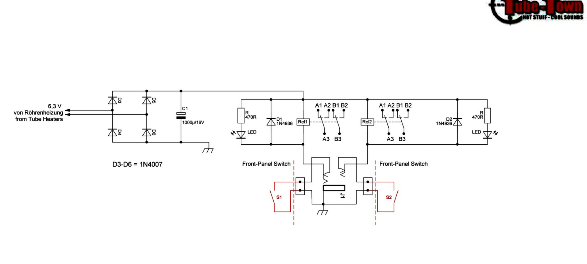
la schedina dello switch come detto prima è quello di tube town, le uniche mod che ho fatto sono il cap in parallelo allo switch e i due rele che funzionano insieme ( ho unito il tap e il ring del jack)
la schedina dello switch come detto prima è quello di tube town, le uniche mod che ho fatto sono il cap in parallelo allo switch e i due rele che funzionano insieme ( ho unito il tap e il ring del jack)
-
giordydiver
- Diyer Esperto

- Messaggi: 278
- Iscritto il: 02/07/2014, 11:29
Re: Idea per jcm2203 doppio canale
ho provato a sostituire la reistenza prima della phase inverter con una sa 20mega, sulla il problema a bassi volumi sussiste ancora
-
giordydiver
- Diyer Esperto

- Messaggi: 278
- Iscritto il: 02/07/2014, 11:29
Re: Idea per jcm2203 doppio canale
allora , ho cambiato un po il sistema di switch, almeno su carta, ho aggiunto una resistenza come riferimento a massa dopo c14, ho isolato anche il potenziometro del canale clean. ora non so se è necessaria una resistenza come riferimento sulla griglia di v2a( nella foto R1 con punto interrogativo).
cosa ne pensate?
altra cosa, per eliminare un po di bop sto cercando anche di diminuire le interruzioni della dc, nella sezione dei master, pensavo se switchiassi solo gli ingressi e lasciassi le uscite dei due pot sempre collegate? sarebbero al 100% indipendenti oppure si influenzerebbero a vicenda?
cosa ne pensate?
altra cosa, per eliminare un po di bop sto cercando anche di diminuire le interruzioni della dc, nella sezione dei master, pensavo se switchiassi solo gli ingressi e lasciassi le uscite dei due pot sempre collegate? sarebbero al 100% indipendenti oppure si influenzerebbero a vicenda?

- mastrococco
- Garzone di Roger Mayer

- Messaggi: 1361
- Iscritto il: 16/01/2012, 14:13
- Località: Cesena
Re: Idea per jcm2203 doppio canale
Ma la griglia di v2a è già riferita dal partitore...
Per i due master se fai l'uscita in comune metti in parallelo le due sezioni verso massa. Inoltre i master sono già disaccoppiati, non c'è continua li.
Per i due master se fai l'uscita in comune metti in parallelo le due sezioni verso massa. Inoltre i master sono già disaccoppiati, non c'è continua li.
-
giordydiver
- Diyer Esperto

- Messaggi: 278
- Iscritto il: 02/07/2014, 11:29
Re: Idea per jcm2203 doppio canale
allora oggi ho avuto un po di tempo per lavorare. come prima cosa ho isolato il gain del canale clean e devo dire che il canale crunch ne ha giovato parecchio. ho messo anche una resistenza a massa dopo c14. provo situazione del bop a basso volume uguale a prima. ho provato quella configurazione di master, quindi switch solo in ingresso e uscite collegate insieme, bop sparito pero i potenziometri non risultano indipendenti. ho quindi riportato la sezione dei due master come prima e rifacendo il cablaggio devo dire che il bop a basso volume è migliorato ma non ancora inesistente. a questo punto deduco che il bop sia dovuto allo switch prima della phase inverter.
altra cosa, adesso alzando il master fa un casino di rumore di fondo (non saprei come definirlo, non è ne hum ne hiss, ma è tipo un insieme) che prima non faceva..ho pensato a qualche massa o saldatura fredda ma le ho rifatte 4 volte e la situazione non cambia.
intanto allego lo schema ordinato di com'è adesso. tengo a precisare che a livello di suono i due canali per quanto mi riguarda suonano benissimo, devo solo risolvere il problema del bop ma adesso devo risolvere soprattutto sto gran casino che fa l'ampli.
metto anche delle foto del wiring e un registrazione audio. nella parte finale della registrazione alzo il master fino a 3 sentire che gran casino che fa.
aspetto i vostri consigli grazie
altra cosa, adesso alzando il master fa un casino di rumore di fondo (non saprei come definirlo, non è ne hum ne hiss, ma è tipo un insieme) che prima non faceva..ho pensato a qualche massa o saldatura fredda ma le ho rifatte 4 volte e la situazione non cambia.
intanto allego lo schema ordinato di com'è adesso. tengo a precisare che a livello di suono i due canali per quanto mi riguarda suonano benissimo, devo solo risolvere il problema del bop ma adesso devo risolvere soprattutto sto gran casino che fa l'ampli.
metto anche delle foto del wiring e un registrazione audio. nella parte finale della registrazione alzo il master fino a 3 sentire che gran casino che fa.
aspetto i vostri consigli grazie
- Allegati
-
- JCM800 2203.pdf
- (82.37 KiB) Scaricato 334 volte
-
giordydiver
- Diyer Esperto

- Messaggi: 278
- Iscritto il: 02/07/2014, 11:29
Re: Idea per jcm2203 doppio canale
scusate il doppio post ma non riesco ad inserire tutto in un post
purtroppo l'audio fa schifo..
purtroppo l'audio fa schifo..
- mastrococco
- Garzone di Roger Mayer

- Messaggi: 1361
- Iscritto il: 16/01/2012, 14:13
- Località: Cesena
Re: Idea per jcm2203 doppio canale
La resistenza da 20M secondo me non serve perchè quel tratto è già riferito dal partitore che sta a monte...Così cambi il valore del partitore mettendo una 20M in parallelo alla seconda res.
Il perchè i due master non sono indipendenti te l'avevo suggerito sopra...
Per il rumore, ha spostato qualche massa da come le avevi prima? Con molta probabilità se prima della modifica non avevi problemi...il problema è la modifica!
Il perchè i due master non sono indipendenti te l'avevo suggerito sopra...
Per il rumore, ha spostato qualche massa da come le avevi prima? Con molta probabilità se prima della modifica non avevi problemi...il problema è la modifica!
-
giordydiver
- Diyer Esperto

- Messaggi: 278
- Iscritto il: 02/07/2014, 11:29
Re: Idea per jcm2203 doppio canale
bhe l'unica cosa che ho fatto è stato aggiungere la resistenza da 20m dopo c14. comunque sia non riesco a risolvere il problema del bop.
intanto penso di fare una cosa.
come prima cosa, porto la testata nuovamente monocanale e vedo com'è la situazione in termini di sound e rumori di fondo. se la situazione è ok rifaccio il cablaggio per il doppio canale. non verrei che la piastra dei relè messa sopra v1 mi dia un sacco di rumore.
altra cosa, pensavo di modificare lo switch levando i relè e usando gli optoisolatori, almeno evito il problema dei bop e di rumori vari. l'unica cosa che non ho ben capito come funzionano e come fare i collegamenti. mi dareste una mano? pensavo anche di modificare un po l'ampli e farlo più tipo soldano slo, in modo da avere un vero e proprio clean e anche la distorsione mi sembra migliore. pero mi sa che a questo punto se decido di farlo apro un altro post...intanto aspetto fiducioso il vostro aiuto sul bop e su gli optoisolatori e come collegarli
intanto penso di fare una cosa.
come prima cosa, porto la testata nuovamente monocanale e vedo com'è la situazione in termini di sound e rumori di fondo. se la situazione è ok rifaccio il cablaggio per il doppio canale. non verrei che la piastra dei relè messa sopra v1 mi dia un sacco di rumore.
altra cosa, pensavo di modificare lo switch levando i relè e usando gli optoisolatori, almeno evito il problema dei bop e di rumori vari. l'unica cosa che non ho ben capito come funzionano e come fare i collegamenti. mi dareste una mano? pensavo anche di modificare un po l'ampli e farlo più tipo soldano slo, in modo da avere un vero e proprio clean e anche la distorsione mi sembra migliore. pero mi sa che a questo punto se decido di farlo apro un altro post...intanto aspetto fiducioso il vostro aiuto sul bop e su gli optoisolatori e come collegarli
-
giordydiver
- Diyer Esperto

- Messaggi: 278
- Iscritto il: 02/07/2014, 11:29
Re: Idea per jcm2203 doppio canale
Piccolo aggiornamento, mi è venuto in mente di misurare le tensioni delle valvole, c@@@o sono tutte sballate, le anodiche delle pre sono tutte piu basse di circa 60v(160 contro le 218 per v1) ma non capisco perche, prima erano tutte giuste. A questo punto come detto prima porto tutto originale e ricontrollo tensioni e rumori, sistemato questo passo al sistema di swich con optoisolatori. Mi sono documentato un po e non mi sembra difficile come sistema, l'unica cosa che per 4 optoisolatori ci vogliono 35 euro. Per quanto riguarda l'alimentazione va bene se la prendo sempre dal riscaldamento ?
Ci sono cose di cui bisogna tenere conto su gli optoisolatori? Degrado di segnale, trucchetti
Ci sono cose di cui bisogna tenere conto su gli optoisolatori? Degrado di segnale, trucchetti
-
giordydiver
- Diyer Esperto

- Messaggi: 278
- Iscritto il: 02/07/2014, 11:29
Re: Idea per jcm2203 doppio canale
Allora ragazzi oggi ho avuto un po di tempo per fare dei controlli e pensare un po allo schema..
Prima cosa le tensioni delle valvole, controllate tutte e sono ok, tranne v1 al pin 1 dove ho 168v, puo essere causato dal cap da 47p tra anodo e griglia?
Andando al sistema di switch, ho preso spunto dalla slo per alimentazione e sezione dei master, mentre per i gain ho fatto come da schema pero ho molti dubbi perche non conosco gli optoisolatori. Cosa ne dite?
Gli optoisolatori sono i vtl5c1 usati nella slo
Prima cosa le tensioni delle valvole, controllate tutte e sono ok, tranne v1 al pin 1 dove ho 168v, puo essere causato dal cap da 47p tra anodo e griglia?
Andando al sistema di switch, ho preso spunto dalla slo per alimentazione e sezione dei master, mentre per i gain ho fatto come da schema pero ho molti dubbi perche non conosco gli optoisolatori. Cosa ne dite?
Gli optoisolatori sono i vtl5c1 usati nella slo
- mastrococco
- Garzone di Roger Mayer

- Messaggi: 1361
- Iscritto il: 16/01/2012, 14:13
- Località: Cesena
Re: Idea per jcm2203 doppio canale
Per gli optoisolatori non ti so aiutare, non li ho mai usati...domanda cretina: hai provato a togliere la 20M prima di rifare mezzo ampli?

