Ispirazioni per nuovo amp. EL84 6V6 e info varie.
Re: Ispirazioni per nuovo amp. EL84 6V6 e info varie.
Kagliostro, per la modifica del logo non è un problema. Ieri sera ho inviato varie mail a ditte che fanno taglio e piegatura, vediamo che mi dicono!
Da Ros! Grazie! Molto chiaro come schema, lo terrò in forte considerazione!!!!
Da Ros! Grazie! Molto chiaro come schema, lo terrò in forte considerazione!!!!
Re: Ispirazioni per nuovo amp. EL84 6V6 e info varie.
https://www.youtube.com/watch?v=PXfUGBKztco stuzzichiamo un po la fantasia!
- Kagliostro
- Amministratore

- Messaggi: 9956
- Iscritto il: 03/12/2007, 0:16
- Località: Prov. di Treviso
Re: Ispirazioni per nuovo amp. EL84 6V6 e info varie.
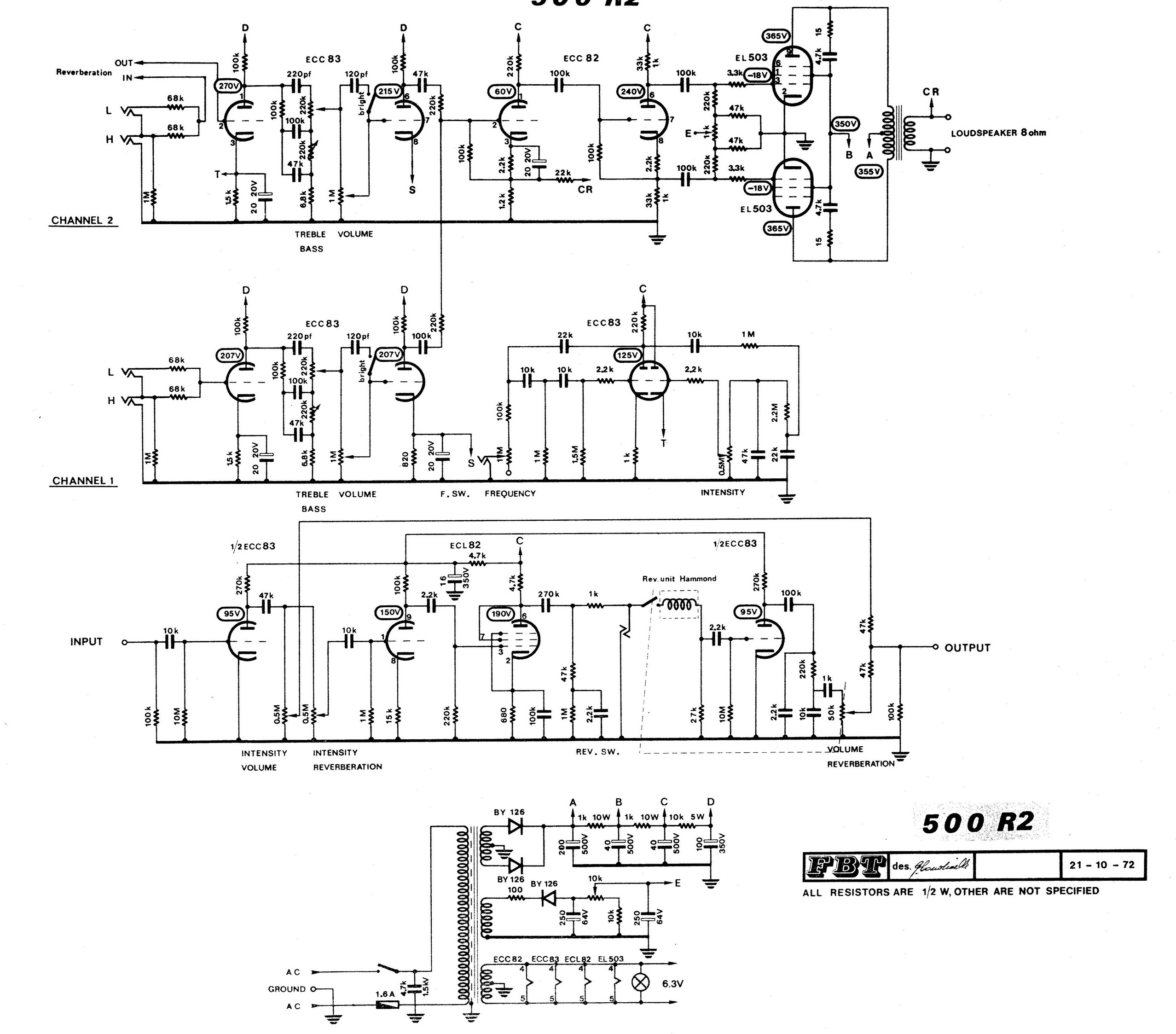
La FBT faceva i suoi amp con reverb a valvole senza il trasformatore
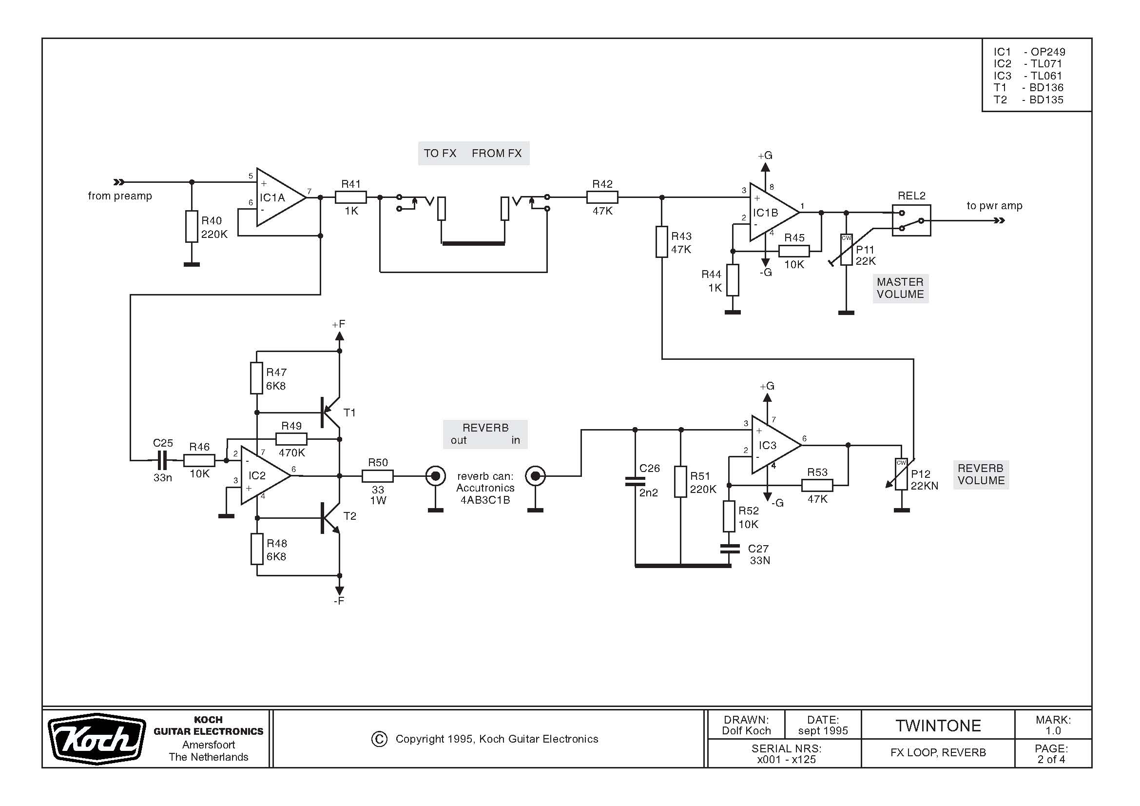
come circuito SS ci sarebbe anche quello del Koch che fa da FXLoop seriale/parallelo o da Reverb
K
come circuito SS ci sarebbe anche quello del Koch che fa da FXLoop seriale/parallelo o da Reverb
K
Re: Ispirazioni per nuovo amp. EL84 6V6 e info varie.
Questo schema è davvero interessante! ma con questo non è possibile avere reverbero e loop insieme, o sbaglio?
- Kagliostro
- Amministratore

- Messaggi: 9956
- Iscritto il: 03/12/2007, 0:16
- Località: Prov. di Treviso
Re: Ispirazioni per nuovo amp. EL84 6V6 e info varie.
Mi pare che il riverbero ci sia se si sta usando il seriale, manca invece se si sta usando il parallelo
Almeno a me così pare
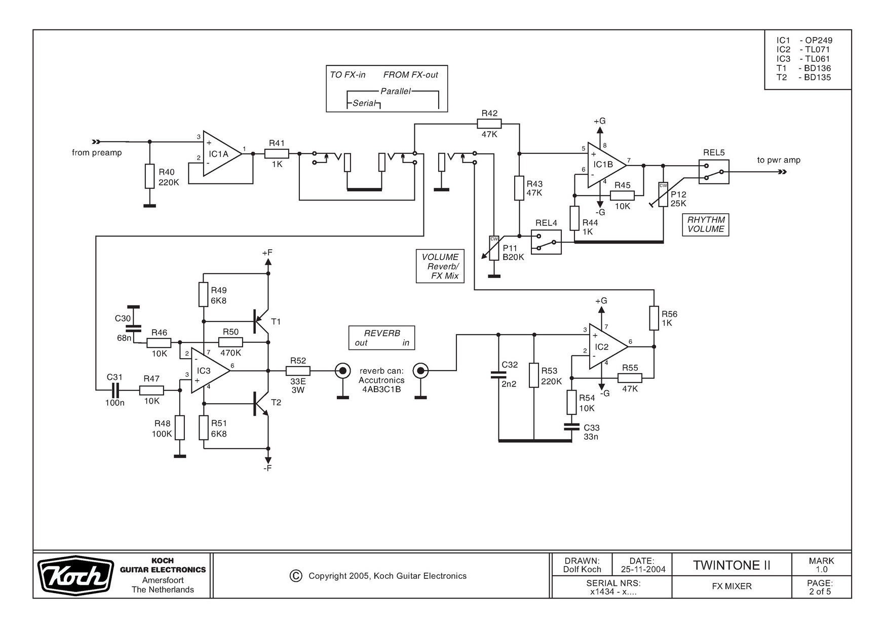
Vedi la differenza risetto al Twintone
K
Almeno a me così pare
Vedi la differenza risetto al Twintone
K
-
MapleMarco
- Roger Mayer Jr.

- Messaggi: 2658
- Iscritto il: 02/06/2012, 14:22
- Località: Mirano (VE)
Re: Ispirazioni per nuovo amp. EL84 6V6 e info varie.
ma....il riverbero nel secondo caso....è plausibile anche realizzarlo a pedale!
scusate per l'oT.....ma ci sto facendo un pensierino
scusate per l'oT.....ma ci sto facendo un pensierino
CHE DIO B'ASSISTA!
Re: Ispirazioni per nuovo amp. EL84 6V6 e info varie.
K, come farei senza di te?!?!?!
L'ultima soluzione che hai proposto è perfetta. Aggiudicata!
A me il loop interessa solo seriale, quindi quella li è davvero perfettissima.
Grazie!
Adesso ho una domanda... Qualcuno si intende di taniche del riverbero?
Ne ho due smontati da amplificatori degli anni 70 ma non so dire se funzionino, o altro... Sono tutte uguali come impedenze o simili?
L'ultima soluzione che hai proposto è perfetta. Aggiudicata!
A me il loop interessa solo seriale, quindi quella li è davvero perfettissima.
Grazie!
Adesso ho una domanda... Qualcuno si intende di taniche del riverbero?
Ne ho due smontati da amplificatori degli anni 70 ma non so dire se funzionino, o altro... Sono tutte uguali come impedenze o simili?
- Kagliostro
- Amministratore

- Messaggi: 9956
- Iscritto il: 03/12/2007, 0:16
- Località: Prov. di Treviso
Re: Ispirazioni per nuovo amp. EL84 6V6 e info varie.
Beh, tuttte uguali ........... NO, anzi, al contrario, ce ne sono di molti tipi
Qui trovi la documentazione che ti interessa (leggiti tutti i link del tread)
http://www.diyitalia.eu/forum/viewtopic ... lla#p99488
K
Qui trovi la documentazione che ti interessa (leggiti tutti i link del tread)
http://www.diyitalia.eu/forum/viewtopic ... lla#p99488
K
Re: Ispirazioni per nuovo amp. EL84 6V6 e info varie.
Grazie, ormai te lo dico almeno 10 volte al giorno!
Partirò da questo progetto, http://www.unet.univie.ac.at/~a9525719/php/amp_ac/en/
Integrerò il loop effetti e il reverbero a SS.
Il MV PPIMV è già integrato, ottimo.
Faccio ancora un paio di confronti con la versione CC2 che secondo me ringhia che è uno spettacolo e poi fine così.
E per ora niente cambi canale o altro.
Per quello sarà un nuovo progetto, diciamo in primavera! :) Ora faccio la lista della spesa per questo!
Partirò da questo progetto, http://www.unet.univie.ac.at/~a9525719/php/amp_ac/en/
Integrerò il loop effetti e il reverbero a SS.
Il MV PPIMV è già integrato, ottimo.
Faccio ancora un paio di confronti con la versione CC2 che secondo me ringhia che è uno spettacolo e poi fine così.
E per ora niente cambi canale o altro.
Per quello sarà un nuovo progetto, diciamo in primavera! :) Ora faccio la lista della spesa per questo!
- Kagliostro
- Amministratore

- Messaggi: 9956
- Iscritto il: 03/12/2007, 0:16
- Località: Prov. di Treviso
Re: Ispirazioni per nuovo amp. EL84 6V6 e info varie.
Il CC2 ha un paio di altre cosette che magari ......
(Detto per inciso, che cani i disegnatori di schemi della Korg, naturalmente parlo del modo in cui disegnano, non dello schema in sè)
Vedi il Channel link (Pre), lo Smoothing Switch (opzioni Vintage/Modern nel PS), il Bias Switch (opzioni Hot/Warm nel finale)
Interessante (e che può risolvere dei problemi di rumore) il circuitino tra il collegamento di massa della board e lo chassis,
lo vedi a destra degli switch Smoothing e Bias.
Come MV quello adottato dal progetto del link che hai indicato può andare, e di sicuro va, magari prima di decidere prova anche
il LarMar http://music-electronics-forum.com/atta ... -m-vol.pdf
(nota che nell'AC30 che è Cathode Bias la res da 33-100k ed il cap tra quella res e le res da 200k non serve -- nel progetto che hai linkato le res da 2.2M tra wiper e pin del pot sono in più, visto che se si scollega il wiper non si perde il bias, sarebbero corrette in un Fixed Bias)
---
Nel progetto che hai linkato sposterei le res da 68k (anche se collegate in modo canonico) dalle prese jack al pin di ingresso delle valvole
Se usi un TU con più secondari potresti scollegare da massa una coppia di valvole per dimezzare la potenza (dovresti spostare lo speaker di presa per mantenere la corretta impedenza riflessa), in alternativa e senza doverti preoccupare di riaggiustare l'impedenza riflessa, potresti mandare a massa le griglie di una coppia di valvole (sistema che userei anche per mettere in Standby l'ampli al posto dei classici Standby che interrompono l'anodica)
K
(Detto per inciso, che cani i disegnatori di schemi della Korg, naturalmente parlo del modo in cui disegnano, non dello schema in sè)
Vedi il Channel link (Pre), lo Smoothing Switch (opzioni Vintage/Modern nel PS), il Bias Switch (opzioni Hot/Warm nel finale)
Interessante (e che può risolvere dei problemi di rumore) il circuitino tra il collegamento di massa della board e lo chassis,
lo vedi a destra degli switch Smoothing e Bias.
Come MV quello adottato dal progetto del link che hai indicato può andare, e di sicuro va, magari prima di decidere prova anche
il LarMar http://music-electronics-forum.com/atta ... -m-vol.pdf
(nota che nell'AC30 che è Cathode Bias la res da 33-100k ed il cap tra quella res e le res da 200k non serve -- nel progetto che hai linkato le res da 2.2M tra wiper e pin del pot sono in più, visto che se si scollega il wiper non si perde il bias, sarebbero corrette in un Fixed Bias)
---
Nel progetto che hai linkato sposterei le res da 68k (anche se collegate in modo canonico) dalle prese jack al pin di ingresso delle valvole
Se usi un TU con più secondari potresti scollegare da massa una coppia di valvole per dimezzare la potenza (dovresti spostare lo speaker di presa per mantenere la corretta impedenza riflessa), in alternativa e senza doverti preoccupare di riaggiustare l'impedenza riflessa, potresti mandare a massa le griglie di una coppia di valvole (sistema che userei anche per mettere in Standby l'ampli al posto dei classici Standby che interrompono l'anodica)
K
Re: Ispirazioni per nuovo amp. EL84 6V6 e info varie.
Sono le 2.18, quindi non connetto molto per quanto riguarda il discorso MV e spostare resistenze o connettori vari,
Ma di sicuro dal CC2 prenderò lo switch per il link dei canali e gli altri due che dicevi tu per la regolazione del tono!
Ma di sicuro dal CC2 prenderò lo switch per il link dei canali e gli altri due che dicevi tu per la regolazione del tono!
Re: Ispirazioni per nuovo amp. EL84 6V6 e info varie.
Dando un'occhiata a mente lucida vedo queste differenze (tra CC2 e il progetto che ho postato):
- res sull'input della prima valvola, la res in griglia è da 33k invece che da 68k
E qui mi fermo, la versione CC2 riporta dei valori completamente differenti rispetto alla versione classica.
Ora sono combattuto...
- res sull'input della prima valvola, la res in griglia è da 33k invece che da 68k
E qui mi fermo, la versione CC2 riporta dei valori completamente differenti rispetto alla versione classica.
Ora sono combattuto...
Re: Ispirazioni per nuovo amp. EL84 6V6 e info varie.
Per tenervi aggiornati, e se qualcuno volesse cimentarsi in questa realizzazione con me, ecco un assaggio del disegno per lo chassis.
Chi volesse il file autocad, può richiederlo!

Chi volesse il file autocad, può richiederlo!
- Kagliostro
- Amministratore

- Messaggi: 9956
- Iscritto il: 03/12/2007, 0:16
- Località: Prov. di Treviso
Re: Ispirazioni per nuovo amp. EL84 6V6 e info varie.
Ho installato da poco Autocad 2014 e sono anni che non uso Autocad
mi farebbe comodo poter avere il dwg per fare un po' di pratica
K
mi farebbe comodo poter avere il dwg per fare un po' di pratica
K
Re: Ispirazioni per nuovo amp. EL84 6V6 e info varie.
Ti mando una mail! :)
