MOD varie Mesa DualRectifier clone
- mastrococco
- Garzone di Roger Mayer
- Messaggi: 1361
- Iscritto il: 16/01/2012, 14:13
- Località: Cesena
Re: MOD varie Mesa DualRectifier clone
Se è testata si potrebbe inserire la documentazione in galleria...che ne dicono i moderatori?
Re: MOD varie Mesa DualRectifier clone
Chiedo scusa, ma in questi mesi sono stato totalmente assente...
Però il 24 aprile mi sono laureato! YEAH!!!
Per chi volesse il progettone, mi mandi un pm con la mail e lo avrà!
:) :) :)
Però il 24 aprile mi sono laureato! YEAH!!!
Per chi volesse il progettone, mi mandi un pm con la mail e lo avrà!
:) :) :)
Re: MOD varie Mesa DualRectifier clone
Ecco il progetto...
Non ho avuto il tempo di controllare, ma dovrebbe esserci tutto!
Non ho avuto il tempo di controllare, ma dovrebbe esserci tutto!
- Allegati
-
- Mesa_Complete.tar.gz
- (1.53 MiB) Scaricato 426 volte
- Kagliostro
- Amministratore
- Messaggi: 9868
- Iscritto il: 03/12/2007, 0:16
- Località: Prov. di Treviso
Re: MOD varie Mesa DualRectifier clone
Ciao Mlessio
ho scaricato il file compresso per dargli un'occhiata ..........
Troppa Grazia, ci sono una marea di files
potresti ricontrollare un po' la cosa e dare qualche indicazione ?
GRAZIE
K
ho scaricato il file compresso per dargli un'occhiata ..........
Troppa Grazia, ci sono una marea di files
potresti ricontrollare un po' la cosa e dare qualche indicazione ?
GRAZIE
K
Re: MOD varie Mesa DualRectifier clone
eh, datemi un paio di giorni... sono aberrato di lavoro! :)
nell'altro post sto per aggiungere lo schema della 800 con le mod sir switchabili. dategli un occhio. tempo 30 secondi!
nell'altro post sto per aggiungere lo schema della 800 con le mod sir switchabili. dategli un occhio. tempo 30 secondi!

Re: MOD varie Mesa DualRectifier clone
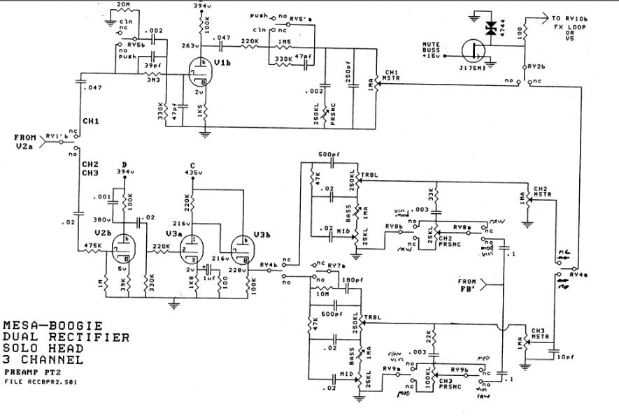
Buongiorno a tutti! riapro questo tread perchè da pochi giorni ho completato questa magnifica testata con una PCB che ho disegnato io e che vorrei condividere con voi a patto di risolvere qualche piccolo problema (per questo sono qui).
Problema 1, un fortissimo hum da massa nel canale pulito (negli altri canali non c'è), ho risolto un po' togliendo i 250pF sul Master volume ma pensavo che la causa fosse il condensatore .001 verso massa presente sul tonestack del pulito (non ne avevo mai visto uno messo li, cosa fa?)
Problema 2 il canale Crunch (Orange) ha molto meno volume del canale Lead (Red) circa la metà, mi aspettavo che ne avesse di meno ma la differenza mi sembra eccessiva.
Allego schemi
Problema 1, un fortissimo hum da massa nel canale pulito (negli altri canali non c'è), ho risolto un po' togliendo i 250pF sul Master volume ma pensavo che la causa fosse il condensatore .001 verso massa presente sul tonestack del pulito (non ne avevo mai visto uno messo li, cosa fa?)
Problema 2 il canale Crunch (Orange) ha molto meno volume del canale Lead (Red) circa la metà, mi aspettavo che ne avesse di meno ma la differenza mi sembra eccessiva.
Allego schemi
Re: MOD varie Mesa DualRectifier clone
Hai qualche foto, così dacapire se ci sia veramente un loop di massa?
Il cap evidenziato taglia gli alti.
Il cap evidenziato taglia gli alti.
Re: MOD varie Mesa DualRectifier clone
ciao Roby, grazie per la risposta, l'ampli funziona e suona davvero bene, avevo pasticciato con i contatti dei relè e quindi il segnale andava erroneamente a massa
Re: MOD varie Mesa DualRectifier clone
Perfetto, quando hai la pcb pronta condividila pure, anche se un thread dedicato!
Re: MOD varie Mesa DualRectifier clone
Bravo!
Anche io sono curioso di vedere la PCB, dato che la mia funziona egregiamente, ma da vedere fa spavento!

Anche io sono curioso di vedere la PCB, dato che la mia funziona egregiamente, ma da vedere fa spavento!


Re: MOD varie Mesa DualRectifier clone
Buona sera a tutti e scusate la mia lunga assenza dal forum.
In allegato il PDF PROVVISORIO della mia testata. e' la seconda versione perchè sulla prima avevo fatto qualche errore e il segnale non usciva correttamente. Nella versione allegata sono stati risolti i problemi maggiori ma NON E' MAI STATA TESTATA. La PCB non contiene la rettifica ma parte direttamente dalla corrente in DC.
La PCB è pensata per un finale 2x EL84 chatode bias perciò le resistenze da 220k sono direttamente riferite a massa e non al circuito bias.
La foto è della PCB precedente ma rende l'idea
In allegato il PDF PROVVISORIO della mia testata. e' la seconda versione perchè sulla prima avevo fatto qualche errore e il segnale non usciva correttamente. Nella versione allegata sono stati risolti i problemi maggiori ma NON E' MAI STATA TESTATA. La PCB non contiene la rettifica ma parte direttamente dalla corrente in DC.
La PCB è pensata per un finale 2x EL84 chatode bias perciò le resistenze da 220k sono direttamente riferite a massa e non al circuito bias.
La foto è della PCB precedente ma rende l'idea
- Allegati
-
- Dual Rectifier-Model.pdf
- (114.68 KiB) Scaricato 280 volte
Re: MOD varie Mesa DualRectifier clone
Questa la PCB aggiornata e la PCB per un altro amp
- mastrococco
- Garzone di Roger Mayer
- Messaggi: 1361
- Iscritto il: 16/01/2012, 14:13
- Località: Cesena
Re: MOD varie Mesa DualRectifier clone

Che è quella da testare, giusto?
Re: MOD varie Mesa DualRectifier clone
Esatto....Ho seguito più volte lo schema sulla carta e dovrei aver risolto tutti i problemi...Ma si sa...Teoria e pratica nn sempre coincidono :)