scrivo qui per la prima volta anche se qualcuno di Voi ho avuto il piacere di conoscerli in altri siti (guitartribe piuttosto che forumMarshall italiano) ma in questi anni ho sbirciato spesso i vostri progetti.
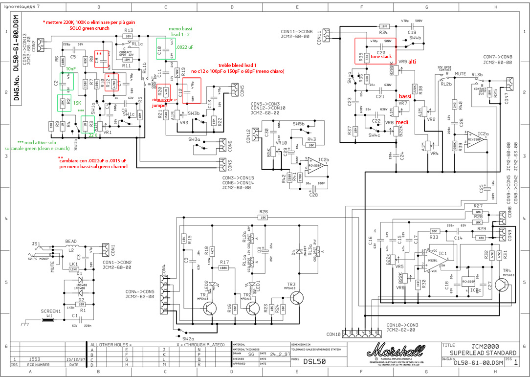
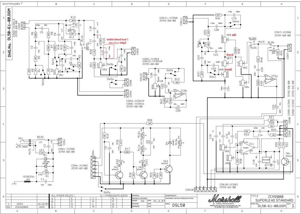
Veniamo al dunque: ho appena acquistato una DSL50 usata...ho già fatto il classico cambio valvole completo (2 Mullard EL34 finali, 2 Tung Sol+1 china e 1 TAD sul pre)...mi accingo a fare la choke mods (sento ovunque che questa modifica porta più un attacco plexy stile alla bestiolina) con una Hammond 194 G (sembra abbia le stesse caratteristiche, 3 H 250 mV della Mercury Magnetics ma costa la metà o quasi). Stamattina ho provato a fare anche la C12 mods: non è altro che levare questo piccolo cap per portare l'eq (che è in comune) più equilibrata su entrambi i canali (clean green e lead1). Al momento l'ho levata, ma credo che farò delle prove con 150pF e 100pF perchè adesso il lead 1 è veramente un po'troppo scuro rispetto al clean.
Fin qui, ci siamo...ora, non sono proprio soddisfatto del suono ancora, perchè sul clean ci sono ancora una valangata di bassi e medi che abbasserei un pochino...riuscite a darmi una mano su dove intervenire?
Posto lo schema pre:
cliccare sull'immagine per vederla a piena risoluzione
Post Accorpato:
riporto le mod che ho trovato in rete in questo schema...che dite?
cliccare sull'immagine per vederla a piena risoluzione Non sono un esperto di elettronica ma il tonestack dovrebbe essere quel'ammasso di
Quello che chiedo , se possibile, che qualcuno mi aiuti a sviluppare queste mods...
grazieeeee
Max

