Sempre legato a quello che ho in casa (dovrò pur smaltire anni di ...."magari mi potrebbe venir utile"
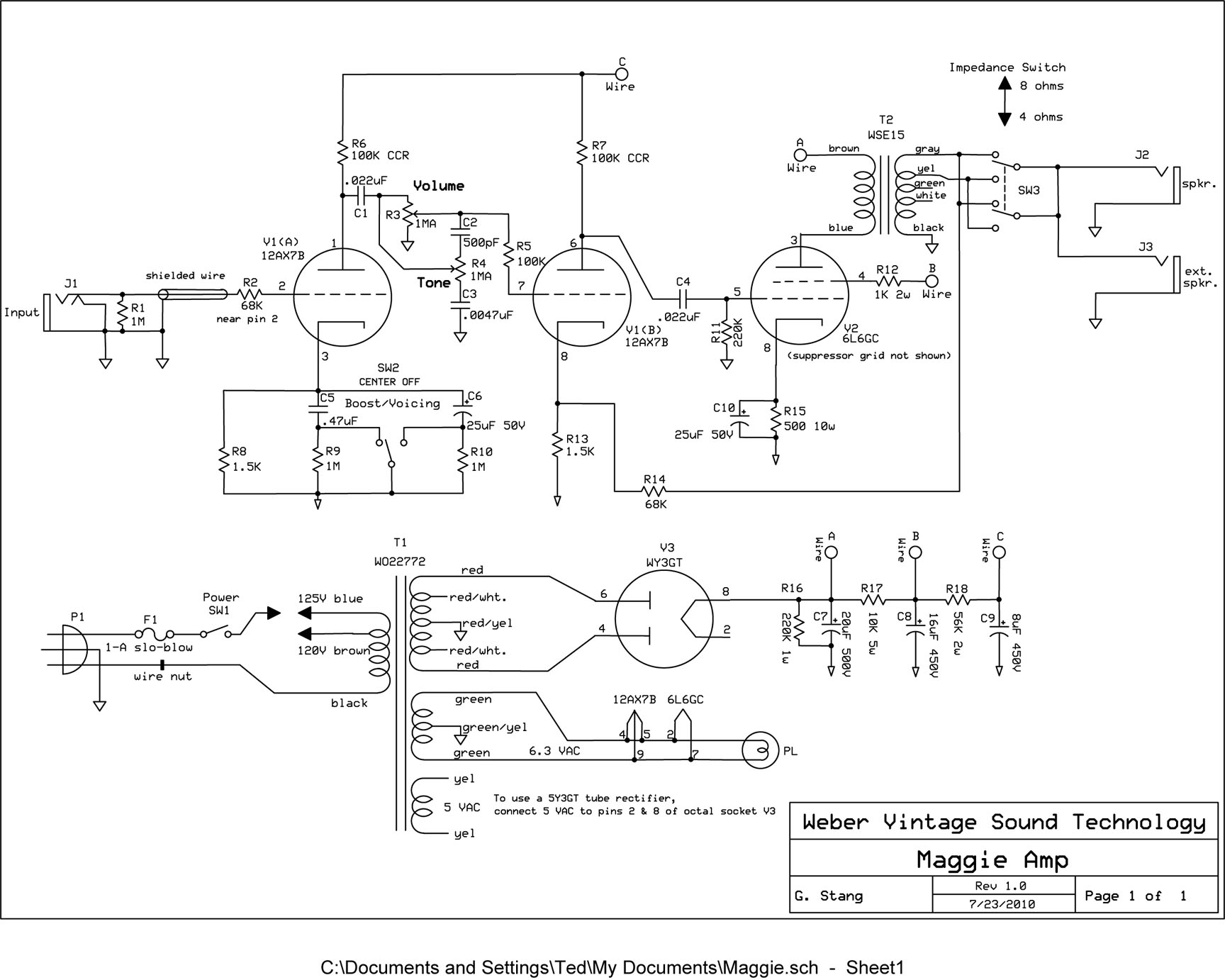
avrei visto questo schema simpatico
l'unico problema sarebbe il trasformatore di alimentazione, perchè quello che avrei ha un solo secondario per l'anodica da 180 volt e i 6,3 volt per i filamenti.....
Ma avrei pensato ad una soluzione con un selettore per l'anodica per duplicare la tensione (di corrente c'è nè in abbondanza)
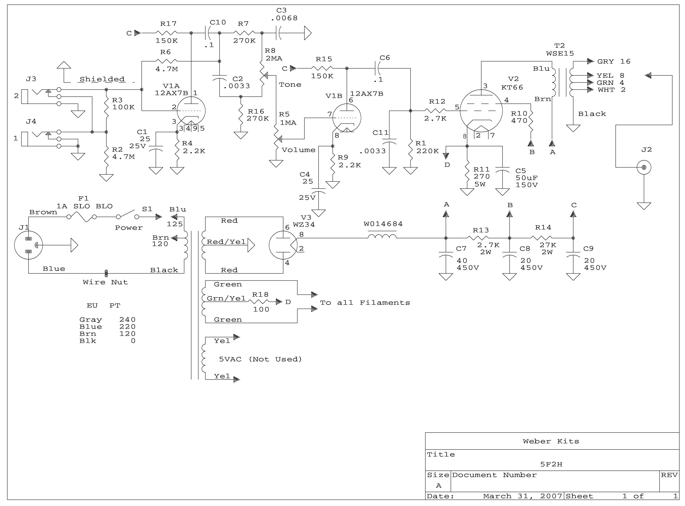
avrei anche trovato questo simpatico schemino......
Che ve ne pare?
Ciao




