Problema logica pedaliera Koch fs4 su powertone 3
Problema logica pedaliera Koch fs4 su powertone 3
Ciao ragazzi,
Ho preso un Koch powertone 3 mi ritrovo un piccolo problematica credo facilmente risolvibile, ma vorrei evitare di fare danno.
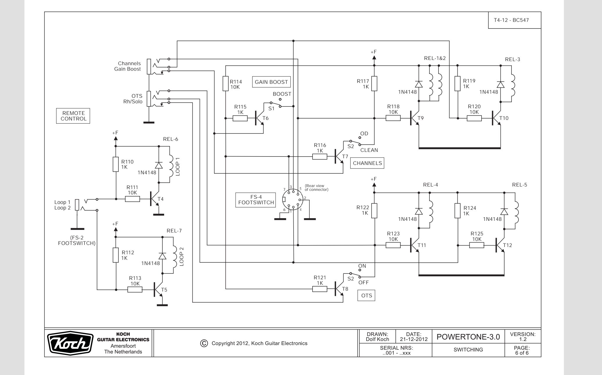
In pratica la pedaliera fs4 c+che nasceva col Koch powertone 2, utilizzabile qui sulla 3,risulta non ottimizzata.
Cinque pulsanti, sul pt2 ' cambia canale 1/2/3/reverb/vol1-2
Sul pt3 dovrebbe cambiare ch 1/2/3/ots(una specie di overdrive posto tra pre e finale) e vol1-2.
Il problema è che mi trovo sul pulsante 1 il canale 3, sul pulsante 2 il canale 1,sul pulsante 3 il canale 2.
Evidentemente qualcosa di nel cablaggio dei pin del connettore din @7 pin è sballato.
Perciò o ricablo i fili sulla pedaliera, o ricablo i fili sul interfaccia connettore scheda madre.
Dovrei capire prima di quali cavi invertire però.
Suggerimenti?
Ho preso un Koch powertone 3 mi ritrovo un piccolo problematica credo facilmente risolvibile, ma vorrei evitare di fare danno.
In pratica la pedaliera fs4 c+che nasceva col Koch powertone 2, utilizzabile qui sulla 3,risulta non ottimizzata.
Cinque pulsanti, sul pt2 ' cambia canale 1/2/3/reverb/vol1-2
Sul pt3 dovrebbe cambiare ch 1/2/3/ots(una specie di overdrive posto tra pre e finale) e vol1-2.
Il problema è che mi trovo sul pulsante 1 il canale 3, sul pulsante 2 il canale 1,sul pulsante 3 il canale 2.
Evidentemente qualcosa di nel cablaggio dei pin del connettore din @7 pin è sballato.
Perciò o ricablo i fili sulla pedaliera, o ricablo i fili sul interfaccia connettore scheda madre.
Dovrei capire prima di quali cavi invertire però.
Suggerimenti?
Re: Problema logica pedaliera Koch fs4 su powertone 3
Un po come Marzullo mi rispondo da solo.
La pedaliera mia è un fs5 mentre qui occorre fs4
La pedaliera mia è un fs5 mentre qui occorre fs4

Re: Problema logica pedaliera Koch fs4 su powertone 3
In pratica, fs4 si tratta di 4 bottoni, fs5 di cinque.
Il bottone uno passa dall off del clean al on del canale 2,mentre il bottone due passa dall off Dell gain all on del gain (canale 2).
Il resto è uguale.
Nel fs5 invece ho i tre momentary button, il primo che corrisponde all attivazione del canale 2 con gain on,
Il secondo corrisponde al canale 1
Il terzo che corrisponde al canale due col gain off
Impossibile accoppiare logica simile?
Il bottone uno passa dall off del clean al on del canale 2,mentre il bottone due passa dall off Dell gain all on del gain (canale 2).
Il resto è uguale.
Nel fs5 invece ho i tre momentary button, il primo che corrisponde all attivazione del canale 2 con gain on,
Il secondo corrisponde al canale 1
Il terzo che corrisponde al canale due col gain off
Impossibile accoppiare logica simile?
Re: Problema logica pedaliera Koch fs4 su powertone 3
La casa madre fa quel che può
- Allegati
-
- FS5 schema mk2.0.pdf
- (34.74 KiB) Scaricato 184 volte
-
- Din connection.pdf
- (756.46 KiB) Scaricato 179 volte
Re: Problema logica pedaliera Koch fs4 su powertone 3
L'idea mia sarebbe questa a tal punto
- Kagliostro
- Amministratore

- Messaggi: 9928
- Iscritto il: 03/12/2007, 0:16
- Località: Prov. di Treviso
Re: Problema logica pedaliera Koch fs4 su powertone 3
Sarebbe possibile scambiare invece delle connessioni ai pulsanti le connessioni alla spina del cavo ?
Se fosse possibile basterebbe costruire con due spinotti volanti maschio e femmina (ed un piccolo spezzone di cavo) un adattatore, in questo modo la pedaliera resterebbe usabile anche sul suo amp di default e con l'adattatore anche sul tuo amp
K
Se fosse possibile basterebbe costruire con due spinotti volanti maschio e femmina (ed un piccolo spezzone di cavo) un adattatore, in questo modo la pedaliera resterebbe usabile anche sul suo amp di default e con l'adattatore anche sul tuo amp
K
Re: Problema logica pedaliera Koch fs4 su powertone 3
È un ottima idea, grazie.Kagliostro ha scritto: ↑23/04/2023, 0:12Sarebbe possibile scambiare invece delle connessioni ai pulsanti le connessioni alla spina del cavo ?
Se fosse possibile basterebbe costruire con due spinotti volanti maschio e femmina (ed un piccolo spezzone di cavo) un adattatore, in questo modo la pedaliera resterebbe usabile anche sul suo amp di default e con l'adattatore anche sul tuo amp
K
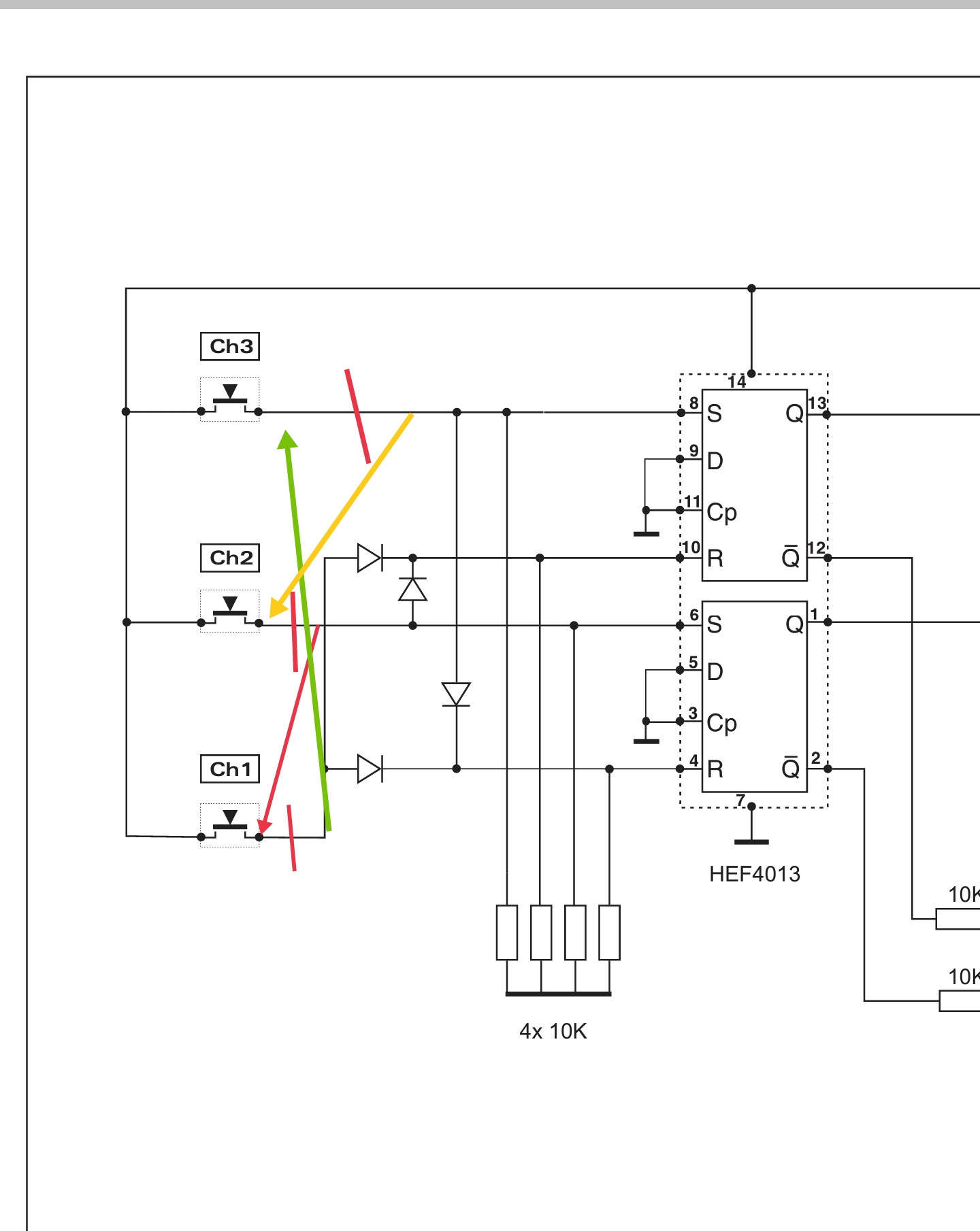
Il mio timore è che la logica di controllo non sia modificabile con una inversione di cavi tra controller (4013) e uscita (scheda madre).
I primi tentativi di modifica dei cavi colorati hanno reso inutilizzabile la pedaliera (pulsanti spenti nessun cambio canale).
Il controller evidentemente nn riesce a gestire i relè sul circuito madre
Per questo l'idea mia era quella brutale di cambiare i collegamenti fisici semplicemente sulla parte terminale tra Switch e controller, illudendo il controller ed il circuito madre di fare esattamente quello che dovrebbero fare adesso.. Ma con una posizione fisica dei tasti differente.
Ovviamente ciò comporterà brutalizzare pcb pedaliera con taglio piste e ponti..
Tra l'altro si fa largo l'idea che la pedaliera fs4 sia decisamente più semplice e meno "logica" come circuito.
Quattro pulsanti, un tasto 1 on off clean/gain, un tasto 2 on off per il gain+ sul canale 2 gain, gli altri due on /off per ots e vol1/2
Re: Problema logica pedaliera Koch fs4 su powertone 3
Curiosando su Google ci si imbatte in cose utili al caso
Re: Problema logica pedaliera Koch fs4 su powertone 3
Credo di aver ottenuto la soluzione più semplice ed immediata.
Invertendo verde w e giallo, ottengo um ordine degli Switch 1/2/3=3/2/1.
Credo sia la cosa più semplice pe nn smadonnare groppo a tornare indietro.
Leggero mentalmente l'ordine dei canali da dx verso sx


Invertendo verde w e giallo, ottengo um ordine degli Switch 1/2/3=3/2/1.
Credo sia la cosa più semplice pe nn smadonnare groppo a tornare indietro.
Leggero mentalmente l'ordine dei canali da dx verso sx



- Kagliostro
- Amministratore

- Messaggi: 9928
- Iscritto il: 03/12/2007, 0:16
- Località: Prov. di Treviso
Re: Problema logica pedaliera Koch fs4 su powertone 3
Io non ho presente come sia la tua pedaliera, detto questo
Non è che potresti fare un foglietto di plastica adesiva colorato per coprire le serigrafie presenti e su quello stamparne una che sia in accordo con le nuove funzioni ?
K
Non è che potresti fare un foglietto di plastica adesiva colorato per coprire le serigrafie presenti e su quello stamparne una che sia in accordo con le nuove funzioni ?
K
Re: Problema logica pedaliera Koch fs4 su powertone 3
La pedaliera è questa.
La tua idea è esattamente quella che avevo in mente
Con una stampante di etichette cambiare iconografia e buonanotte.
Le pedaliere fs4 sono introvabili.
Cmq mi duole ammettere che ormai la qualità di questi amplificatori non è più quella di una volta. Roba cinese..
I vecchi powertone ii avevano dei trafo bestiali, dovrei controllare per vedere marca.
Ne Ho permutato uno per questo modello successivo che commercialmente ovviamente vale di più ma come qualità siamo scesi.
Anche la qualità delle pcb è inferiore.
Mi duole, perché questo marchio era una perla.
La tua idea è esattamente quella che avevo in mente
Con una stampante di etichette cambiare iconografia e buonanotte.
Le pedaliere fs4 sono introvabili.
Cmq mi duole ammettere che ormai la qualità di questi amplificatori non è più quella di una volta. Roba cinese..
I vecchi powertone ii avevano dei trafo bestiali, dovrei controllare per vedere marca.
Ne Ho permutato uno per questo modello successivo che commercialmente ovviamente vale di più ma come qualità siamo scesi.
Anche la qualità delle pcb è inferiore.
Mi duole, perché questo marchio era una perla.
- Kagliostro
- Amministratore

- Messaggi: 9928
- Iscritto il: 03/12/2007, 0:16
- Località: Prov. di Treviso
Re: Problema logica pedaliera Koch fs4 su powertone 3
Per la qualità sonora non so, io non suono e non ho mai sentito un Koch come quello che hai
Per quanto riguarda la dimensione dei trasformatori la cosa potrebbe anche dipendere dal tipo di lamierini usati, ci sono dei nuovi materiali a granuli orientati che consentono di ridurre le dimensioni rispetto i materiali usati in passato
K
Per quanto riguarda la dimensione dei trasformatori la cosa potrebbe anche dipendere dal tipo di lamierini usati, ci sono dei nuovi materiali a granuli orientati che consentono di ridurre le dimensioni rispetto i materiali usati in passato
K
Re: Problema logica pedaliera Koch fs4 su powertone 3
Ciao, dipende anche dal suono che vuoi dare. Trasformatori piccoli possono suonare più caldi perché danno più armoniche in basso, a scapito della pacca. Non é una cosa negativa. Vedi Engl.
Re: Problema logica pedaliera Koch fs4 su powertone 3
Kagliostro ha scritto: ↑24/04/2023, 9:19Per la qualità sonora non so, io non suono e non ho mai sentito un Koch come quello che hai
Per quanto riguarda la dimensione dei trasformatori la cosa potrebbe anche dipendere dal tipo di lamierini usati, ci sono dei nuovi materiali a granuli orientati che consentono di ridurre le dimensioni rispetto i materiali usati in passato
K
Guarda.. Possiedo un po' di tutto.. Dual rectifier, mark v , Marshall jvm410 e vintage modern , engl retrotube, soldano.
Ma il "grind" chiamiamolo così, della powertone II, io nn lo trovo altrove.
Con 4*6550, non è tanto la botta che impressiona(per quella la dual rectifier scassa l. Addome).. Ma quanto quel senso di potenza.. Molto simile al sound che trovi negli album che spesso sono effettati con doppia registrazione sulla stessa traccia.
Il suono engl è più secco.. Duro ma tagliente, il Marshall ed il soldano sono grossi.. Pacioccosi( anche se la jvm410 si avvicina a sonorità più moderne).
Insomma.. Il powertone ii va provato.
Della Koch possiedono un vecchio twintone che per rockeggiare è perfetto.
Una supernova, che è un opera di ingegneria Electronica moderna ma priva di carattere.. Mille funzioni mille Switch ma pecca di essenza (e m rifiuto di metterci mano perché è troppo complicata a. Livello di tensioni e smanettarci manda in flickering i relè)
Questa powertone mark 3 mi incuriosiva ma manca di carattere.
E la costruzione mi ha deluso

