Laboga mr HECTOR
Laboga mr HECTOR
Eccomi.. Ogni tanto torna voglia di smanettare.
Alle prese con un occasione, che purtroppo è stato spedito in modo non efficiente dal negozio (valvole distrutte), nell attesa del nuovo set di valvole, mi sono indaffarato nell aprire amp e dare un check.
Ammetto che la sensazione è contrastante :
Qualità artigianale della scheda, ma componentistica dozzinale.
Mi chiedo se qualche intervento possa dare maggiore smacco a questo amplificatore.
Lho provato, in ogni caso, con delle vecchie 6l6 che avevo a casa : rettifica a diodi (in attesa di nuove rettificatrici), l amp suona come dovrebbe, canale clean freddino, distorsione dura e spigoloso, ma ottima dinamica) abbassando il volume della chitarra si passa ad un semi clean anche su canale distorto)
Consigli?
Alle prese con un occasione, che purtroppo è stato spedito in modo non efficiente dal negozio (valvole distrutte), nell attesa del nuovo set di valvole, mi sono indaffarato nell aprire amp e dare un check.
Ammetto che la sensazione è contrastante :
Qualità artigianale della scheda, ma componentistica dozzinale.
Mi chiedo se qualche intervento possa dare maggiore smacco a questo amplificatore.
Lho provato, in ogni caso, con delle vecchie 6l6 che avevo a casa : rettifica a diodi (in attesa di nuove rettificatrici), l amp suona come dovrebbe, canale clean freddino, distorsione dura e spigoloso, ma ottima dinamica) abbassando il volume della chitarra si passa ad un semi clean anche su canale distorto)
Consigli?
- Allegati
-
- laboga_mr_hector_sch (1).pdf
- (1.63 MiB) Scaricato 219 volte
- Kagliostro
- Amministratore

- Messaggi: 9904
- Iscritto il: 03/12/2007, 0:16
- Località: Prov. di Treviso
Re: Laboga mr HECTOR
Ciao
Stavo quasi per dire qualcosa sul fatto che una prova con diodi SS rende in modo diverso da diodi sotto vuoto ma mi sono accorto che è nelle opzioni dell' amp, quindi in pratica sai già come sarà almeno in quel settaggio l'amp
Non so se qualcuno lo conosca e sappia di mod provate e confermate
Forse, comunque, qualcuno potrebbe aiutarti
K
Stavo quasi per dire qualcosa sul fatto che una prova con diodi SS rende in modo diverso da diodi sotto vuoto ma mi sono accorto che è nelle opzioni dell' amp, quindi in pratica sai già come sarà almeno in quel settaggio l'amp
Non so se qualcuno lo conosca e sappia di mod provate e confermate
Forse, comunque, qualcuno potrebbe aiutarti
K
Re: Laboga mr HECTOR
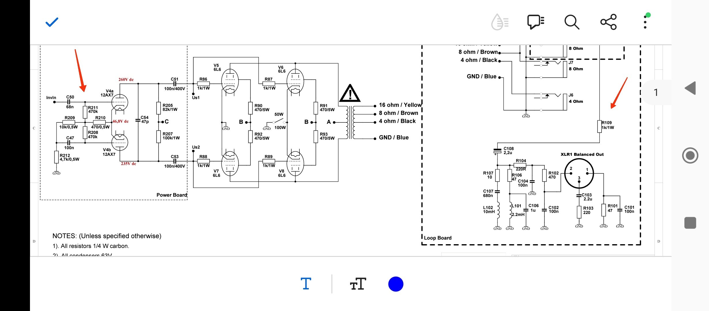
Cambiare resistenze e condensatori nel circuito di segnale, con qualcosa di qualità, reputate possa avere un senso?
- Kagliostro
- Amministratore

- Messaggi: 9904
- Iscritto il: 03/12/2007, 0:16
- Località: Prov. di Treviso
Re: Laboga mr HECTOR
Ci vorrebbe qualcuno che conosca l'amplificatore, cambiare cap con altri di buona qualità potrebbe anche essere un' opzione ma va valutato da chi conosce l' amp se poi la spesa in soldini e lavoro valga la fatica
Magari qualcuno più esperto di me potrebbe suggerire delle mod, purtroppo non io
K
Magari qualcuno più esperto di me potrebbe suggerire delle mod, purtroppo non io
K
Re: Laboga mr HECTOR
Ok grazie.
Nel frattempo ne approfitto per una questione più pratica :
Di serie l amp montava rettificatrici 5p3s che sono andate in frantumi.
Oggi ho provato a montare delle 5u4gb, prese dalla di al rectified, ed il trasformatore di alimentazione ronzava abbastanza fastidiosamente.
Devo temere il peggio?
Le 5u4gb non sono nuove, ma a memoria non davano problemi nella Dual Rectifier.
Da quello che ho letto, la 5p3s è compatibile con 5U4G, di cui la 5u4gb è evoluzione.
Pensare che l'uscita 5v del trasformatore sia corrotta mi pare assurdo ma non impossibile .... non capisco cosa non va.
Sbaglio nel credere che che siano intercambiabili le due tipologie di valvole rettifica?
Suggerimenti?
Nel frattempo ne approfitto per una questione più pratica :
Di serie l amp montava rettificatrici 5p3s che sono andate in frantumi.
Oggi ho provato a montare delle 5u4gb, prese dalla di al rectified, ed il trasformatore di alimentazione ronzava abbastanza fastidiosamente.
Devo temere il peggio?
Le 5u4gb non sono nuove, ma a memoria non davano problemi nella Dual Rectifier.
Da quello che ho letto, la 5p3s è compatibile con 5U4G, di cui la 5u4gb è evoluzione.
Pensare che l'uscita 5v del trasformatore sia corrotta mi pare assurdo ma non impossibile .... non capisco cosa non va.
Sbaglio nel credere che che siano intercambiabili le due tipologie di valvole rettifica?
Suggerimenti?
- Kagliostro
- Amministratore

- Messaggi: 9904
- Iscritto il: 03/12/2007, 0:16
- Località: Prov. di Treviso
Re: Laboga mr HECTOR
Ciao, adesso non posso consultare datasheet (per questioni di tempo disponibile), più tardi dò un' occhiata e ti dico
Se il TA ronza potrebbe essere che le 5u4 assorbano troppo dai filamenti, devo vedere i datasheet e poi ne riparliamo
K
Se il TA ronza potrebbe essere che le 5u4 assorbano troppo dai filamenti, devo vedere i datasheet e poi ne riparliamo
K
Re: Laboga mr HECTOR
Kagliostro ha scritto: ↑13/11/2024, 15:43Ciao, adesso non posso consultare datasheet (per questioni di tempo disponibile), più tardi dò un' occhiata e ti dico
Se il TA ronza potrebbe essere che le 5u4 assorbano troppo dai filamenti, devo vedere i datasheet e poi ne riparliamo
K
- Kagliostro
- Amministratore

- Messaggi: 9904
- Iscritto il: 03/12/2007, 0:16
- Località: Prov. di Treviso
Re: Laboga mr HECTOR
Le valvole sono le 5C3S ed il loro consumo per i filamenti può variare da 2.7A a 3.3A (a seconda della valvola) mentre sia che le 5U4G che le 5U4GB per i filamenti richiedono 3.0A, detto questo parrebbe che non ci sia un sovra assorbimento ai filamenti dovuto al cambio di tipo di rettificatrice e quindi la vibrazione del TA non parrebbe legata a questo
Se proprio vuoi, misura quanta corrente stanno assorbendo le due raddrizzatrici che hai e magari fa anche dei controlli della tensione sull'avvolgimento a 5V (solo l'avvolgimento senza collegare l'anodica) sia a vuoto che con le valvole inserite
K
Se proprio vuoi, misura quanta corrente stanno assorbendo le due raddrizzatrici che hai e magari fa anche dei controlli della tensione sull'avvolgimento a 5V (solo l'avvolgimento senza collegare l'anodica) sia a vuoto che con le valvole inserite
K
Re: Laboga mr HECTOR
Grazie milleKagliostro ha scritto: ↑13/11/2024, 20:26Le valvole sono le 5C3S ed il loro consumo per i filamenti può variare da 2.7A a 3.3A (a seconda della valvola) mentre sia che le 5U4G che le 5U4GB per i filamenti richiedono 3.0A, detto questo parrebbe che non ci sia un sovra assorbimento ai filamenti dovuto al cambio di tipo di rettificatrice e quindi la vibrazione del TA non parrebbe legata a questo
Se proprio vuoi, misura quanta corrente stanno assorbendo le due raddrizzatrici che hai e magari fa anche dei controlli della tensione sull'avvolgimento a 5V (solo l'avvolgimento senza collegare l'anodica) sia a vuoto che con le valvole inserite
K
La tensione è stata uno dei primi pensieri.. Sembra ok 5v ac abbastanza stabili.
Domani controllo il resto.. Anche se ormai aspetterei le valvole nuove che il negoziante (con molta onesta, va detto, Merula) mi sta rimandando per ovviare al danno della spedizione disastrata
Re: Laboga mr HECTOR
Ciao,
una quindicina di anni fa modificai una Laboga di un amico che aveva l'endorsement.
Non ricordo sinceramente quale modello fosse, ma la pcb non mi sembra fosse troppo diversa, anche se mi pare fosse una tre canali.
Quello che feci fu integrare un potenziometro per bypassare il catodo dello stadio freddo con un condensatore da 220 nF quando si andava sul canale lead: questo permetteva di regolare la quantità di boost sulle frequenze medie. 220 nF venne scelto dopo varie prove per avere il boost nelle frequenze preferite in base al setup.
Per le modifiche, dipende da cosa vuoi ottenere:
Se vuoi sostituire i resistori di anodo (e catodo nei follower) con delle RN65, fallo per diletto personale, senza aspettarti il mondo.
Se vuoi un ampli più morbido, dimezza la capacità sulle griglie schermo delle finali.
Cosa non ti piace al momento?
una quindicina di anni fa modificai una Laboga di un amico che aveva l'endorsement.
Non ricordo sinceramente quale modello fosse, ma la pcb non mi sembra fosse troppo diversa, anche se mi pare fosse una tre canali.
Quello che feci fu integrare un potenziometro per bypassare il catodo dello stadio freddo con un condensatore da 220 nF quando si andava sul canale lead: questo permetteva di regolare la quantità di boost sulle frequenze medie. 220 nF venne scelto dopo varie prove per avere il boost nelle frequenze preferite in base al setup.
Per le modifiche, dipende da cosa vuoi ottenere:
Se vuoi sostituire i resistori di anodo (e catodo nei follower) con delle RN65, fallo per diletto personale, senza aspettarti il mondo.
Se vuoi un ampli più morbido, dimezza la capacità sulle griglie schermo delle finali.
Cosa non ti piace al momento?
Re: Laboga mr HECTOR
Grazie!robi ha scritto: ↑14/11/2024, 9:53Ciao,
una quindicina di anni fa modificai una Laboga di un amico che aveva l'endorsement.
Non ricordo sinceramente quale modello fosse, ma la pcb non mi sembra fosse troppo diversa, anche se mi pare fosse una tre canali.
Quello che feci fu integrare un potenziometro per bypassare il catodo dello stadio freddo con un condensatore da 220 nF quando si andava sul canale lead: questo permetteva di regolare la quantità di boost sulle frequenze medie. 220 nF venne scelto dopo varie prove per avere il boost nelle frequenze preferite in base al setup.
Per le modifiche, dipende da cosa vuoi ottenere:
Se vuoi sostituire i resistori di anodo (e catodo nei follower) con delle RN65, fallo per diletto personale, senza aspettarti il mondo.
Se vuoi un ampli più morbido, dimezza la capacità sulle griglie schermo delle finali.
Cosa non ti piace al momento?
È un ottimo spunto.
L'ampli è un po' troppo "anonimo".. Ha poco carattere.
Dinamica a parte quando non esagero con gain e volumi chitarra .. ha un suono trropo compresso e poco intellegibile.. Poco chiaro ed impastato..
Grazie mille intanto
Re: Laboga mr HECTOR
Avevo pensato anche all aggiunta di un nfb.. Con qualche controllo presence
Idealmente penso che qui andrebbe bene.
Che dite?
Idealmente penso che qui andrebbe bene.
Che dite?
Re: Laboga mr HECTOR
Sto dando un occhiata più dettagliata per studiare. Mi sono accorto di queste due res da 100ohm.
Center tap sulle finali?
Che pensate?
Center tap sulle finali?
Che pensate?
- Kagliostro
- Amministratore

- Messaggi: 9904
- Iscritto il: 03/12/2007, 0:16
- Località: Prov. di Treviso
Re: Laboga mr HECTOR
Scusa, l'mmagine anche aiuta se si conosce l'amp, ma detto così potrebbe essere come no
su che pin sono collegate e dove vanno ? Credo possano essere Ra ed Rb non R75 ed R76 dello schema
No, aspetta, lo sono di sicuro, ci sta anche scritto che sono collegate sul socket di V5
Se sono sui filamenti e vanno a massa, si, ci sta che siano un riferimento di massa fittizio per evitare ronza
K
su che pin sono collegate e dove vanno ? Credo possano essere Ra ed Rb non R75 ed R76 dello schema
No, aspetta, lo sono di sicuro, ci sta anche scritto che sono collegate sul socket di V5
Se sono sui filamenti e vanno a massa, si, ci sta che siano un riferimento di massa fittizio per evitare ronza
K

