Re:Aggiungere loop effetti su jcm 800 monocanale...Help me!! :-(
-
Adriansmith90
- Neutrino

- Messaggi: 22
- Iscritto il: 24/01/2009, 1:04
Aggiungere loop effetti su jcm 800 monocanale...Help me!! :-(
Ciao a tutti diyers! Mi chiamo Fabio e sono della provincia di Foggia, diciamo che sono abbastanza nuovo su questo sito perchè nonostante è da un pò che sono registrato ho scritto putrroppo pochissimi post! Questa volta invoco aiuto
a tutti coloro esperti che abbiano o che sappiano modificare un jcm 800 monocanale combo dell'85 come il mio! è davvero impossibile gestirlo senza loop effetti!
se qualcuno MOLTO gentile
mi potrebbe magari passare uno schema molto dettagliato tipo quello di tonepad con il layout della board e dove collegare i fili sull'amp gli sarò grato a vita!
A dimenticavo raga nello schema vorrei metterci anche uno switch in modo che quando non lo uso appunto il loop effetti posso disattivarlo; ed inoltre il loop effetti vorrei farlo valvolare perchè mi dicono che è molto migliore.... dei di diyItalia vi imploro aiuto!!! :)

Re:Aggiungere loop effetti su jcm 800 monocanale...Help me!! :-(
Potresti copiare lo schema di un loop presente su altre testate marshall, ad es. la 6500 Limited Edition...
Non esiste un loop effetti copia incolla con anche i collegamenti gia' fatti solo da ricopiare e fare paro paro!!!
Puoi comunque cercare di isolare la pcb del loop di altri ampli (ne trovi in giro tanti con un loop che fa al caso tuo) e ricollegarlo al tuo ampli seguendo lo schema, e se hai bisogno ti diamo una mano a farlo.
Non esiste un loop effetti copia incolla con anche i collegamenti gia' fatti solo da ricopiare e fare paro paro!!!
Puoi comunque cercare di isolare la pcb del loop di altri ampli (ne trovi in giro tanti con un loop che fa al caso tuo) e ricollegarlo al tuo ampli seguendo lo schema, e se hai bisogno ti diamo una mano a farlo.
Live another day, climb a little higher, find another reason to stay...
Re:Aggiungere loop effetti su jcm 800 monocanale...Help me!! :-(
inoltre, scusate la banalità, il loop più trasparente possibile è quello sempre inserito. 
Adoro le donne con un passato, e gli uomini con un futuro.
-
Adriansmith90
- Neutrino

- Messaggi: 22
- Iscritto il: 24/01/2009, 1:04
Re:Aggiungere loop effetti su jcm 800 monocanale...Help me!! :-(
già raga avrei proprio bisogno di una mano:( allora vi sono sincero...non ho mai messo mani su un ampHades ha scritto: Potresti copiare lo schema di un loop presente su altre testate marshall, ad es. la 6500 Limited Edition...
Non esiste un loop effetti copia incolla con anche i collegamenti gia' fatti solo da ricopiare e fare paro paro!!!
Puoi comunque cercare di isolare la pcb del loop di altri ampli (ne trovi in giro tanti con un loop che fa al caso tuo) e ricollegarlo al tuo ampli seguendo lo schema, e se hai bisogno ti diamo una mano a farlo.
Re:Aggiungere loop effetti su jcm 800 monocanale...Help me!! :-(
Prendendo per buono che questo loop funzioni... Lo devi collegare fra l'uscita del tuo pre e l'ingresso del finale.
Mi dici quale versione hai della JCM800? Non tutte sono uguali, e per darti un consiglio preciso dovrei anche avere un modello preciso.
Mi dici quale versione hai della JCM800? Non tutte sono uguali, e per darti un consiglio preciso dovrei anche avere un modello preciso.
Live another day, climb a little higher, find another reason to stay...
-
Adriansmith90
- Neutrino

- Messaggi: 22
- Iscritto il: 24/01/2009, 1:04
Re:Aggiungere loop effetti su jcm 800 monocanale...Help me!! :-(
ciao! si il loop è stato testato ed è funzionante per fortuna!Hades ha scritto: Prendendo per buono che questo loop funzioni... Lo devi collegare fra l'uscita del tuo pre e l'ingresso del finale.
Mi dici quale versione hai della JCM800? Non tutte sono uguali, e per darti un consiglio preciso dovrei anche avere un modello preciso.
ma non da me purtroppo :-(il mio marshall è il 4104... non voglio dire una cazzata ma CREDO (non se sono sicuro) che lo schema sia uguale alla testata 2204... dato che il tecnico che conosco io anche se molto preparato in ambito non è chitarrista quindi in merito purtroppop non ne capisce tanto.... ha detto che se mi deve fare i collegamenti sull'amp dovrei portarli lo schema dell'amplificatore con segnato su i punti dove deve collegare i cavi che arrivano dalla sheda appunto dell'fx loop da creare ed altro (nel caso ci siano da fare nuovi collegamentim per fare appunto l'fx loop).Se non sbaglio questo loop effetti dovrebbe essere che quando stacco i jack dovrebbe bypassaarsi perchè i jack qui fungono da switch....giusto? (te lo dico xkè una volta l'ho sentito dire su fennec ma io nn so vedere questo... nel modo in cui sono collegati che dici è vero che fungono da switch? o non è indicato???)
A questo punto dovrei chiederti un favorino grande grande davvero ti supplico perchè sono davvero in difficoltà
Re:Aggiungere loop effetti su jcm 800 monocanale...Help me!! :-(
I 12VAC in teoria servono per i filamenti della 12ax7, ma i filamenti collegati come sono su quel loop possono andare solo con 6,3VAC/VDC.
Io non mi fiderei, anche se la pcb l'ha fatta Aledjack che e' un caro utente di questo forum. Infatti mi sembra molto una svista...
Per iniziare ti consiglierei di leggerti un po' di teoria valvolare, in modo da capire perche' una cosa e' collegata in quella maniera.
Detto questo vedo quello che posso fare, non sono molto piu' vecchio di te (23 anni) e non ho tantissime basi di elettronica (a livello scolastico), ma un po' di esperienza in campo valvolare ce l'ho (3 ampli, 2 preamp e 2 finali) per cui non prendere quello che dico come oro colato.
Intanto come prima cosa ti chiedo di verificare se (come da schema) il pin centrale del pot degli alti (Treble) va su uno dei laterali del Master Volume.
Se cosi' fosse, Dove nella pcb c'e' scritto "From Tonestack" colleghi il filo che prima andava al Master Volume, poi colleghi il piedino centrale del pot "Master Loop" al Master Volume, dove prima era collegato il pot Treble.
Poi devi fregare l'anodica dalla main board, da un punto in cui misuri 400V (penso dopo la resistenza da 10K 1W che trovi nello schema in alto sopra il Master Volume, dove c'e' anche la lettera A, prova a misurare col tester).
Per i filamenti ti basta prendere i 6.3V da un'altra valvola ECC83 gia' presente nello schema e collegare i due fili dove c'e' scritto 12V sulla pcb (che e' sbagliato perche' in quel modo puoi collegare solo 6,3V ai filamenti, pena cuocerli.
Aspetta pero' la conferma di qualcuno piu' esperto di me in queste cose!!!
E fatti dare una mano da qualcuno che sa maneggiare l'alta tensione, mettere mano in un ampli e' rischiosissimo, rischi la vita se sbagli a toccare in contatto!
Io non mi fiderei, anche se la pcb l'ha fatta Aledjack che e' un caro utente di questo forum. Infatti mi sembra molto una svista...
Per iniziare ti consiglierei di leggerti un po' di teoria valvolare, in modo da capire perche' una cosa e' collegata in quella maniera.
Detto questo vedo quello che posso fare, non sono molto piu' vecchio di te (23 anni) e non ho tantissime basi di elettronica (a livello scolastico), ma un po' di esperienza in campo valvolare ce l'ho (3 ampli, 2 preamp e 2 finali) per cui non prendere quello che dico come oro colato.
Intanto come prima cosa ti chiedo di verificare se (come da schema) il pin centrale del pot degli alti (Treble) va su uno dei laterali del Master Volume.
Se cosi' fosse, Dove nella pcb c'e' scritto "From Tonestack" colleghi il filo che prima andava al Master Volume, poi colleghi il piedino centrale del pot "Master Loop" al Master Volume, dove prima era collegato il pot Treble.
Poi devi fregare l'anodica dalla main board, da un punto in cui misuri 400V (penso dopo la resistenza da 10K 1W che trovi nello schema in alto sopra il Master Volume, dove c'e' anche la lettera A, prova a misurare col tester).
Per i filamenti ti basta prendere i 6.3V da un'altra valvola ECC83 gia' presente nello schema e collegare i due fili dove c'e' scritto 12V sulla pcb (che e' sbagliato perche' in quel modo puoi collegare solo 6,3V ai filamenti, pena cuocerli.
Aspetta pero' la conferma di qualcuno piu' esperto di me in queste cose!!!
E fatti dare una mano da qualcuno che sa maneggiare l'alta tensione, mettere mano in un ampli e' rischiosissimo, rischi la vita se sbagli a toccare in contatto!
Live another day, climb a little higher, find another reason to stay...
-
Adriansmith90
- Neutrino

- Messaggi: 22
- Iscritto il: 24/01/2009, 1:04
Re:Aggiungere loop effetti su jcm 800 monocanale...Help me!! :-(
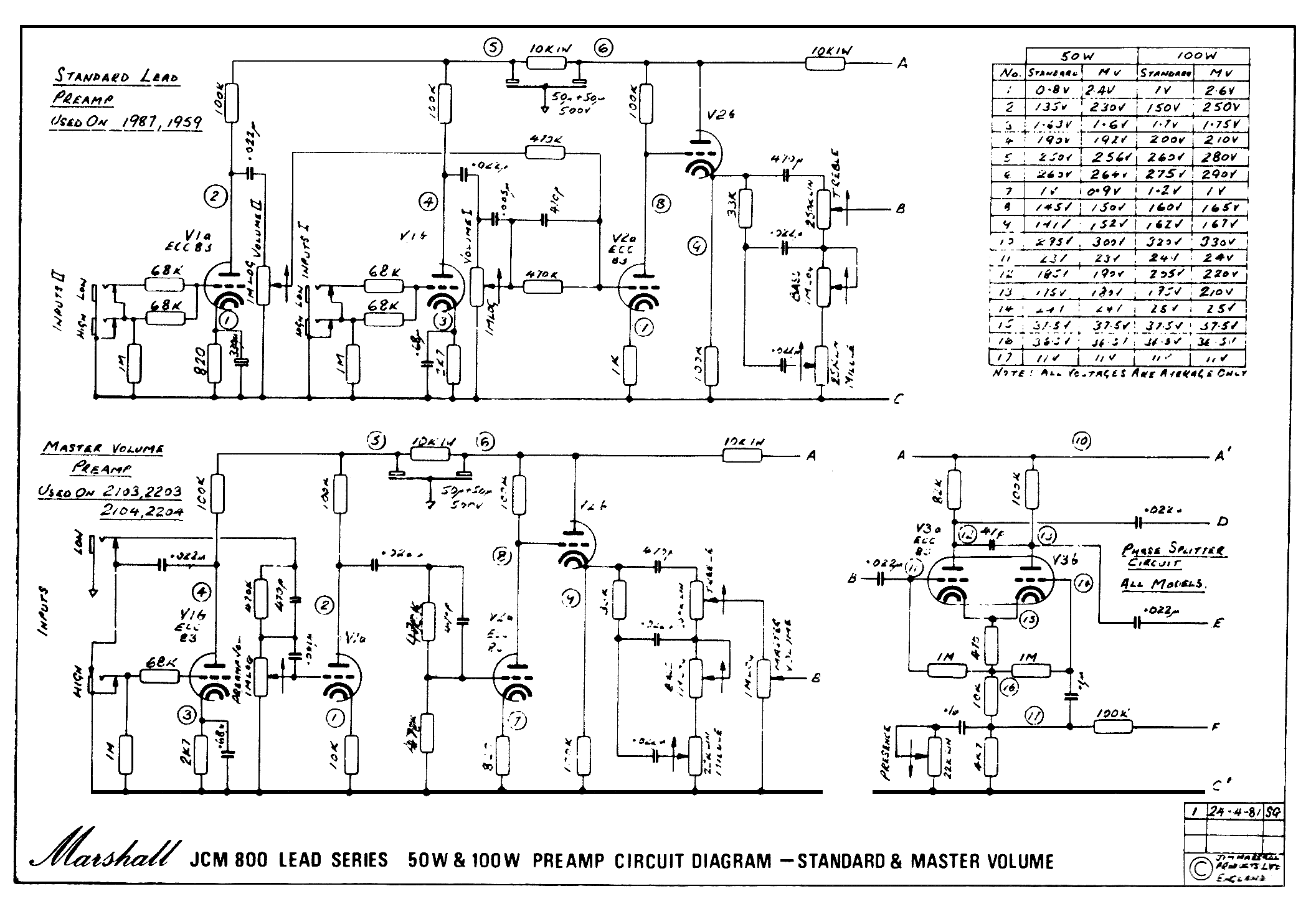
fortunatamente ho verificato da un altro schema più completo che ho scaricato e che ti allego qui sotto che è come dici tu cioè che il pin centrale del pot treble va su uno dei laterali del master volume...quindi ok possiamo diciamo "procedere" ...Hades ha scritto: I 12VAC in teoria servono per i filamenti della 12ax7, ma i filamenti collegati come sono su quel loop possono andare solo con 6,3VAC/VDC.
Io non mi fiderei, anche se la pcb l'ha fatta Aledjack che e' un caro utente di questo forum. Infatti mi sembra molto una svista...
Per iniziare ti consiglierei di leggerti un po' di teoria valvolare, in modo da capire perche' una cosa e' collegata in quella maniera.
Detto questo vedo quello che posso fare, non sono molto piu' vecchio di te (23 anni) e non ho tantissime basi di elettronica (a livello scolastico), ma un po' di esperienza in campo valvolare ce l'ho (3 ampli, 2 preamp e 2 finali) per cui non prendere quello che dico come oro colato.
Intanto come prima cosa ti chiedo di verificare se (come da schema) il pin centrale del pot degli alti (Treble) va su uno dei laterali del Master Volume.
Se cosi' fosse, Dove nella pcb c'e' scritto "From Tonestack" colleghi il filo che prima andava al Master Volume, poi colleghi il piedino centrale del pot "Master Loop" al Master Volume, dove prima era collegato il pot Treble.
Poi devi fregare l'anodica dalla main board, da un punto in cui misuri 400V (penso dopo la resistenza da 10K 1W che trovi nello schema in alto sopra il Master Volume, dove c'e' anche la lettera A, prova a misurare col tester).
Per i filamenti ti basta prendere i 6.3V da un'altra valvola ECC83 gia' presente nello schema e collegare i due fili dove c'e' scritto 12V sulla pcb (che e' sbagliato perche' in quel modo puoi collegare solo 6,3V ai filamenti, pena cuocerli.
Aspetta pero' la conferma di qualcuno piu' esperto di me in queste cose!!!
E fatti dare una mano da qualcuno che sa maneggiare l'alta tensione, mettere mano in un ampli e' rischiosissimo, rischi la vita se sbagli a toccare in contatto!
Il problema è che però non mi sono chiare ancora alcune cose...(so che forse sono una capra)
-
Adriansmith90
- Neutrino

- Messaggi: 22
- Iscritto il: 24/01/2009, 1:04
Re:Aggiungere loop effetti su jcm 800 monocanale...Help me!! :-(
scusami avevo dimenticato di allegare l'altro schema che dicevoHades ha scritto: I 12VAC in teoria servono per i filamenti della 12ax7, ma i filamenti collegati come sono su quel loop possono andare solo con 6,3VAC/VDC.
Io non mi fiderei, anche se la pcb l'ha fatta Aledjack che e' un caro utente di questo forum. Infatti mi sembra molto una svista...
Per iniziare ti consiglierei di leggerti un po' di teoria valvolare, in modo da capire perche' una cosa e' collegata in quella maniera.
Detto questo vedo quello che posso fare, non sono molto piu' vecchio di te (23 anni) e non ho tantissime basi di elettronica (a livello scolastico), ma un po' di esperienza in campo valvolare ce l'ho (3 ampli, 2 preamp e 2 finali) per cui non prendere quello che dico come oro colato.
Intanto come prima cosa ti chiedo di verificare se (come da schema) il pin centrale del pot degli alti (Treble) va su uno dei laterali del Master Volume.
Se cosi' fosse, Dove nella pcb c'e' scritto "From Tonestack" colleghi il filo che prima andava al Master Volume, poi colleghi il piedino centrale del pot "Master Loop" al Master Volume, dove prima era collegato il pot Treble.
Poi devi fregare l'anodica dalla main board, da un punto in cui misuri 400V (penso dopo la resistenza da 10K 1W che trovi nello schema in alto sopra il Master Volume, dove c'e' anche la lettera A, prova a misurare col tester).
Per i filamenti ti basta prendere i 6.3V da un'altra valvola ECC83 gia' presente nello schema e collegare i due fili dove c'e' scritto 12V sulla pcb (che e' sbagliato perche' in quel modo puoi collegare solo 6,3V ai filamenti, pena cuocerli.
Aspetta pero' la conferma di qualcuno piu' esperto di me in queste cose!!!
E fatti dare una mano da qualcuno che sa maneggiare l'alta tensione, mettere mano in un ampli e' rischiosissimo, rischi la vita se sbagli a toccare in contatto!
Re:Aggiungere loop effetti su jcm 800 monocanale...Help me!! :-(
non ho guardato il tuo schema e non so tanto... ma sul mio ho messo un send return solid state copiato dalle jcm reissue. il problema per te è che ci vuole un alimentazione a circa 30V DC... se aggiungere questa è un problema.. allora è meglio rimanere sulle valvole. ma con questo ti posso dire che la trasparenza c'e'. (lo trovi nello schema del 1959 reissue (RI)
ciao
EDIT: il send prende dal centrale di treble e arriva all'1 del volume.
ciao
EDIT: il send prende dal centrale di treble e arriva all'1 del volume.
Ultima modifica di MarcoMike il 30/08/2009, 17:03, modificato 1 volta in totale.
Re:Aggiungere loop effetti su jcm 800 monocanale...Help me!! :-(
Allora come ti ho detto e' meglio che ti leggi un po' di teoria valvolare piu' approfondita, intanto ti spiego le basi (ma proprio basi):
I filamenti delle 12ax7 vanno alimentati per riscaldare il catodo. Il catodo non emette ioni (in poche parole il segnale) se non e' alla giusta temperatura.
Per "fregare" intendo che devi saldare due fili in parallelo ai fili che provengono dai pin 4/5 (che sono saldati assieme) e dal pin 9 e saldarli sulla nuova valvola del loop in corrispondenza degli stessi pin. Ora tu non hai problemi di polarita' perche' i filamenti sulla tua testata sono in AC, per cui hai 2 fasi e non cambia quale dei due fili colleghi ai pin 4/5 o al pin 9.
Per darti un'idea pratica:

In questa immagine la valvola di destra e' una finale EL84 che ha ipin diversi, per cui anche i collegamenti sono diversi. l'idea di base e' pero' di collegare le due fasi prendendole in questa maniera, ovvero due fili in serie a quelli gia' collegati.
Il fatto che i condensatori rimangano carichi (i piu' pericolosi sono quelli grossi che sono i condensatori di filtro dell'anodica) questo succede anche a bassa tensione, solo che toccandoli non senti niente (ne caso dei pedali) perche' l'intensita' e' ridicola... Non e' tanto la tensione (i V) ad essere pericolosa, quanto la combinazione Volt e Ampere. Infatti se provi a toccare il collegamento dei filamenti delle valvole ad ampli acceso ti farai molto male, anche se sono "solo" 6.3V sono pero' 4A, che e' una corrente potente...
Quanto tempo ci mettono a scaricarsi dipende dal circuito, su alcuni ampli ci mettono 20 secondi, su altri 2 minuti e passa... Misura sempre la corrente ancora presente sul condensatore di filtro col tester ed eventualmente scaricalo cortocirtuitando il positivo col negativo con una resistenza di alto wataggio (5W 1K ad esempio). Poi misura nuovamente quanta corrente e' ancora presente, finche' non e' quasi a 0 non azzardarti ad infilare il saldatore all'interno.
Comunque appena posso ti modifico lo schema coi riferimenti da dare al tuo tecnico, e MarcoMike mi confema che le istruzioni che ti avevo dato sono giuste.
I filamenti delle 12ax7 vanno alimentati per riscaldare il catodo. Il catodo non emette ioni (in poche parole il segnale) se non e' alla giusta temperatura.
Per "fregare" intendo che devi saldare due fili in parallelo ai fili che provengono dai pin 4/5 (che sono saldati assieme) e dal pin 9 e saldarli sulla nuova valvola del loop in corrispondenza degli stessi pin. Ora tu non hai problemi di polarita' perche' i filamenti sulla tua testata sono in AC, per cui hai 2 fasi e non cambia quale dei due fili colleghi ai pin 4/5 o al pin 9.
Per darti un'idea pratica:
In questa immagine la valvola di destra e' una finale EL84 che ha ipin diversi, per cui anche i collegamenti sono diversi. l'idea di base e' pero' di collegare le due fasi prendendole in questa maniera, ovvero due fili in serie a quelli gia' collegati.
Il fatto che i condensatori rimangano carichi (i piu' pericolosi sono quelli grossi che sono i condensatori di filtro dell'anodica) questo succede anche a bassa tensione, solo che toccandoli non senti niente (ne caso dei pedali) perche' l'intensita' e' ridicola... Non e' tanto la tensione (i V) ad essere pericolosa, quanto la combinazione Volt e Ampere. Infatti se provi a toccare il collegamento dei filamenti delle valvole ad ampli acceso ti farai molto male, anche se sono "solo" 6.3V sono pero' 4A, che e' una corrente potente...
Quanto tempo ci mettono a scaricarsi dipende dal circuito, su alcuni ampli ci mettono 20 secondi, su altri 2 minuti e passa... Misura sempre la corrente ancora presente sul condensatore di filtro col tester ed eventualmente scaricalo cortocirtuitando il positivo col negativo con una resistenza di alto wataggio (5W 1K ad esempio). Poi misura nuovamente quanta corrente e' ancora presente, finche' non e' quasi a 0 non azzardarti ad infilare il saldatore all'interno.
Comunque appena posso ti modifico lo schema coi riferimenti da dare al tuo tecnico, e MarcoMike mi confema che le istruzioni che ti avevo dato sono giuste.
Live another day, climb a little higher, find another reason to stay...
-
Adriansmith90
- Neutrino

- Messaggi: 22
- Iscritto il: 24/01/2009, 1:04
Re:Aggiungere loop effetti su jcm 800 monocanale...Help me!! :-(
accidenti hades sei la persona più gentile che abbia mai incontrato sul forum!!! GRAZIEEEEEEEEEEEEEEEEEEEEEEEEEEEEEEEEEEEEEEEEEEEEEEEEEEEEEEEEEEEE!!!!!Hades ha scritto: Allora come ti ho detto e' meglio che ti leggi un po' di teoria valvolare piu' approfondita, intanto ti spiego le basi (ma proprio basi):
I filamenti delle 12ax7 vanno alimentati per riscaldare il catodo. Il catodo non emette ioni (in poche parole il segnale) se non e' alla giusta temperatura.
Per "fregare" intendo che devi saldare due fili in parallelo ai fili che provengono dai pin 4/5 (che sono saldati assieme) e dal pin 9 e saldarli sulla nuova valvola del loop in corrispondenza degli stessi pin. Ora tu non hai problemi di polarita' perche' i filamenti sulla tua testata sono in AC, per cui hai 2 fasi e non cambia quale dei due fili colleghi ai pin 4/5 o al pin 9.
Per darti un'idea pratica:
In questa immagine la valvola di destra e' una finale EL84 che ha ipin diversi, per cui anche i collegamenti sono diversi. l'idea di base e' pero' di collegare le due fasi prendendole in questa maniera, ovvero due fili in serie a quelli gia' collegati.
Il fatto che i condensatori rimangano carichi (i piu' pericolosi sono quelli grossi che sono i condensatori di filtro dell'anodica) questo succede anche a bassa tensione, solo che toccandoli non senti niente (ne caso dei pedali) perche' l'intensita' e' ridicola... Non e' tanto la tensione (i V) ad essere pericolosa, quanto la combinazione Volt e Ampere. Infatti se provi a toccare il collegamento dei filamenti delle valvole ad ampli acceso ti farai molto male, anche se sono "solo" 6.3V sono pero' 4A, che e' una corrente potente...
Quanto tempo ci mettono a scaricarsi dipende dal circuito, su alcuni ampli ci mettono 20 secondi, su altri 2 minuti e passa... Misura sempre la corrente ancora presente sul condensatore di filtro col tester ed eventualmente scaricalo cortocirtuitando il positivo col negativo con una resistenza di alto wataggio (5W 1K ad esempio). Poi misura nuovamente quanta corrente e' ancora presente, finche' non e' quasi a 0 non azzardarti ad infilare il saldatore all'interno.
Comunque appena posso ti modifico lo schema coi riferimenti da dare al tuo tecnico, e MarcoMike mi confema che le istruzioni che ti avevo dato sono giuste.
e grazie ancora mille volte!!!!!
-
Adriansmith90
- Neutrino

- Messaggi: 22
- Iscritto il: 24/01/2009, 1:04
Re:Aggiungere loop effetti su jcm 800 monocanale...Help me!! :-(
grazie mille anche a te marco mike!! mi state facendo scuola!!MarcoMike ha scritto: non ho guardato il tuo schema e non so tanto... ma sul mio ho messo un send return solid state copiato dalle jcm reissue. il problema per te è che ci vuole un alimentazione a circa 30V DC... se aggiungere questa è un problema.. allora è meglio rimanere sulle valvole. ma con questo ti posso dire che la trasparenza c'e'. (lo trovi nello schema del 1959 reissue (RI)
ciao
EDIT: il send prende dal centrale di treble e arriva all'1 del volume.
-
Peppazzz91
Re:Aggiungere loop effetti su jcm 800 monocanale...Help me!! :-(
oddio no, se misuri la corrente ai capi di un condensatore del genere esplode...l'amperometro si mette in serie, MAI in parallelo. è l'equivalente di un cortocircuito. tu devi misurare la TENSIONE, V continui.Adriansmith90 ha scritto: accidenti hades sei la persona più gentile che abbia mai incontrato sul forum!!! GRAZIEEEEEEEEEEEEEEEEEEEEEEEEEEEEEEEEEEEEEEEEEEEEEEEEEEEEEEEEEEEE!!!!!![]()
![]()
così almeno potrò finalmente mettere sto dannato loop sul mio amp!!!
a proposito ma quando dici di misurare col tester se sono scarichi i condensatori, misuro in ampere, volt o tutti e due? alternata o continua?? i condensatori di filtro sono quelli grossi che stanno dietro vero? grazie mille davvero hades!! Grazie di cuore!!
![]()
se vuoi poi appena finisci di fare lo schema "modificato" se vuoi puoi mandarmelo anche direttamente via mail, ti ripeto l'indirizzo: derricofabio@yahoo.it
e grazie ancora mille volte!!!!!![]()
![]()
![]()
![]()
-
Adriansmith90
- Neutrino

- Messaggi: 22
- Iscritto il: 24/01/2009, 1:04
Re:Aggiungere loop effetti su jcm 800 monocanale...Help me!! :-(
accidenti qui si rischia davvero la vitaPeppazzz91 ha scritto: oddio no, se misuri la corrente ai capi di un condensatore del genere esplode...l'amperometro si mette in serie, MAI in parallelo. è l'equivalente di un cortocircuito. tu devi misurare la TENSIONE, V continui.
ma questo discorso di mettere il carico in serie vale solo con gli ampere??
