
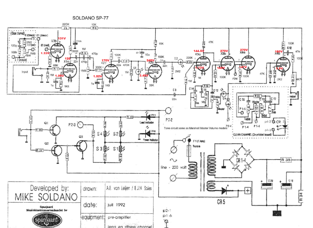
Per prima cosa R7 e C5 sono indicati male nello schema, in realtà sono fra C4 ed R9.
- sostituire tutte le Rp con lo stesso valore ma 1W
- sostituire R3 con 2k7 e C2 con 680nF
- sostituire C6 con 1n
- sostituire R14 con 220k
- sostituire R18 con 4k7 e rimuovere C10
- sostituire C9 con 4n7
- aggiungere 1M da C9 a massa
- aggiungere 220p in parallelo a R14
- sostituire R17 con 10k
- aggiungere 220k in serie fra C11 ed R20
- sostituire C8 con 470p
- sostituire R9 con 150-220k
- sostituire R7 con 1M e C5 con 270p
- aggiungere 270p in parallelo ad R12
- aggiungere un condensatore da 1µF in parallelo a R22
- sostituire R32 ed R33 con 39k
- sostituire R28 con 1k5
- sostituire C12 con 22n
- sostituire R30 con 220k


