Venerdì prossimo ho una serata in un locale e tra una riparazione, una modifica, un pannoilino di mio figlio e un rimprovero di mia moglie, non ho finito l'ampli che mi serve dato che al momento non ne ho!!!!
Avevo pensato ad una 18 lite TMB semplice, affidabile, molto Hard Rock.
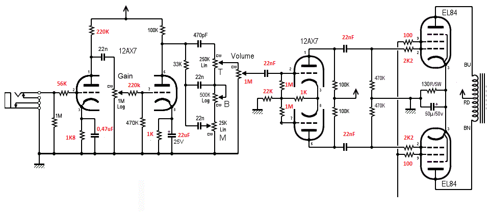
Vi metto un pò di foto dei lavori in corso e lo schema che, modificato, sto utilizzando.
Aprrezzerei molto sapere la vs opinione e consigli per una migliore suonabilità considerate il genere Ac/Dc, Hard rock anche se uso uno screamer ed un boost per spingere nei soli, non mi dispiacerebbe un piccolo margine di clean (per quanto è possibile ovviamente)
Grazie a tutti di cuore.
P.S. dovrei finire di montarlo entro stasera!!!!!!!
http://imageshack.us/photo/my-images/25 ... 908mp.jpg/
http://imageshack.us/photo/my-images/163/dsc07912w.jpg/
http://imageshack.us/photo/my-images/703/dsc07913n.jpg/ - provvissoria.


