Riassumiamo:
-Ampli senza ronzio(finalmente
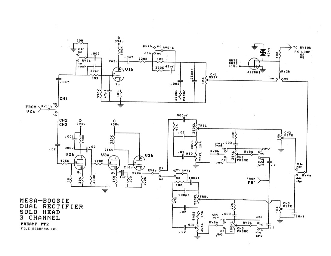
-3 canali, tutto identico allo schema della dual rectifier 3ch solo head.
-Manca il loop effetti originale(ai tempi della progettazione, non mi interessava...
-Finale da 50W scopiazzato dalla mesa Nomad55
Obbiettivi attuali:
-Mod varie per rendere ancora migliore questa bestiola...
-Migliorare il canale pulito, ottenendo più volume e possibilmente un tono più aperto... ma il volume direi essere la priorità.
-Inserire un loop effetti, ad ampli completato, non mi sembra il caso di impazzire per bucare e inserire una nuova valvola... quindi direi che la soluzione è lo stato solido...
-Inserire un recording output, che mi permetta di usare anche le cuffie...
-Inserire il reverbero(ma devo ancora pensarci...)
Allego lo schema mesa originale...
Ricordo che tutta la parte di elettronica a stato solido, è stata omessa nella mia costruzione... ovvero niente circuito di muting, niente alimentazioni duali e simili...
tutto il resto, è esattamente come da schema...
allego anche lo schema della Nomad55 per il solo FINALE...
Allego anche una foto attuale dei lavori in corso...


