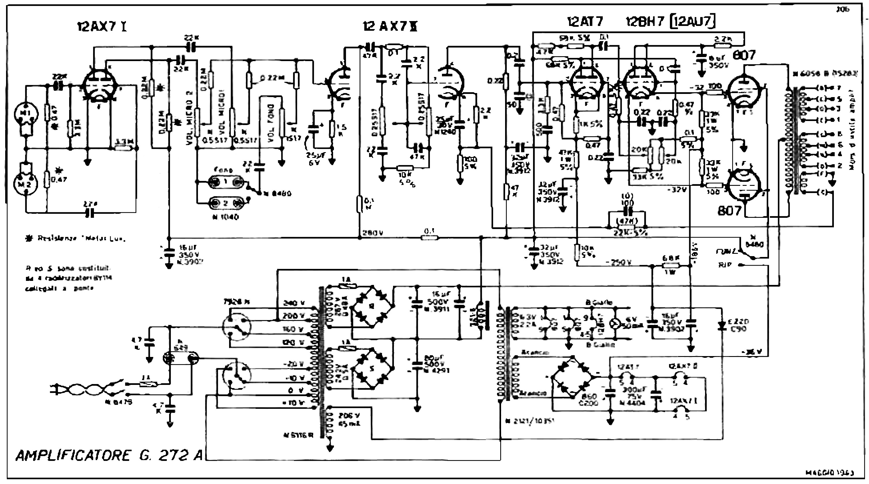
mi hanno dato questo amplificatore di cui allego lo schema.
a prima vista gia c'erano della cose strane.tipo 2 connettori xlr sul lato destro.
una volta aperto il fondo vedo i condensatori carta ricoperti di un materiale bianco e granuloso.
per il resto resistenze di tutte le ere...
per prima cosa cambio tutti gli elettrolitici e durante le sostituzioni mi accorgo che molte resistenze non tornano rispetto allo schema.
ma proseguo.
finite queste sostituzioni tolgo le valvole e do una misurata in giro....rispetto allo schema sembra tutto abbastanza regolare.
rimetto le valvole e do corrente ...i filamenti si accendono tutti,a questo punto tolgo lo stand by.
non esplode nulla ma alzando il volume si sente solo tanto motorboarding .
spengo,scarico i condensatori e provo a capirci qualcosa....ma nulla.forse qualcuno ha provato a fare delle modifiche con chissa quale idea di risultato.
a questo punto dissaldo il filo dal pin 7 della seconda 12ax7 e mi collego direttamente li con un lettore mp3 delle balle.
con mia sorpresa funziona ed anche bene.
ora arriviamo ai consigli.
il chitarrista che suona con me ha un ampli un po scarso a transistor.
per cui la domanda è : secondo voi ha senso modificare il pre (che ora tanto non funziona) per usarlo con la chitarra.
lui usa un pedale distorsore esterno valvolare molto bello..
potrebbe uscirne un bel connubio.
ho pensato anche di ripristinarlo cosi come da schema..ma forse non ha molto senso visto che comunque dovrei rifare tutta la parte di fono e microfono...non sarebbe comunque piu originale..
ci ho gia investito una certa cifra di condensatori e vorrei dargli un senso...
grazie per l'aiuto
ciao
Sergio
https://dl.dropbox.com/u/769795/g272a.jpg


