Silver Jubilee 2550
Silver Jubilee 2550
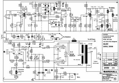
Salve a tutti!dopo le soddisfazioni della JCM 800 sto costruendo con un amico la marshall Silver Jubilee 2550...e mi chiedevo una cosa,posso portare gli attuali potenziometri di Middle e Treble (rispettivamente 100 e 250 K) ai valori di 500 K e 1M?posto lo schema che stiamo seguendo
- mastrococco
- Garzone di Roger Mayer

- Messaggi: 1361
- Iscritto il: 16/01/2012, 14:13
- Località: Cesena
Re: Silver Jubilee 2550
Quello è il layout, non lo schema...comunque perchè vorresti cambiare i valori? Che scopo vorresti raggiungere? Di certo modificando i valori della sezione tonestack modifichi la risposta in frequenza, tali modifiche si fanno in genere dopo che hai costruito la testata se vuoi fare qualche piccola personalizzazione.
Purtroppo non ho le conoscenze per fare un' analisi dettagliata della variazione portata dalla tua modifica ma in linea di principio penso che non sia un'idea brillante: non esplode niente ma ti trovi un tonestack sballato di partenza che va ad incidere sul suono dell'ampli.
Purtroppo non ho le conoscenze per fare un' analisi dettagliata della variazione portata dalla tua modifica ma in linea di principio penso che non sia un'idea brillante: non esplode niente ma ti trovi un tonestack sballato di partenza che va ad incidere sul suono dell'ampli.
Re: Silver Jubilee 2550
Ciao, provo a risponderti:
Se hai in casa quelli e non vuoi comprarne altri, comprane altri.
Se vuoi sapere se funziona, sì funziona.
Se vuoi sapere se suonerà bene, avrai molti più medi e molti meno bassi.
Se hai in casa quelli e non vuoi comprarne altri, comprane altri.
Se vuoi sapere se funziona, sì funziona.
Se vuoi sapere se suonerà bene, avrai molti più medi e molti meno bassi.
- Kagliostro
- Amministratore

- Messaggi: 9904
- Iscritto il: 03/12/2007, 0:16
- Località: Prov. di Treviso
Re: Silver Jubilee 2550
Qui lo schema
Nel pdf ci sono 2 diverse versioni dello stesso schema + il PS
Per i bassi ti serve un pot logaritmico doppio
http://www.tube-town.net/ttstore/produc ... tereo.html
K
Nel pdf ci sono 2 diverse versioni dello stesso schema + il PS
Per i bassi ti serve un pot logaritmico doppio
http://www.tube-town.net/ttstore/produc ... tereo.html
K
