Sostieni il forum con una donazione! Il tuo contributo ci aiuterà a rimanere online!
Immagine

Equivalente NTE2372

...per cercare o proporre modifiche agli amplificatori
Rispondi
Giuva
Elettrone Impazzito
Elettrone Impazzito
Messaggi: 49
Iscritto il: 14/09/2013, 11:39

Equivalente NTE2372

Messaggio da Giuva » 05/02/2014, 21:58

Ciao a tutti,
vorrei installare un regolatore di tensione in un clone del Fender blues junior che sto realizzando.

Per realizzare il regolatore occorre (tra le altre) un mosfet siglato NTE2372 (è un p-ch e dal data sheet dovrebbe avere una tensione Vdss di 200V, positiva).

Qualcuno ha idea di un possibile sostituto per tale mosfet?

potrebbe andare il IRF9620PBF della Vishay trovato su mouser?

Grazie per l'aiuto

Giuseppe

Avatar utente
Kagliostro
Amministratore
Amministratore
Messaggi: 9949
Iscritto il: 03/12/2007, 0:16
Località: Prov. di Treviso

Re: Equivalente NTE2372

Messaggio da Kagliostro » 05/02/2014, 22:18

Mi ero posto la stessa domanda tempo fa

http://www.el34world.com/Forum/index.php?topic=9623.0

in pratica un qualsiasi Mosfet canale N con tensione adeguata al circuito (500v o più) e corrente discreta (di solito 7-8A)

Da RS avevo trovato qualcosa di interessante a prezzo basso, ma non ricordo più la sigla
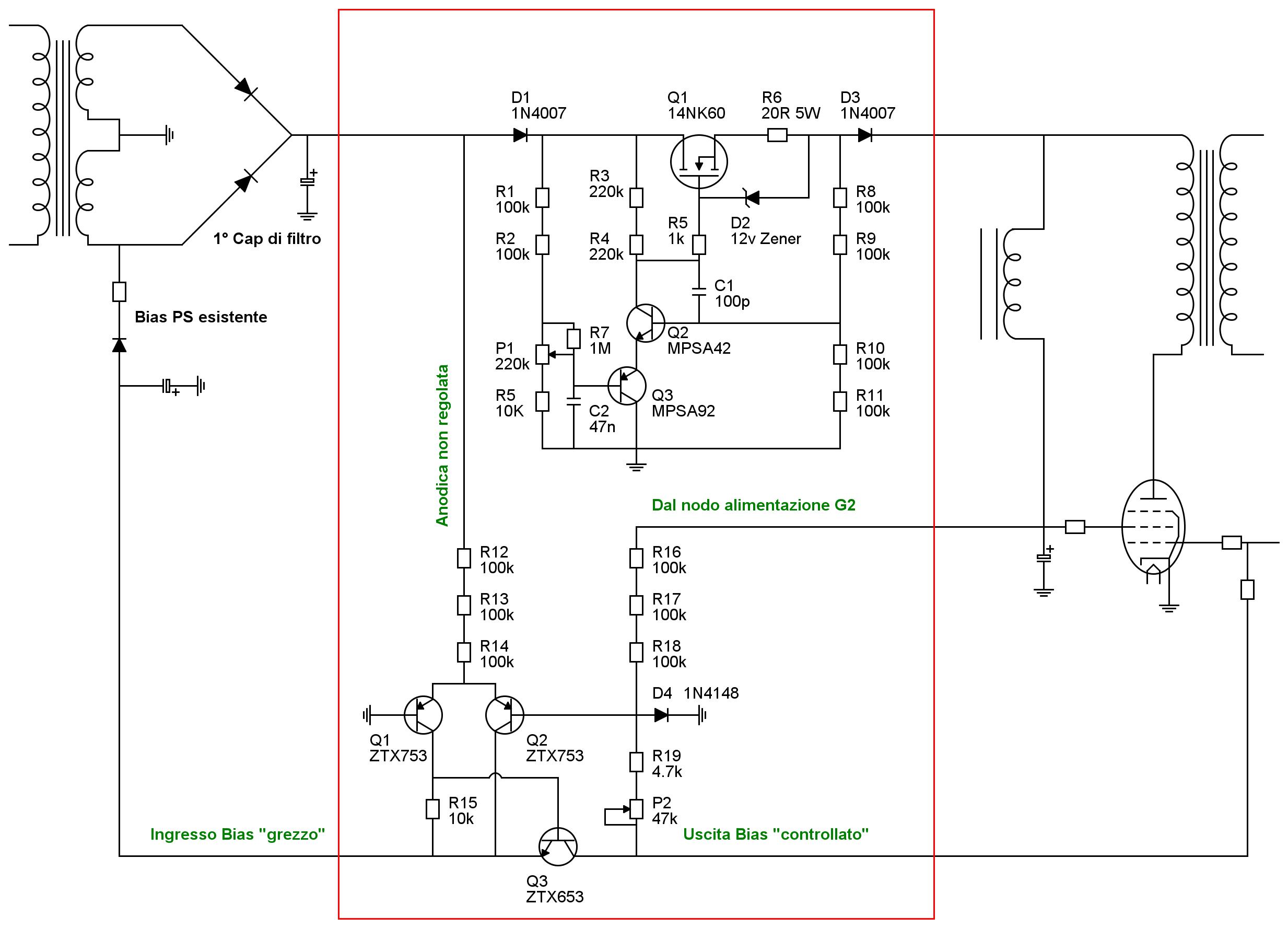
qui uno schemino che ho disegnato (copiato) tempo fa
VVR for Fixed Bias & Cathode Bias Amp.jpg
Va bene sia per fixed bias che per cathode bias

le resistenze in serie da 100k sono da 1/4W

il trimmer da 47k va settato con il voltaggio regolato al massimo

---

Se cerchi VVR qui sul forum dovrebbero esserci dei tread sull'argomento

Ciao

K

Giuva
Elettrone Impazzito
Elettrone Impazzito
Messaggi: 49
Iscritto il: 14/09/2013, 11:39

Re: Equivalente NTE2372

Messaggio da Giuva » 06/02/2014, 9:15

Grazie kagliostro,
Io però mi riferivo all'altro mosfet, il 2372.
È di questo che non ho trovato sostituti se non quello indicato e per il quale chiedevo parere.

Il tuo schema mi è noto. Ti avevo scritto una mp con delle domande a riguardo ma probabilmente non è arrivata.
Li, ad ogni modo, ti chiedevo se tale schema è stato realizzato e se, secondo te, è si potrebbe adattare al clone che ho in progetto (Blues Jr).

Grazie Kagliostro e grazie a tutti per qualsiasi intervento

Avatar utente
Kagliostro
Amministratore
Amministratore
Messaggi: 9949
Iscritto il: 03/12/2007, 0:16
Località: Prov. di Treviso

Re: Equivalente NTE2372

Messaggio da Kagliostro » 06/02/2014, 13:09

Lo schema che ho postato è previsto sia per fixed bias che cathode bias ed il tuo ampli è fixed bias

Qualcuno qui del forum stava per realizzarlo ma non so poi come sia finita la cosa

per l'NTE2372 penso possa essere sostituito con uno di quelli citati, se posti lo schema di riferimento magari qualcuno te lo conferma

Ciao

K

Rispondi