Sono nelle vostre mani
Diminuire distorsione plexi
-
giordydiver
- Diyer Esperto

- Messaggi: 278
- Iscritto il: 02/07/2014, 11:29
Diminuire distorsione plexi
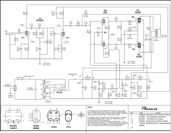
Salve ragazzi, ho una plexi18w tmb . Allora l'ampli a due canali, il primo con controlli eq gain e volume(ho apportato qualche modifica con il vostro aiuto), e il secondo canale con un controllo tono e volume. Ora avendo sistemato a dovere il canale tmb vorrei sistemare anche questo canale, cioe vorrei rendere quel canale clean, non dico un pulito fendere ma comunque un buon pulito. Vi metto lo schema della sezione preamp.
Sono nelle vostre mani
Sono nelle vostre mani
Re: Diminuire distorsione plexi
Rimuovi C6 e dicci se ti piace 

-
giordydiver
- Diyer Esperto

- Messaggi: 278
- Iscritto il: 02/07/2014, 11:29
Re: Diminuire distorsione plexi
provero sicuramente! ma di preciso cosa dovrebbe cambiare la presenza di quel condesatore?qual'é la sua funzione?
altri modi per ridurre la distorsione?
altri modi per ridurre la distorsione?
-
MapleMarco
- Roger Mayer Jr.

- Messaggi: 2658
- Iscritto il: 02/06/2012, 14:22
- Località: Mirano (VE)
Re: Diminuire distorsione plexi
diminuisce il guadagno sul primo triodo.
altri modi sono mettere una grid stopper sul secondo triodo tra c9 e griglia...nell'ordine dei 120k, a salire
altri modi sono mettere una grid stopper sul secondo triodo tra c9 e griglia...nell'ordine dei 120k, a salire
CHE DIO B'ASSISTA!
-
giordydiver
- Diyer Esperto

- Messaggi: 278
- Iscritto il: 02/07/2014, 11:29
Re: Diminuire distorsione plexi
facendo entrambe le modifiche che risultato potrei ottenere? metto una 133k tra c9 e griglia ed elimino c6 sul catodo.
agendo invece sulla resistenza catodica del primo triodo cosa cambia?
agendo invece sulla resistenza catodica del primo triodo cosa cambia?
-
MapleMarco
- Roger Mayer Jr.

- Messaggi: 2658
- Iscritto il: 02/06/2012, 14:22
- Località: Mirano (VE)
Re: Diminuire distorsione plexi
li influisci sulla risposta dei bassi prevalentemente...
è un affermazione molto grossolana....ma ti consiglio di provare così capisci perfettamente cosa succede, perchè una spiegazione, anche tecnicissima, sicuramente spiega meno di una prova!
ma se il problema è il gain, io non agirei su quella
è un affermazione molto grossolana....ma ti consiglio di provare così capisci perfettamente cosa succede, perchè una spiegazione, anche tecnicissima, sicuramente spiega meno di una prova!
ma se il problema è il gain, io non agirei su quella
CHE DIO B'ASSISTA!
Re: Diminuire distorsione plexi
Trattandosi di un pulito, io gli darei una presenza da pulito, piú che ridurne il gain.
Hai due pot per controllarlo, installa un tono alla carmen ghia e relativo volume.
Tieni il primo stadio bypassato e lavora sulle frequenze da tagliare.
Hai due pot per controllarlo, installa un tono alla carmen ghia e relativo volume.
Tieni il primo stadio bypassato e lavora sulle frequenze da tagliare.
-
alexradium
- Diyer Eroe

- Messaggi: 777
- Iscritto il: 07/06/2011, 14:18
Re: Diminuire distorsione plexi
il problema del suono pulito è principalmente quello di ridurre le frequenze medie e in questo il tonestack Fender blackface è un classico,oltre che a ridurre parecchio il segnale,volendo puoi prendere ispirazione dal VHT special 6,che presenta un tonestack BF a valori fissi e un volume e tono in configurazione tweed.giordydiver ha scritto:Salve ragazzi, ho una plexi18w tmb . Allora l'ampli a due canali, il primo con controlli eq gain e volume(ho apportato qualche modifica con il vostro aiuto), e il secondo canale con un controllo tono e volume. Ora avendo sistemato a dovere il canale tmb vorrei sistemare anche questo canale, cioe vorrei rendere quel canale clean, non dico un pulito fendere ma comunque un buon pulito. Vi metto lo schema della sezione preamp.
Sono nelle vostre mani
-
giordydiver
- Diyer Esperto

- Messaggi: 278
- Iscritto il: 02/07/2014, 11:29
Re: Diminuire distorsione plexi
il canale cosi per com'è non è assolutamente pulito....è il classico canale plexi quindi oltre il volume 4 distorce un bel po...io vorrei che il suono restasse pulito fino a 6 o qualcosa del genere
Re: Diminuire distorsione plexi
Beh, no.
Non é il classico canali plexi.
É un triodo con un eq rudimentale, un volume, ed una PI a valle.
Prova quanto ti abbiamo consigliato.
Non é il classico canali plexi.
É un triodo con un eq rudimentale, un volume, ed una PI a valle.
Prova quanto ti abbiamo consigliato.
-
giordydiver
- Diyer Esperto

- Messaggi: 278
- Iscritto il: 02/07/2014, 11:29
Re: Diminuire distorsione plexi
puoi spiegarti meglio ? non ho ben capito di cosa si trattarobi ha scritto:Trattandosi di un pulito, io gli darei una presenza da pulito, piú che ridurne il gain.
Hai due pot per controllarlo, installa un tono alla carmen ghia e relativo volume.
Tieni il primo stadio bypassato e lavora sulle frequenze da tagliare.
Re: Diminuire distorsione plexi
Cerca online lo schema del DrZ Carmen Ghia e postalo qui, ti aiuteremo a capire.
-
giordydiver
- Diyer Esperto

- Messaggi: 278
- Iscritto il: 02/07/2014, 11:29
Re: Diminuire distorsione plexi
ecco fatto, dando un occhiata ho visto che pero nel drz abbiamo un primo stadio cn mezza valvola tono e volume, poi entra nell'altra mezza valvola e dopo nella phase inverter, mentre nel mio il canale sfrutta solo mezza valvola e dopo entra nella phase inverter
-
alexradium
- Diyer Eroe

- Messaggi: 777
- Iscritto il: 07/06/2011, 14:18
Re: Diminuire distorsione plexi
In realtà salvo errori,quello che distorce prima é il finale,tipico delle el84,specie senza feedback,bastano pochi volt in entrata e raggiungi subito la massima headroom.
-
giordydiver
- Diyer Esperto

- Messaggi: 278
- Iscritto il: 02/07/2014, 11:29
Re: Diminuire distorsione plexi
Mmmm quindi in sostanza come posso fare per ridurre quanto piu possibile la distorsione del canale?

