uscita cuffie su tda7377
uscita cuffie su tda7377
salve gente,
ho deciso finalmente di iscrivermi dopo tanto tempo che seguo il forum.... dopo tante soluzioni trovate, c'è ne una in particolare che non riesco proprio a trovare da nessuna parte.
vi espongo il problema:
ho costruito un amplificatore utilizzando l'integrato TDA7377, nessun tipo di problema durante la costruzione ne per il primo con in aggiunta il controllo dei toni, ne sul secondo sprovvisto di controllo toni.
il mio problema principale è: vorrei inserire un uscita per le cuffie in quanto la sera non posso tenere alto il volume per via dei vicini troppo....... eheheh (hanno anche ragione), ma non so proprio come collegarlo.
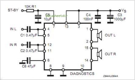
ho realizzato la configurazione a ponte se puo esservi d'aiuto.
mi sapreste indicare una soluzione e soprattutto è una cosa che si puo fare?
vi ringrazio tutti quanti anticipatamente
ho deciso finalmente di iscrivermi dopo tanto tempo che seguo il forum.... dopo tante soluzioni trovate, c'è ne una in particolare che non riesco proprio a trovare da nessuna parte.
vi espongo il problema:
ho costruito un amplificatore utilizzando l'integrato TDA7377, nessun tipo di problema durante la costruzione ne per il primo con in aggiunta il controllo dei toni, ne sul secondo sprovvisto di controllo toni.
il mio problema principale è: vorrei inserire un uscita per le cuffie in quanto la sera non posso tenere alto il volume per via dei vicini troppo....... eheheh (hanno anche ragione), ma non so proprio come collegarlo.
ho realizzato la configurazione a ponte se puo esservi d'aiuto.
mi sapreste indicare una soluzione e soprattutto è una cosa che si puo fare?
vi ringrazio tutti quanti anticipatamente
- Kagliostro
- Amministratore

- Messaggi: 9876
- Iscritto il: 03/12/2007, 0:16
- Località: Prov. di Treviso
Re: uscita cuffie su tda7377
Ciao e Benvenuto nel Forum
Magari posta uno schemino o metti un link
Direi che di sicuro una qualche soluzione qualcuno te la troverà
K
Magari posta uno schemino o metti un link
Direi che di sicuro una qualche soluzione qualcuno te la troverà
K
Re: uscita cuffie su tda7377
eccolo...
il problema è che non so piu muovervi nel senso che non so cosa fare per poter avere un uscita cuffie.
il problema è che non so piu muovervi nel senso che non so cosa fare per poter avere un uscita cuffie.
- Kagliostro
- Amministratore

- Messaggi: 9876
- Iscritto il: 03/12/2007, 0:16
- Località: Prov. di Treviso
Re: uscita cuffie su tda7377
Beh, per fare un'uscita cuffie la cosa più semplice (a prescindere se l'integrato permetta altre soluzioni, cosa che non so), sarebbe quella di un carico fittizio ed un partitore per collegare le cuffie
K
K
Re: uscita cuffie su tda7377
saresti cosi gentile da mostrarmi come fare?kagliostro ha scritto:Beh, per fare un'uscita cuffie la cosa più semplice (a prescindere se l'integrato permetta altre soluzioni, cosa che non so), sarebbe quella di un carico fittizio ed un partitore per collegare le cuffie
K
- Kagliostro
- Amministratore

- Messaggi: 9876
- Iscritto il: 03/12/2007, 0:16
- Località: Prov. di Treviso
Re: uscita cuffie su tda7377
Una delle possibili soluzioni
naturalmente il valore in W delle resistenze va rapportato alla potenza dell'ampli
e devi tener conto dei due altoparlanti invece di uno
K
naturalmente il valore in W delle resistenze va rapportato alla potenza dell'ampli
e devi tener conto dei due altoparlanti invece di uno
K
Re: uscita cuffie su tda7377
cosi facendo avrei 3 uscite giusto? line out, speaker e cuffie? esatto? ma da dove faccio partire il tutto? scusa se posso sembrare stupido ma è la prima volta che mi cimento nell'aggiunta di un uscita cuffie
- Kagliostro
- Amministratore

- Messaggi: 9876
- Iscritto il: 03/12/2007, 0:16
- Località: Prov. di Treviso
Re: uscita cuffie su tda7377
Non occorre che tu faccia tutte le uscite, basta quella per la cuffia
l'integrato ha due altoparlanti, per cui dovrai duplicare il circuito per avere su un canale della cuffia una delle due uscite e sull'altro quella che rimane
nello schema che ho messo la parte a sinistra indica il secondario di un trasformatore d'uscita
tu devi collegare il circuitino (sdoppiato) al posto dei due altoparlanti
prova a disegnare uno schizzo di cosa faresti
K
l'integrato ha due altoparlanti, per cui dovrai duplicare il circuito per avere su un canale della cuffia una delle due uscite e sull'altro quella che rimane
nello schema che ho messo la parte a sinistra indica il secondario di un trasformatore d'uscita
tu devi collegare il circuitino (sdoppiato) al posto dei due altoparlanti
prova a disegnare uno schizzo di cosa faresti
K
Re: uscita cuffie su tda7377
scusa ma non ho capito questo:
l'integrato ha due altoparlanti, per cui dovrai duplicare il circuito per avere su un canale della cuffia una delle due uscite e sull'altro quella che rimane.
comunque provo a buttare giu uno schizzo vediamo cosa ho capito.
intanto ti ringrazio per il supporto
l'integrato ha due altoparlanti, per cui dovrai duplicare il circuito per avere su un canale della cuffia una delle due uscite e sull'altro quella che rimane.
comunque provo a buttare giu uno schizzo vediamo cosa ho capito.
intanto ti ringrazio per il supporto
Re: uscita cuffie su tda7377
continuando le mie ricerche online, sono incappato in questo schema . secondo te potrebbe essere la mia soluzione?
Re: uscita cuffie su tda7377
modificando questo schema sono arrivato a questa conclusione. correggetemi pure, a me personalmente sembra troppo semplice per essere cosi
Re: uscita cuffie su tda7377
Ciao Aperri.
Hai seguito lo schema da te postato?
L'amplificatore è mono oppure stereo?
Se l'hai fatto stereo, non credo si possa fare facilmente.
Saluti
Raffaele.
PS. Non ho detto che non si può fare se l'ampli è stereo, è solo un po più complicato.
Hai seguito lo schema da te postato?
L'amplificatore è mono oppure stereo?
Se l'hai fatto stereo, non credo si possa fare facilmente.
Saluti
Raffaele.
PS. Non ho detto che non si può fare se l'ampli è stereo, è solo un po più complicato.
Napoletani si nasce.....
Re: uscita cuffie su tda7377
ciao grazie della risposta... l amplificatore è stereo. si ho provato a seguirlo: ho fatto delle prove con delle cuffiette da battaglia e senza mettere nessuna resistenza sento anche in cuffia. ora giustamente devo sistemare l 'impedenza e forse ho risolto.raf71 ha scritto:Ciao Aperri.
Hai seguito lo schema da te postato?
L'amplificatore è mono oppure stereo?
Se l'hai fatto stereo, non credo si possa fare facilmente.
Saluti
Raffaele.
PS. Non ho detto che non si può fare se l'ampli è stereo, è solo un po più complicato.
altri suggerimenti?
dici che stereo è qualcosa di piu complicato... se vuoi spiegarmi visto che ci sono sperimento tutto.
grazie ancora
Re: uscita cuffie su tda7377
Ciao Aperri, grazie per i chiarimenti.
Allora, se segui il datasheet noterai che il finale è un quattro canali tipico per applicazioni "automobilistiche". Collegandolo nella configurazione stereo, lo schema da te postato, vai a collegare i finali a ponte. In virtù di ciò non credo che si possano collegare insieme i negativi. Questo si evince anche dallo schema.
Il problema ora è che tu vuoi collegare le cuffie, e cioè tre terminali, ai quattro terminali di uscita del finale.
Puoi provare a fare così, ATTENZIONE non sono sicuro, lo lessi su un forum qualche tempo fa, quindi verifica.
Collega i due + del finale a delle resistenze da 100-330 ohm, queste ultime ai + delle cuffie. Il terminale - delle cuffie va a massa tramite un condensatore da 100 - 1000u. Prima di collegare le cuffie accendi l'ampli perchè il "bump" è forte.
Non prendere per oro colato ciò che ti ho scritto. Verifica prima.
Saluti
Raffaele
Allora, se segui il datasheet noterai che il finale è un quattro canali tipico per applicazioni "automobilistiche". Collegandolo nella configurazione stereo, lo schema da te postato, vai a collegare i finali a ponte. In virtù di ciò non credo che si possano collegare insieme i negativi. Questo si evince anche dallo schema.
Il problema ora è che tu vuoi collegare le cuffie, e cioè tre terminali, ai quattro terminali di uscita del finale.
Puoi provare a fare così, ATTENZIONE non sono sicuro, lo lessi su un forum qualche tempo fa, quindi verifica.
Collega i due + del finale a delle resistenze da 100-330 ohm, queste ultime ai + delle cuffie. Il terminale - delle cuffie va a massa tramite un condensatore da 100 - 1000u. Prima di collegare le cuffie accendi l'ampli perchè il "bump" è forte.
Non prendere per oro colato ciò che ti ho scritto. Verifica prima.
Saluti
Raffaele
Napoletani si nasce.....
Re: uscita cuffie su tda7377
ciao grazie per questa dritta. fra poco provo e ti faccio sapere cosa è successo! grazie ancora

