preamplificatore chitarra
preamplificatore chitarra
Buongiorno, avrei bisogno visto che non sono molto esperto di una mano nel progettare un preamplificatore per chitarra con i controlli di volume tono e una distorsione, se possibile con alcuni effetti integrati, grazie in anticipo
- Kagliostro
- Amministratore

- Messaggi: 9949
- Iscritto il: 03/12/2007, 0:16
- Località: Prov. di Treviso
Re: preamplificatore chitarra
Questo è stereo ma chiaramente lo puoi fare mono
Progetto completo
http://el34world.com/projects/StereoPreAmp1.htm
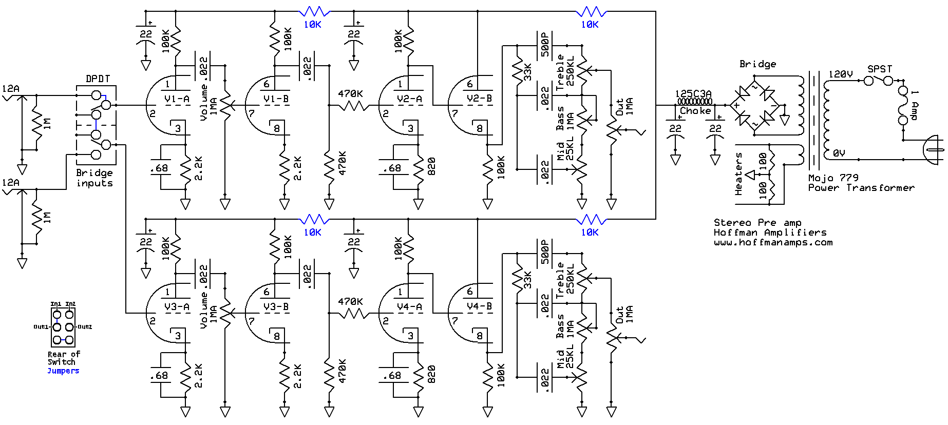
Cliccare sull'immagine per vederla a piena risoluzione Controlli di tono e volume presenti
K
Progetto completo
http://el34world.com/projects/StereoPreAmp1.htm
Cliccare sull'immagine per vederla a piena risoluzione Controlli di tono e volume presenti
K
Re: preamplificatore chitarra
Grazie mille
Re: preamplificatore chitarra
Ma a stato solido o valvole?
Qui siamo sotto stato solido, e quello è a valvole.
Inoltre quali effetti vorresti includere?
E soprattutto, quale esperienza hai?
Qui siamo sotto stato solido, e quello è a valvole.
Inoltre quali effetti vorresti includere?
E soprattutto, quale esperienza hai?
Re: preamplificatore chitarra
Preferirei a stato solido, e vorrei includere i controlli di tono volume, di effetti vorrei includere il canale distorto, tremolo e reverbero. In quanto ad esperienze diciamo che so leggere gli schemi, ho esperienze manuali es so saldare, forare, in quanto a teoria conosco le basi e cosa più importante ho mio padre che é un elettrotecnico e mi può seguire, grazie Dell interessamento e Dell aiuto.
- Kagliostro
- Amministratore

- Messaggi: 9949
- Iscritto il: 03/12/2007, 0:16
- Località: Prov. di Treviso
Re: preamplificatore chitarra
Sicuramente Robi ed altri ti sapranno essere d'aiuto molto più di me
comunque .....
http://gaussmarkov.net/wordpress/circuits/dr-boogey/
è un progetto completo di tutte le indicazioni che ti possono servire, c'è anche il file da stampare per poterti fare la PCB
io lo trovo interessante, è una versione SS del circuito a valvole di un pre Mesa
in rete si trovano altre versioni dello stesso circuito, ma per quanto ne so questa è la migliore
Ciao
K
comunque .....
http://gaussmarkov.net/wordpress/circuits/dr-boogey/
è un progetto completo di tutte le indicazioni che ti possono servire, c'è anche il file da stampare per poterti fare la PCB
io lo trovo interessante, è una versione SS del circuito a valvole di un pre Mesa
in rete si trovano altre versioni dello stesso circuito, ma per quanto ne so questa è la migliore
Ciao
K
Re: preamplificatore chitarra
Purtroppo non mi fa entrare nel sito, non é che me lo inviereste
- Kagliostro
- Amministratore

- Messaggi: 9949
- Iscritto il: 03/12/2007, 0:16
- Località: Prov. di Treviso
Re: preamplificatore chitarra
Ma da dove ti connetti ???
Forse si tratta di un problema momentaneo, riprova in altri momenti
-----
Comunque, ecco i file
Per vedere le immagini a piena risoluzione basta cliccarci sopra
Nel file Dr Boogie sono contenuti tutti gli altri file
Il file Eagle, naturalmente serve solo se hai Eagle e vuoi fare modifiche
I fet J201 li trovi da Banzai
http://www.banzaimusic.com/search.php?m ... rch&page=1
ma dovrebbero andar bene anche i 2N5457, i J310, gli MPF102 ed altri di cui non so le sigle ma so che esistono come alternativa
tendenzialmente il circuito ha molto guadagno e probabilmente usare qualcosa d'altro rispetto ai J201 che sono High Gain
aiuta a tenere sotto controllo la situazione, se lo provi attieniti a quello stampato ed usa cavetti schermati, è un circuito
sensibile e che "fischia" molto se il montaggio non è perfetto
Ciao
K
Forse si tratta di un problema momentaneo, riprova in altri momenti
-----
Comunque, ecco i file
Per vedere le immagini a piena risoluzione basta cliccarci sopra
Nel file Dr Boogie sono contenuti tutti gli altri file
Il file Eagle, naturalmente serve solo se hai Eagle e vuoi fare modifiche
I fet J201 li trovi da Banzai
http://www.banzaimusic.com/search.php?m ... rch&page=1
ma dovrebbero andar bene anche i 2N5457, i J310, gli MPF102 ed altri di cui non so le sigle ma so che esistono come alternativa
tendenzialmente il circuito ha molto guadagno e probabilmente usare qualcosa d'altro rispetto ai J201 che sono High Gain
aiuta a tenere sotto controllo la situazione, se lo provi attieniti a quello stampato ed usa cavetti schermati, è un circuito
sensibile e che "fischia" molto se il montaggio non è perfetto
Ciao
K
Re: preamplificatore chitarra
Grazie mille, purtroppo la rete non va molto bene, comunque io sono in provincia di Bari.
- Kagliostro
- Amministratore

- Messaggi: 9949
- Iscritto il: 03/12/2007, 0:16
- Località: Prov. di Treviso
Re: preamplificatore chitarra
Mah, sarà perchè con le feste la rete sarà sovraccarica
comunque, a parte magari qualche indicazione migliore da parte di altri
ho postato tutto quello che poteva interessarti e se cerchi in rete dr Boogie vedrai che trovi diversi forum dove se ne parla
Ciao
K
comunque, a parte magari qualche indicazione migliore da parte di altri
ho postato tutto quello che poteva interessarti e se cerchi in rete dr Boogie vedrai che trovi diversi forum dove se ne parla
Ciao
K
Re: preamplificatore chitarra
Qui trovi lo schema per un vibrato/tremolo e riverbero, sempre SS.
http://music-electronics-forum.com/atta ... ematic.pdf
http://music-electronics-forum.com/atta ... ematic.pdf
Re: preamplificatore chitarra
Grazie mille

