Progettiamo insieme un Loop a Mosfet by diyitalia?
Progettiamo insieme un Loop a Mosfet by diyitalia?
Ciao,
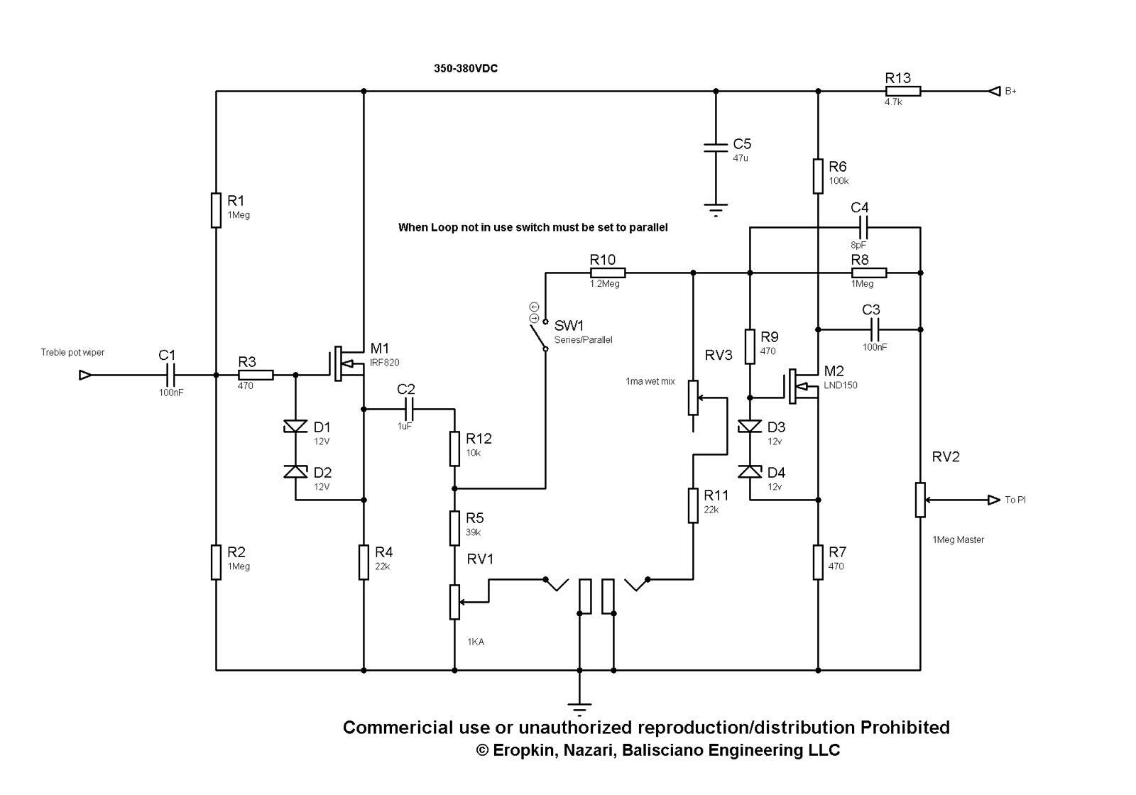
se posso permettermi, quello schema è vecchissimo ed uscito "agli albori" degli LND150, quando c'era chi ci faceva anche le plexi a pedale.
Gli LND150 non vanno bene come buffer di uscita, meglio il classico IRF820.
Inoltre il partitore è meglio farlo prima del mosfet che non dopo: perchè fargli fare più lavoro del dovuto per poi attenuare?
Sul return ti consiglio di applicare del feedback locale sul LND150.
Non ho i dati con me, ma avevo fatto un buffer IRF820 & LND150 e pilotava bene anche i carichi bassi da rack.
Per gusto personale toglierei anche i volumi dal loop.
Sentite ma... progettiamo un loop noi?
se posso permettermi, quello schema è vecchissimo ed uscito "agli albori" degli LND150, quando c'era chi ci faceva anche le plexi a pedale.
Gli LND150 non vanno bene come buffer di uscita, meglio il classico IRF820.
Inoltre il partitore è meglio farlo prima del mosfet che non dopo: perchè fargli fare più lavoro del dovuto per poi attenuare?
Sul return ti consiglio di applicare del feedback locale sul LND150.
Non ho i dati con me, ma avevo fatto un buffer IRF820 & LND150 e pilotava bene anche i carichi bassi da rack.
Per gusto personale toglierei anche i volumi dal loop.
Sentite ma... progettiamo un loop noi?
Re: Progettiamo insieme un Loop a Mosfet by diyitalia?
Praticamente lo hai già fatto
Manca solo qualche misura all'oscilloscopio.
Appena finisco il mio ampli mi metto a smanettare con altre robe, ora non voglio mettere altra carne sulla brace
Manca solo qualche misura all'oscilloscopio.
Appena finisco il mio ampli mi metto a smanettare con altre robe, ora non voglio mettere altra carne sulla brace
Re: Progettiamo insieme un Loop a Mosfet by diyitalia?
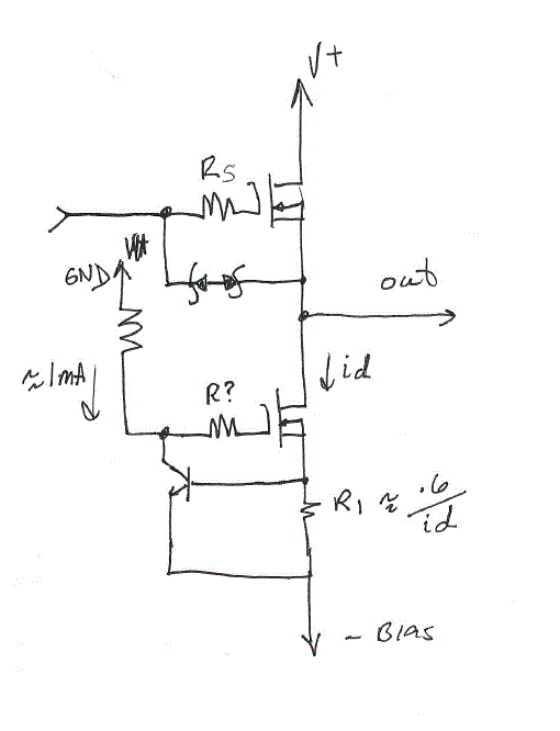
In realtà metterei un CCS sul source follower, e/o sul LND150, ed userei un mosfet un po' più moderno e magari un TO247.
Sarebbe interessante svilupparlo molto piccolo, con un jack stereo, per poterlo installare al posto di un'uscita cassa senza fare fori aggiuntivi.
Cosa ne dite?
Re: Progettiamo insieme un Loop a Mosfet by diyitalia?
...tipo questo:
https://www.mouser.com/datasheet/2/149/ ... 008158.pdf
o anche questo:
http://www.mouser.com/ds/2/115/ZVN0545A-92957.pdf
o questo:
https://www.mouser.com/datasheet/2/408/ ... 131742.pdf
ancor meglio questo, che include già gli zener:
https://www.mouser.it/datasheet/2/389/s ... 955367.pdf
o questo:
https://www.mouser.it/datasheet/2/196/I ... 131107.pdf
https://www.mouser.com/datasheet/2/149/ ... 008158.pdf
o anche questo:
http://www.mouser.com/ds/2/115/ZVN0545A-92957.pdf
o questo:
https://www.mouser.com/datasheet/2/408/ ... 131742.pdf
ancor meglio questo, che include già gli zener:
https://www.mouser.it/datasheet/2/389/s ... 955367.pdf
o questo:
https://www.mouser.it/datasheet/2/196/I ... 131107.pdf
Re: Progettiamo insieme un Loop a Mosfet by diyitalia?
Per capirci... ma è sufficiente riferirlo a massa, senza andare a riferirlo al bias del finale.
Re: Progettiamo insieme un Loop a Mosfet by diyitalia?
Codice: Seleziona tutto
* MODELLING FOR STB11NK50Z
.SUBCKT STB11NK50Z 1 2 3
LG 2 4 7.5n
LS 12 3 7.5n
LD 6 1 4.5n
RG 4 5 2.702
RS 9 12 0.219E-01
RD 7 6 0.304
RJ 8 7 0.232E-01
CGS 5 9 0.148E-08
CGD 7 10 0.225E-08
CK 11 7 0.408E-10
DGD 11 7 DGD
DBS 12 6 DBS
DBD 9 7 DBD
MOS 13 5 9 9 MOS L=1u W=1u
E1 10 5 101 0 1
E2 11 5 102 0 1
E3 8 13 POLY(2) 6 8 6 12 0 0 0 0 0.654E-01
G1 0 100 7 5 1u
D1 100 101 DID
D2 102 100 DID
R1 101 0 1MEG
R2 102 0 1MEG
.ENDS STB11NK50Z
.MODEL MOS NMOS
+ LEVEL = 3
+ VTO = 4.763
+ PHI = 0.847
+ IS = 0.1E-12
+ JS = 0
+ THETA = 0.304E-01
+ KP = 11.208
.MODEL DGD D
+ IS = 0.1E-12
+ CJO = 0.137E-10
+ VJ = 0.755
+ M = 0.349
.MODEL DBD D
+ IS = 0.1E-12
+ CJO = 0.155E-10
+ VJ = 0.761
+ M = 0.332
.MODEL DBS D
+ IS = 0.1E-12
+ BV = 569
+ N = 1
+ TT = 0.388E-06
+ RS = 0.636E-02
.MODEL DID D
+ IS = 0.01E-12
+ RS = 0
+ BV = 679
* END OF MODELLINGRe: Progettiamo insieme un Loop a Mosfet by diyitalia?
Partirei da questo che è ottimo ma migliorabile.
Re: Progettiamo insieme un Loop a Mosfet by diyitalia?
Ciao, ho fatto un thread separato per chi fosse interessato a condividere la progettazione.
- Kagliostro
- Amministratore

- Messaggi: 9949
- Iscritto il: 03/12/2007, 0:16
- Località: Prov. di Treviso
Re: Progettiamo insieme un Loop a Mosfet by diyitalia?
Ciao,
allora, come MOSFET io sceglierei sempre quelli con bassa corrente in modo da evitare la weak inversion che è una zona oscura in quanto non vengono progettati per lavorare in quella zona e quindi non so quanto siano lineari.
Lo ZVN0545A sarebbe l'ideale, in fondo non credo che si debbano pilotare carichi al di sotto di un 10kohm perchè a quella tensione vorrebbe già dire 35mA che sono tanti!
Anche lo FDPF5N50FT potrebbe essere un buon candidato perchè ha poca corrente ed un case di plastica che semplifica l'isolamento da un eventuale dissipatore.
Come generatore di corrente si potrebbe proprio usare un LND150 perchè basta mettere il gate a massa e una resistenza tra source e massa e si ottiene un GDC, quelli fatti con un componente attivo che fa da "ruba corrente" in controreazione in campo audio potrebbero oscillare.
Lo LND150 lavorerebbe bene come CCS a patto che la sua tensione di drain non scenda al di sotto di una cinquantina di volt ma considerando che per il send bisogna attenuare la tensione e come uscita si avrebbe al massimo un 20Vpp dovremmo starci dentro.
Non sono ancora riuscito a mettere su orcad il modello dell'LND150
allora, come MOSFET io sceglierei sempre quelli con bassa corrente in modo da evitare la weak inversion che è una zona oscura in quanto non vengono progettati per lavorare in quella zona e quindi non so quanto siano lineari.
Lo ZVN0545A sarebbe l'ideale, in fondo non credo che si debbano pilotare carichi al di sotto di un 10kohm perchè a quella tensione vorrebbe già dire 35mA che sono tanti!
Anche lo FDPF5N50FT potrebbe essere un buon candidato perchè ha poca corrente ed un case di plastica che semplifica l'isolamento da un eventuale dissipatore.
Come generatore di corrente si potrebbe proprio usare un LND150 perchè basta mettere il gate a massa e una resistenza tra source e massa e si ottiene un GDC, quelli fatti con un componente attivo che fa da "ruba corrente" in controreazione in campo audio potrebbero oscillare.
Lo LND150 lavorerebbe bene come CCS a patto che la sua tensione di drain non scenda al di sotto di una cinquantina di volt ma considerando che per il send bisogna attenuare la tensione e come uscita si avrebbe al massimo un 20Vpp dovremmo starci dentro.
Non sono ancora riuscito a mettere su orcad il modello dell'LND150
Re: Progettiamo insieme un Loop a Mosfet by diyitalia?
.... Scusate ragazzi, ma.... Da dove parte questa discussione?
Cioè: il primo post di Robi parte giá con delle risposte e dei consigli riguardo a quale schema?
Cioè: il primo post di Robi parte giá con delle risposte e dei consigli riguardo a quale schema?

