Ampli per auto TDA1552
Ampli per auto TDA1552
ehi luix stò pregettando anch'io un ampli per la macchina di un amico (a sto punto lo chiamero 500amp...) però volevo usare il TDA1552 (2X22w a14,4v su 4ohm)o il TDA8560 (2X40w 14,4v però a 2ohm)a seconda di quanto costano..per caso lo sai..?secondo te quale mi conviene...? io opterei per il 1552..
Il mio quesito in realtà era se potevi darmi una mano a progettare un circuitino anti bump: visto che uno dei piedini dell'integrato se collegato a massa manda il volume a 0 volevo sapere come potrei fare a mettere un temporizzatore in modo che quando accendo l'ampli il piedino mute è collegato a massa e quindi dovrebbe evitare il bump e dopo qualche secondo si scollega dalla massa collegandosi alla tensione e l'ampli è pronto a fare fuoco.... me la dai qualche dritta ??
Il mio quesito in realtà era se potevi darmi una mano a progettare un circuitino anti bump: visto che uno dei piedini dell'integrato se collegato a massa manda il volume a 0 volevo sapere come potrei fare a mettere un temporizzatore in modo che quando accendo l'ampli il piedino mute è collegato a massa e quindi dovrebbe evitare il bump e dopo qualche secondo si scollega dalla massa collegandosi alla tensione e l'ampli è pronto a fare fuoco.... me la dai qualche dritta ??
Ultima modifica di luix il 11/01/2007, 12:22, modificato 1 volta in totale.
Re: 20W Panda Amp funzionante
I costi di questi integrati non li conosco, penso poco comunque, tra le 2 e le 6 euro visto che sono ampli per autoradio...
Per il circuito anti bump puoi usare un generico comparatore ad operazionale, adesso non ho sotto mano lo schema ma si trova facilmente online, gli dai una soglia che ne so di 6V poi all'altro ingresso colleghi un condensatore che viene caricato alla tensione di alimentazione da una resistenza, la formula della carica di un condensatore è un esponenziale (vedi su wikipedia) da questa formula ti ricavi il tempo che il condensatore impiega per arrivare a 6V, quando arriva a 6V il comparatore porta l'uscita a tensione positiva e toglie il mute....
Per il circuito anti bump puoi usare un generico comparatore ad operazionale, adesso non ho sotto mano lo schema ma si trova facilmente online, gli dai una soglia che ne so di 6V poi all'altro ingresso colleghi un condensatore che viene caricato alla tensione di alimentazione da una resistenza, la formula della carica di un condensatore è un esponenziale (vedi su wikipedia) da questa formula ti ricavi il tempo che il condensatore impiega per arrivare a 6V, quando arriva a 6V il comparatore porta l'uscita a tensione positiva e toglie il mute....
MEMENTO trimmer Humdinger :lol1:
Re: 20W Panda Amp funzionante
Sul sito www.calpedel.it sono riportati i prezzi di molti integrati 
Re: 20W Panda Amp funzionante
grazie mick vado a vedere...
luix qua c potrebbe essere un inizio di schemino. I miei 12v arrivano alla res che in qualche secondo(da calcolare) carica il cap, quando passano più 6v (la mia tensione di rif) l'ic inverte la tensione di uscita ed elimina il muto... è teoricamente corretto?
i miei dubbi se non ho scritto scemate sono:
-cosa significano tutte quelle frecce collegate a massa??
-+15v e -15v dove li prendo? io arrivo a 12, e sopratutto non ho -15...?
illuminami.....
luix qua c potrebbe essere un inizio di schemino. I miei 12v arrivano alla res che in qualche secondo(da calcolare) carica il cap, quando passano più 6v (la mia tensione di rif) l'ic inverte la tensione di uscita ed elimina il muto... è teoricamente corretto?
i miei dubbi se non ho scritto scemate sono:
-cosa significano tutte quelle frecce collegate a massa??
-+15v e -15v dove li prendo? io arrivo a 12, e sopratutto non ho -15...?
illuminami.....
Re: 20W Panda Amp funzionante
L'idea è giusta ma il circuito è sbagliato...
Innanzitutto ti dico che un opamp funziona anche a tensione singola, solo che se la sua uscita dovrebbe essere negativa ti darà 0V;
Ad esempio se sul + hai 3V e sul - hai 10V la formula dice che Vout= (V+)-(V-)*A=(3-10)*A=-7A se A=1 allora Vout=-7V: se hai alimentato in duale cioè +-15V allora in uscita avrai -7V altrimenti se hai alimentato con alimentazione singola +15V in uscita avrai 0V.
In sostanza non ti devi preoccupare dell'alimentazione singola.
Devi dare all'ingresso - un riferimento di tensione, ad esempio i nostri 6V ed all'ingresso + una tensione crescente come la carica di un condensatore, in questo modo all'inizio avrai Vout=(V+)-(V-)*A=(0-6)*A=-6A siccome usiamo l'operazionale senza limite di guadagno A=100'000 quindi in teoria Vout=-600'000V in pratica Vout=0V.
Quando l'ingresso + supera l'ingresso - di qualche millivolt allora Vout=(6.01-6)*A=0.01*A=1000V in pratica però Vout=12V, ovviamente l'opamp non può creare tensione quindi non può erogare 1000V...
Il circuito è questo:
Innanzitutto ti dico che un opamp funziona anche a tensione singola, solo che se la sua uscita dovrebbe essere negativa ti darà 0V;
Ad esempio se sul + hai 3V e sul - hai 10V la formula dice che Vout= (V+)-(V-)*A=(3-10)*A=-7A se A=1 allora Vout=-7V: se hai alimentato in duale cioè +-15V allora in uscita avrai -7V altrimenti se hai alimentato con alimentazione singola +15V in uscita avrai 0V.
In sostanza non ti devi preoccupare dell'alimentazione singola.
Devi dare all'ingresso - un riferimento di tensione, ad esempio i nostri 6V ed all'ingresso + una tensione crescente come la carica di un condensatore, in questo modo all'inizio avrai Vout=(V+)-(V-)*A=(0-6)*A=-6A siccome usiamo l'operazionale senza limite di guadagno A=100'000 quindi in teoria Vout=-600'000V in pratica Vout=0V.
Quando l'ingresso + supera l'ingresso - di qualche millivolt allora Vout=(6.01-6)*A=0.01*A=1000V in pratica però Vout=12V, ovviamente l'opamp non può creare tensione quindi non può erogare 1000V...
Il circuito è questo:
MEMENTO trimmer Humdinger :lol1:
Re: 20W Panda Amp funzionante
ciao luix...
ho provato a fare lo schema più o meno completo.. che ne pensi?
mi sa che fatto un pò di casino con le connessioni sul tl081... e lm340 forse non serviva neanche.. il resto forse non è male..
...dai dimmi qualcosa...
bye grazie
(ps non so perchè ho scritto in inglese nello schema....mah...)
ho provato a fare lo schema più o meno completo.. che ne pensi?
mi sa che fatto un pò di casino con le connessioni sul tl081... e lm340 forse non serviva neanche.. il resto forse non è male..
...dai dimmi qualcosa...
bye grazie
(ps non so perchè ho scritto in inglese nello schema....mah...)
Re: 20W Panda Amp funzionante
Si infatti il 340 non serve anche perchè sicuro coi picchi di corrente lo rompi e poi non ti da 12V dai 14.4V della macchina xchè ha bisogno di almeno 3V in più in ingresso, cioè se vuoi tirar fuori 12V regolati devi darne almeno 15V.....
CMQ a parte quello lo schema è esatto... buon lavoro e fammi sapere! fon3
CMQ a parte quello lo schema è esatto... buon lavoro e fammi sapere! fon3
MEMENTO trimmer Humdinger :lol1:
Re: 20W Panda Amp funzionante
ok grazie...allora spero di aver capito qualcosa in più...
l'ultima cosa poi mi metto davvero a farlo:
-secondo te con un lettore mp3 o cd devo usare un preamp? non sono riuscito a capire niente nel datasheet...
-all'igresso un doppio pot da 100k è ok? lin o log?
l'ultima cosa poi mi metto davvero a farlo:
-secondo te con un lettore mp3 o cd devo usare un preamp? non sono riuscito a capire niente nel datasheet...
-all'igresso un doppio pot da 100k è ok? lin o log?
Re: 20W Panda Amp funzionante
Il gain ti è indicato nel datasheet ed è tra 25dB e 27dB, io direi che può stare senza preamp anche perchè l'impedenza di ingresso è sui 60k, il tuo lettore mp3 esce con 32ohm per pilotare le cuffie...
Male che va poi lo metti in una scatoletta apparte....
CMQ visto che siamo ultra OT creo un altro topic, posta PCB e foto quando hai fatto...
Un ultima cosa dove hai trovato la libreria del TDA?
Male che va poi lo metti in una scatoletta apparte....
CMQ visto che siamo ultra OT creo un altro topic, posta PCB e foto quando hai fatto...
Un ultima cosa dove hai trovato la libreria del TDA?
MEMENTO trimmer Humdinger :lol1:
Re: Ampli per auto TDA1552
ultra OT cosa vuol dire luix? azzardo: overthread? a volte mi sfuggono questi termini UT (ultratecnici)....
cmq la libreria l'ho presa sul sito di eagle.... ftp://ftp.cadsoft.de/eagle/userfiles/li ... a8560q.lbr ... è quella dell'8560q come puoi vedere, ma è intercambiabile pin to pin col 1552, hanno tutti e due 4 canali in BTL...
ho calcolato il tempo: 0,000680 F * 10000 ohm * 0,69 = 4,7 secondi che penso vadano bene per fare stabilizzare tutto... è giusto?
mi è venuta in mente un'altra cosetta... posso utilizzare in qualche modo l'altra parte di integrato per pilotare un led di stand-by?
appena vado avanti col progetto ti aggiorno..
ciao luix alla prossima...
cmq la libreria l'ho presa sul sito di eagle.... ftp://ftp.cadsoft.de/eagle/userfiles/li ... a8560q.lbr ... è quella dell'8560q come puoi vedere, ma è intercambiabile pin to pin col 1552, hanno tutti e due 4 canali in BTL...
ho calcolato il tempo: 0,000680 F * 10000 ohm * 0,69 = 4,7 secondi che penso vadano bene per fare stabilizzare tutto... è giusto?
mi è venuta in mente un'altra cosetta... posso utilizzare in qualche modo l'altra parte di integrato per pilotare un led di stand-by?
appena vado avanti col progetto ti aggiorno..
ciao luix alla prossima...
Ultima modifica di james il 11/01/2007, 14:24, modificato 1 volta in totale.
Re: Ampli per auto TDA1552
PS:
-5A di fusibile..?
-il doppio pot da 100k log in ingresso è ok? lin o log?
poi ti prometto che stò zitto e inizio a lavorare........
grazie...!
-5A di fusibile..?
-il doppio pot da 100k log in ingresso è ok? lin o log?
poi ti prometto che stò zitto e inizio a lavorare........
grazie...!
Re: Ampli per auto TDA1552
- Si 4.7secondi sono + che sufficienti ad evitare pop di accensione....
- Si puoi usare l'altro integrato per accendere un led che ti indica lo stand by
- Il fusibile lo calcoli così, in totale hai circa 50W, ammettiamo che siano RMS, dato che Prms=Vrms*Irms allora I=4.1A quindi un fusibile da 5A va benissimo, non so se lo trovi da 5A preciso comunque anche qualcosa di più va bene...
- si il pot da 100k è OK, va bene logaritmico...
PS OT vuol dire off topic cioè fuori luogo, visto che si parlava del panda amp ma poi il post è diventato sul TDA1552
- Si puoi usare l'altro integrato per accendere un led che ti indica lo stand by
- Il fusibile lo calcoli così, in totale hai circa 50W, ammettiamo che siano RMS, dato che Prms=Vrms*Irms allora I=4.1A quindi un fusibile da 5A va benissimo, non so se lo trovi da 5A preciso comunque anche qualcosa di più va bene...
- si il pot da 100k è OK, va bene logaritmico...
PS OT vuol dire off topic cioè fuori luogo, visto che si parlava del panda amp ma poi il post è diventato sul TDA1552
MEMENTO trimmer Humdinger :lol1:
Re: Ampli per auto TDA1552
ciao luix...grazie x gli ultimi consigli.. ma ...ehm...dovrei chiederti ancora una cosa...
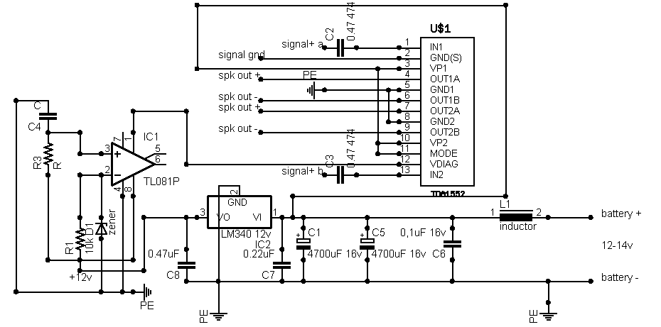
questo schema aggiornato (c'era un errore nel vecchio, ho scambiato il mute con l'out diagnostico) mi permette di accendere il led? Ho cercato un mucchio di informazioni su come fare con l'altro mezzo integrato, ma chiaramente non sono riuscito a cavarne una soluzione... dammi qualche info anche tu che provo a studiarci un pò...
tento anche un'altra soluzione:
posso usare l'altro mezzo integrato come se fosse il transistor che accende il led nel millenium bypass?
-forse con questo post al tempo dell'inquisizione sarei stato bruciato vivo per eresie....-
grazie ancora...
questo schema aggiornato (c'era un errore nel vecchio, ho scambiato il mute con l'out diagnostico) mi permette di accendere il led? Ho cercato un mucchio di informazioni su come fare con l'altro mezzo integrato, ma chiaramente non sono riuscito a cavarne una soluzione... dammi qualche info anche tu che provo a studiarci un pò...
tento anche un'altra soluzione:
posso usare l'altro mezzo integrato come se fosse il transistor che accende il led nel millenium bypass?
-forse con questo post al tempo dell'inquisizione sarei stato bruciato vivo per eresie....-
grazie ancora...
Ultima modifica di james il 15/01/2007, 1:49, modificato 1 volta in totale.
Re: Ampli per auto TDA1552
Weilà james,
come va con questo ampli???
Il led che vuoi accendere ti indica lo stand by o indica che l'ampli è attivo?
Se ti serve ad indicare l'ampli attivo ti basta un transistor collegato all'uscita dell'opamp con sul collettore un led ed una resistenza in serie...
fammi sapere....
come va con questo ampli???
Il led che vuoi accendere ti indica lo stand by o indica che l'ampli è attivo?
Se ti serve ad indicare l'ampli attivo ti basta un transistor collegato all'uscita dell'opamp con sul collettore un led ed una resistenza in serie...
fammi sapere....
MEMENTO trimmer Humdinger :lol1:
Re: Ampli per auto TDA1552
ciao luix
in realtà il led dovrebbe indicare solo la fase di stand-by.... ma è una cosa in più..
se hai tempo dammi un consiglio.... così magari riesco a mettere led di stand-by e led di funzionamento!
ciao grazie...
in realtà il led dovrebbe indicare solo la fase di stand-by.... ma è una cosa in più..
se hai tempo dammi un consiglio.... così magari riesco a mettere led di stand-by e led di funzionamento!
ciao grazie...


