Ciao Raffaele
Hai visto il kit di TubeTown con gli LND150 ?
altrimenti ci sarebbe questa possibilità
Cliccare sulle immagini per vederle a piena risoluzione
Se non ricordo male Martino dovrebbe aver fatto qualcosa, ma non son sicuro
Ah, dimenticavo, DaRos aveva pubblicato questo schema
http://www.diyitalia.eu/download/file.p ... &mode=view
K
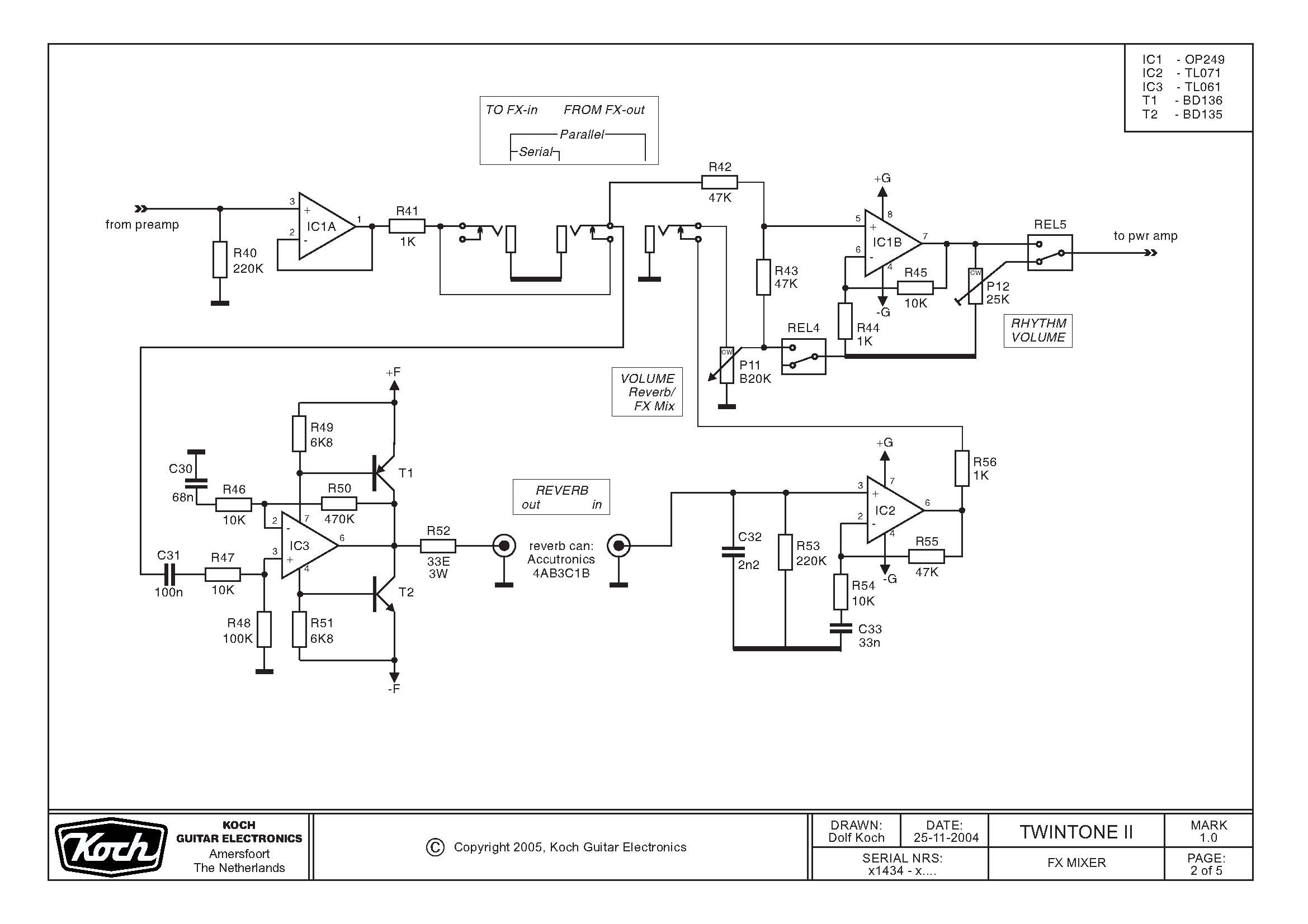
Driver riverbero SS Cerchiamo insieme la soluzione?
- Kagliostro
- Amministratore

- Messaggi: 9945
- Iscritto il: 03/12/2007, 0:16
- Località: Prov. di Treviso
Re: Driver riverbero SS Cerchiamo insieme la soluzione?
Quello che ho fatto io usa un opamp con buona corrente in uscita configurato come generatore di corrente. In pratica collegando la bobina tra uscita e ingresso invertente. In questo modo anche quando l'impedenza di ingresso sale la potenza trasmessa alla bobina resta costante.

