Salve a tutti.
Sto sistemando per un amico un amplificatore come da titolo, mi sono bloccato e sono qui a chiedere in vostro aiuto :)
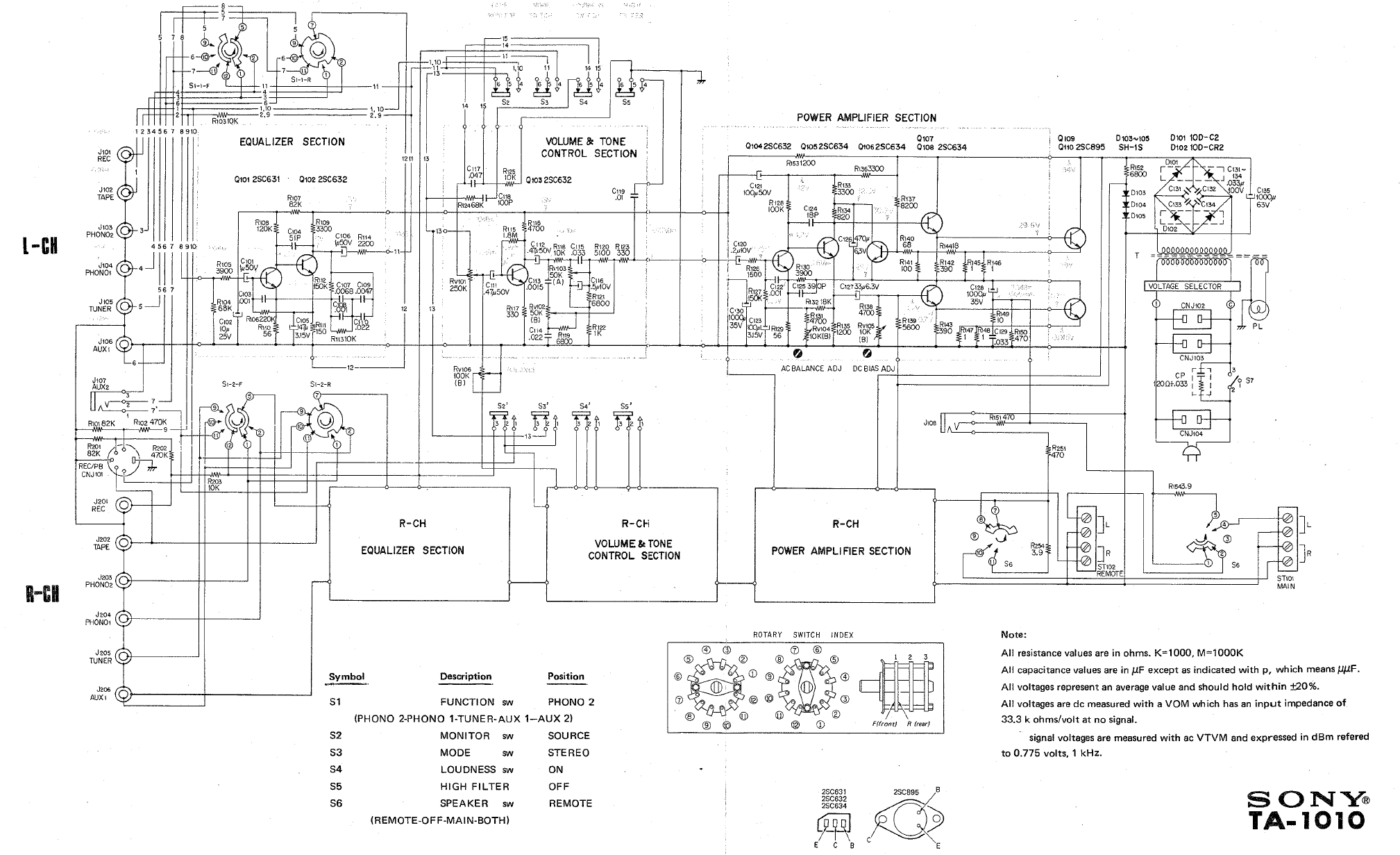
Inizialmente aveva un canale completamente morto, occhiata rapida e trovo subito delle resistenze cotte che sostituisco.
Nello specifico
R152 - 6800 ohm è quella crepata
R139 - 5600 ohm
R153 - 1200 ohm che per sicurezza cambio
Riprovo ad accenderlo e il canale risulta ancora morto.
Provo con il tester a cercare qualche corto e trovo il transistor di potenza Q109 (quello "alto") con collettore ed emettitore in corto.
Sostituito anche lui.
Ora l'uscita è muta ma è presente una forte oscillazione: collegandomi con l'oscilloscopio vedo il canale muto che ad intervalli regolari ha un'oscillazione che arriva attorno ai 20V e poi si smorza. Non so se mi sono spiegato, ma appena ho tempo provo a fare una misura più precisa.
(qualche matto su internet ha creato anche una simulazione su LTspice che allego, e avrei alche il PDF per la manutenzione ma non me lo lascia caricare come allegato, 8MB sono troppi?)
Buona serata a tutti.
Sony TA-1010
Sony TA-1010
- Allegati
-
- Sony TA1010.asc
- (7.12 KiB) Scaricato 238 volte
- Kagliostro
- Amministratore

- Messaggi: 9949
- Iscritto il: 03/12/2007, 0:16
- Località: Prov. di Treviso
Re: Sony TA-1010
Ciao bortolo
Io purtroppo non so aiutarti, di transistor capisco nulla
Riguardo al file forse hai ragione, magari è troppo grande, se vuoi potresti caricarlo su qualche Host e poi postare il link
Ci sono anche dei compressori online per file PDF ma il risultato dipende dal file di origine, comunque a volte si ottengono buoni risultati
K
Io purtroppo non so aiutarti, di transistor capisco nulla
Riguardo al file forse hai ragione, magari è troppo grande, se vuoi potresti caricarlo su qualche Host e poi postare il link
Ci sono anche dei compressori online per file PDF ma il risultato dipende dal file di origine, comunque a volte si ottengono buoni risultati
K
Re: Sony TA-1010
Le tensioni in continua sono ok? Fino all'ingresso della "power amp section" tutto ok?

