Sostieni il forum con una donazione! Il tuo contributo ci aiuterà a rimanere online!
Immagine

Marshall mg100dfx

Problemi con un ampli? Esponili qui!
Rispondi
Avatar utente
bushman
Diyer Esperto
Diyer Esperto
Messaggi: 356
Iscritto il: 09/03/2009, 21:40

Marshall mg100dfx

Messaggio da bushman » 02/09/2009, 13:58

salve raga, il finale di questo combo era saltato, è il tda 7293, ho ordinato il finale nuovo, era partito insieme a lui un fusibile...

arriva il finale nuovo, lo sostituisco cambio il fuse, ma l'ampli non funziona,
cerco di capire il problema ma nulla....

seguo il segnale dall' ingresso fino al finale.il segnale arriva fino al pin 2, ma non esce dal pin 14 del finale..
dico va be il finale sara' difettoso e per sicurezza ne riordino un altro, ma fa la stessa cosa...
cosa potrebbe essere??? :hummm_1:
Allegati
2.JPG
1.JPG

Avatar utente
Atolphase
Diyer
Diyer
Messaggi: 223
Iscritto il: 20/06/2009, 10:55

Re:Marshall mg100dfx

Messaggio da Atolphase » 02/09/2009, 14:04

Non è ch'è partito anche C5, controlla anche C7 e C6 giusto per essere crupolosi non si sa mai.

Avatar utente
bushman
Diyer Esperto
Diyer Esperto
Messaggi: 356
Iscritto il: 09/03/2009, 21:40

Re:Marshall mg100dfx

Messaggio da bushman » 02/09/2009, 14:08

li ho anche cambiati, sulla sigla ci sta scritto C22P dei ceramici, ma corrispondono a 22 pico?

Avatar utente
guitarman89
Diyer Eroe
Diyer Eroe
Messaggi: 518
Iscritto il: 02/10/2006, 16:50
Località: Carpineto Romano

Re:Marshall mg100dfx

Messaggio da guitarman89 » 02/09/2009, 14:29

premesso ke quest'ampli non mi piace (ho provato sia la versione testata+cassa che la combo) e che la marshall ultimamente toppa alla grande con i suoi prodotti in termini di qualità dei componenti e durabilità degli stessi, direi che dovresti vedere se c'è un jack con la scritta emulated line out, perchè sulla versione da 30W di questo ampli (ne ha uno l'altro chitarrista che suona con me) aveva un problema simile e l'ho risolto riparando il suddetto jack ke faceva le bizze. In pratica non si sentiva nulla, ma facendo fare bene contatto tra l'aletta che tocca la massa del jack dell'emulated line out e la massa dell'ampli l'amplificatore tornava!

Tentar non nuoce! occhio all'alimentazione che sul 100W rischi di rimanerci secco! Spero di esserti stato utile!
ki ha il coraggio d vivere è il padrone del mondo

Avatar utente
bushman
Diyer Esperto
Diyer Esperto
Messaggi: 356
Iscritto il: 09/03/2009, 21:40

Re:Marshall mg100dfx

Messaggio da bushman » 02/09/2009, 15:30

ho provato sia i condensatori che l'uscita line out, niente, niente, non funge...

dico come sia possibile che non esce il tutto dal piedino 14 del tda

Avatar utente
bushman
Diyer Esperto
Diyer Esperto
Messaggi: 356
Iscritto il: 09/03/2009, 21:40

Re:Marshall mg100dfx

Messaggio da bushman » 02/09/2009, 19:12

ho visto anche le allimentazioni sul tda, vanno bene, continua a non funzionare, il segnale all'ingresso c'è, all'uscita sul piedino 14 si sente muuuuuuuuuuuuuuuuuuuuuuuuuuuuuuu....

Avatar utente
Atolphase
Diyer
Diyer
Messaggi: 223
Iscritto il: 20/06/2009, 10:55

Re:Marshall mg100dfx

Messaggio da Atolphase » 02/09/2009, 19:31

Ma cosa molto strana, il connettore l'hai controllato tutto.

Avatar utente
bushman
Diyer Esperto
Diyer Esperto
Messaggi: 356
Iscritto il: 09/03/2009, 21:40

Re:Marshall mg100dfx

Messaggio da bushman » 02/09/2009, 20:01

si si, il connettore è buono funziona tutto perfettamente, non esce dal piedino 14 eè impossibile

Avatar utente
Atolphase
Diyer
Diyer
Messaggi: 223
Iscritto il: 20/06/2009, 10:55

Re:Marshall mg100dfx

Messaggio da Atolphase » 02/09/2009, 20:34

Domanda cosa potrebbe mandare il corto il pin 14.
I condnsatori  C1 C2 C3 C4 funzionano vero.

Avatar utente
bushman
Diyer Esperto
Diyer Esperto
Messaggi: 356
Iscritto il: 09/03/2009, 21:40

Re:Marshall mg100dfx

Messaggio da bushman » 02/09/2009, 20:46

si funzionano, sono i primi che ho controllato. li ho pure cacciati, e misurano bene..

Avatar utente
bushman
Diyer Esperto
Diyer Esperto
Messaggi: 356
Iscritto il: 09/03/2009, 21:40

Re:Marshall mg100dfx

Messaggio da bushman » 03/09/2009, 10:17

posso nel caso controllare qualcosaltro, ma cosa?

van halen
Diyer
Diyer
Messaggi: 224
Iscritto il: 30/08/2009, 17:21

Re:Marshall mg100dfx

Messaggio da van halen » 10/09/2009, 16:04

scusami bushman quello ke avevi espoto quando hai aperto il topic è lo schema del mg 100 dfx ??? anke se non kredo che sia completo cmq se hai lo schema intero me lo potresti passare voglio passare il tempo facendo un ampli a stato solido  :Gra_1: :Gra_1:
lo ammetto ................. sono un diy dipendente!!!!!!

Avatar utente
bushman
Diyer Esperto
Diyer Esperto
Messaggi: 356
Iscritto il: 09/03/2009, 21:40

Re:Marshall mg100dfx

Messaggio da bushman » 29/09/2009, 11:10

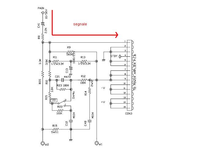
eccoti lo schema, io ancora non riesco cmq a risolvere il problema, all'uscita del finale non esce nulla, nessun segnale.....all'ingresso c'è ma sul piedino 14 no.

sul piedino 14 esce solo un segnale che fa muuuuuuuuuuuu continuo.

le alimentazioni sono giuste, che cacchi puo' essere?
io escluderei la scheda pre, il segnale passa dappertutto.....
aiutatemiiiii :eek1:
Allegati
MArshall_MG100DFX.pdf
(219.05 KiB) Scaricato 530 volte

Avatar utente
bushman
Diyer Esperto
Diyer Esperto
Messaggi: 356
Iscritto il: 09/03/2009, 21:40

Re:Marshall mg100dfx

Messaggio da bushman » 29/09/2009, 13:29

up

Rispondi