Sostieni il forum con una donazione! Il tuo contributo ci aiuterà a rimanere online!

Discussioni su tutto ciò che riguarda l'elettronica e le sue applicazioni
-
james
- Diyer

- Messaggi: 219
- Iscritto il: 25/08/2006, 12:46
Messaggio
da james » 19/02/2007, 3:19
ciao ragà
il problema elettronico che mi attanaglia questa notte è:
come si fa un caricabatterie che esca con un voltaggio e un amperaggio che decido io???
ogni consiglio è apprezzatissimo!!!
ciaoo

-
mick
- Amministratore

- Messaggi: 1727
- Iscritto il: 06/05/2006, 16:24
Messaggio
da mick » 19/02/2007, 3:39
Allora... Di solito le batterie vengono caricate
a corrente costante quindi quello che ti serve è un dispositivo in grado di alimentare la batteria con una corrente di valore fisso... La cosa più semlice che mi viene in mente (e che è anche molto diffusa) è usare un LM317 in questo modo (datasheet)
Una volta che hai stabilito con quale corrente I caricare la batteria la resistenza deve essere
R= 1,25 / I
-
james
- Diyer

- Messaggi: 219
- Iscritto il: 25/08/2006, 12:46
Messaggio
da james » 19/02/2007, 4:01
ciao mick
ti ringrazio per il consiglio! però devo regolare anche il voltaggio... posso regolarlo con lo schema solito dell'lm317 e poi mettere in serie prima dell'uscita r1 (usando la tua formula per calcolare gli A?) ??
mi interesserebbe sapere come si fa con lm317 visto che è comunissimo...
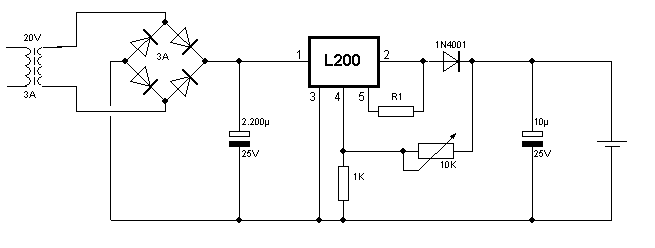
io ho trovato questo,dedicato alla carica della batterie, che ne dici? lo trovo l'L200? così regolo volt e ampere...
-
Allegati
-

-
mick
- Amministratore

- Messaggi: 1727
- Iscritto il: 06/05/2006, 16:24
Messaggio
da mick » 19/02/2007, 13:04
L'integrato L200 è un regolatore che fino a qualche anno fa si trovava, adesso non so se è ancora disponibile... Per quanto riguarda la carica delle batterie l'importante è rtegolare la corrente, non la tensione... Anche perchè regoli una o l'altra...
-
james
- Diyer

- Messaggi: 219
- Iscritto il: 25/08/2006, 12:46
Messaggio
da james » 19/02/2007, 14:25
ok... provo a cercarlo l'L200..chissà..... cmq il 317 ce l'ho già: basta che entro sul Vin con una decina di volt (o cmq vado a leggermi la caduta per avere 9v in out) e poi regolo gli A dopo allora?
ciao e grazie ancora...
-
mick
- Amministratore

- Messaggi: 1727
- Iscritto il: 06/05/2006, 16:24
Messaggio
da mick » 19/02/2007, 15:07
james ha scritto:
basta che entro sul Vin con una decina di volt (o cmq vado a leggermi la caduta per avere 9v in out) e poi regolo gli A dopo allora?
esatto

-
james
- Diyer

- Messaggi: 219
- Iscritto il: 25/08/2006, 12:46
Messaggio
da james » 20/02/2007, 2:35
il circuitino funziona, ho messo una 100 ohm che dovrebbe portarmi l'out intorno ai 12mA....giusto?
e mo come faccio a misurarli per essere sicuro? io un aperometro ce l'ho ma mi arriva in fondoscala e è da 100mA....! il mio tester non ho ancora capito come si fa a fargli misurare gli A...
-
mick
- Amministratore

- Messaggi: 1727
- Iscritto il: 06/05/2006, 16:24
Messaggio
da mick » 20/02/2007, 2:46
james ha scritto:
il circuitino funziona, ho messo una 100 ohm che dovrebbe portarmi l'out intorno ai 12mA....giusto?
e mo come faccio a misurarli per essere sicuro? io un aperometro ce l'ho ma mi arriva in fondoscala e è da 100mA....! il mio tester non ho ancora capito come si fa a fargli misurare gli A...
Metti in uscita del circuito una resistenza con tolleranza all'1% da 1K e misura la tensione ai capi di questa resistenza: dovrebbe essere di 12,5V circa

-
james
- Diyer

- Messaggi: 219
- Iscritto il: 25/08/2006, 12:46
Messaggio
da james » 21/02/2007, 0:33
ehi mick il metodo della resistenza funziona per misurare l'out (con batteria scolegata)! invece ho provato a mettere in serie il tester con batteria collegata e non mi dava nessun amperaggio... la batteria era carica può essere questo il motivo?
-
james
- Diyer

- Messaggi: 219
- Iscritto il: 25/08/2006, 12:46
Messaggio
da james » 22/02/2007, 1:42
approfitto per chiedeti un'altra cosetta.... parlando della misurazione degli A usando la res da 1k: la suddetta res deve tener conto della del wattaggio che gli viene fornito? cioè se uso una res da 1k 1/2w con collegato direttamente un trafo da tipo 5A, la fondo? oppure il consumo è semplicemente limitato dalla res e usando il tester sui dui capi leggo lo stesso i gli A?

-
mick
- Amministratore

- Messaggi: 1727
- Iscritto il: 06/05/2006, 16:24
Messaggio
da mick » 22/02/2007, 14:54
james ha scritto:
approfitto per chiedeti un'altra cosetta.... parlando della misurazione degli A usando la res da 1k: la suddetta res deve tener conto della del wattaggio che gli viene fornito? cioè se uso una res da 1k 1/2w con collegato direttamente un trafo da tipo 5A, la fondo? oppure il consumo è semplicemente limitato dalla res e usando il tester sui dui capi leggo lo stesso i gli A?
La potenza dissipata da una resistenza si trova con le solite formule
P = V^2 / R
P = R * I^2
Nel caso del caricabatterie la pot dissipata dalla resistenza è 1000 * 0,012^2 = 0,14W... Con una resitenza da 0,25W sei a posto

Nel caso del trasf devi conoscere prima la corrente (efficace) che attracersa la esistenza oppuer la tensione a cui viene sottoposta: solo disponendo di questi valori puoi trovare la potenza dissipata
