Sostieni il forum con una donazione! Il tuo contributo ci aiuterà a rimanere online!
Immagine

ho un dubbio...

Discussioni su tutto ciò che riguarda l'elettronica e le sue applicazioni
Rispondi
Avatar utente
kruka
Braccio destro di Roger Mayer
Braccio destro di Roger Mayer
Messaggi: 1895
Iscritto il: 10/05/2006, 16:20
Località: Ancona

ho un dubbio...

Messaggio da kruka » 24/08/2006, 21:07

..tanto per cambiare  :lol:

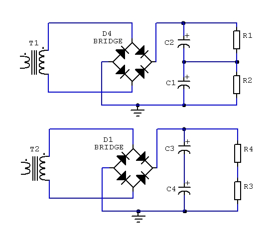
i due circuiti che vi posto sono equivalenti o c'è un motivo per
aggingere la connessione tra le due res e i due condensatori???

a parte che serve a ridurre il voltagio dei condensatori e il vattaggio delle res

:Gra_1:
Allegati
ScreenShot008.jpg
Un esperto è un uomo che ha fatto tutti gli errori che si possono fare in un campo molto ristretto - Niels Bohr

Avatar utente
luix
Amministratore
Amministratore
Messaggi: 3422
Iscritto il: 06/05/2006, 14:26

Re: ho un dubbio...

Messaggio da luix » 24/08/2006, 21:19

No non sono equivalenti, le resistenze servono a ripartire con precisione la tensione tra i due condensatori dato che gli elettrolitici hanno tolleranze del 20%...
MEMENTO trimmer Humdinger :lol1:

Avatar utente
kruka
Braccio destro di Roger Mayer
Braccio destro di Roger Mayer
Messaggi: 1895
Iscritto il: 10/05/2006, 16:20
Località: Ancona

Re: ho un dubbio...

Messaggio da kruka » 24/08/2006, 21:31

:banra:

grazie.
Un esperto è un uomo che ha fatto tutti gli errori che si possono fare in un campo molto ristretto - Niels Bohr

Rispondi