Sostieni il forum con una donazione! Il tuo contributo ci aiuterà a rimanere online!

Discussioni su tutto ciò che riguarda l'elettronica e le sue applicazioni
-
El.guerrero
- Diyer Eroe

- Messaggi: 714
- Iscritto il: 01/01/2007, 21:10
- Località: Prov, Como
Messaggio
da El.guerrero » 14/04/2010, 18:55
Si ma oldengl intendevo cioe' sia hiss che humm davvero nulla?
Cavolo dimmi dimmi che bel risultato bravo te e bravo luix

Diy: Fat boost,Red Llama...And Soldano Slo 50w
[url=http://ubanimator.com][img]http://img225.imageshack.us/img225/8759/userbar529479ge7.gif[/img][/url]
-
oldengl
- Diyer Eroe

- Messaggi: 967
- Iscritto il: 23/02/2008, 2:21
Messaggio
da oldengl » 14/04/2010, 19:01
Si ma oldengl intendevo cioe' sia hiss che humm davvero nulla?
vabbe' non è che se me lo chiedi due volte cambia qualcosa eheh

no davvero nulla credimi cmq credo che un ruolo importante ce l'abbia anche la scehermatura della chitarra e della pedalboard, fatte a dovere, ma proprio per questo eventuali rumori sarebbero stati attribuiti all'alimentatore..ma NON NE HA!
ps. se hai tempo aiutami a risolvere sto maledetto fischio del tube driver, c'è un nuovo thread in merito ciao mitico!
Ignoranti quem portum petat nullus suus ventus est
-
gormangox
- Diyer

- Messaggi: 103
- Iscritto il: 28/08/2008, 17:09
Messaggio
da gormangox » 21/04/2010, 17:25
Se ho un trasformatore con due secondari da 15V ognuno posso usarlo in comune con due schemi?
Uno raddrizzerebbe l'alternata utilizzando i due secondari a ponte in modo da avere 30V e l'altro utilizzerebbe solo uno dei due secondari per ottenere 15V. Si può fare o ho detto un'idiozia?
-
oldengl
- Diyer Eroe

- Messaggi: 967
- Iscritto il: 23/02/2008, 2:21
Messaggio
da oldengl » 21/04/2010, 18:00
se ho capito bene cio' che vuoi dire ..che io sappia non si puo' fare

Ignoranti quem portum petat nullus suus ventus est
-
gormangox
- Diyer

- Messaggi: 103
- Iscritto il: 28/08/2008, 17:09
Messaggio
da gormangox » 21/04/2010, 18:30
Ok lasciamo perdere l'ultima idea.....
Se invece lo stesso trasformatore con due secondari da 15V e presa centrale viene collegato a ponte ottengo 30V ?
La presa centrale non va usata? E i diodi di raddrizzamento come vanno configurati in questo caso?
-
oldengl
- Diyer Eroe

- Messaggi: 967
- Iscritto il: 23/02/2008, 2:21
Messaggio
da oldengl » 21/04/2010, 18:39
se metti i secondari di un trafo in serie ottieni come tensione il doppio ma come intensità di corrente la meta', se li metti in parallelo stessa tensione ma il doppio degli ampère... riguardo la tipologia del tuo trafo (con center tap) dovresti usare la rettifica a diodi come da schema altrimenti usando quella a ponte avresti una tensione duale..
ps. io presi un trafo senza center tap e ho rettificato a ponte diodi...
Ignoranti quem portum petat nullus suus ventus est
-
gormangox
- Diyer

- Messaggi: 103
- Iscritto il: 28/08/2008, 17:09
Messaggio
da gormangox » 22/04/2010, 17:16
A ponte intendo i terminali dei secondari non la rettifica...
Allora io ho due secondari da 15V e presa centrale. Devo ottenere 30V in uscita.
Quindi li devo mettere a ponte,giusto? I due terminali dove c'è scritto 15 vanno a due diodi raddrizzatori e poi collegati insieme e la presa centrale ( dove c'è scritto 0 ) a massa? Così configurato può erogare però la metà della corrente totale dichiarata.
Ho capito bene?
-
gormangox
- Diyer

- Messaggi: 103
- Iscritto il: 28/08/2008, 17:09
Messaggio
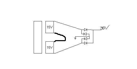
da gormangox » 22/04/2010, 18:14
Facendo così (vedi immagine allegata così ci capiamo meglio) riesco a raddrizzare entrambe le semionde?
La frequenza per i calcoli successivi dei condensatori passa da 50 Hz a 100 Hz o rimane 50?
-
Allegati
-

-
oldengl
- Diyer Eroe

- Messaggi: 967
- Iscritto il: 23/02/2008, 2:21
Messaggio
da oldengl » 26/04/2010, 0:45
se utilizzi un trafo col center tap e raddrizzi a ponte ottieni una tensione duale.. riguardo il ponte dei secondari si in quel modo ottieni il doppio della tensione ma a te servirebbe un trafo senza center tap se vuoi proprio raddrizzare a ponte, altrimenti ci metti solo due diodi come nello schema del psu 723 di luix e puoi tenere anche il trafo col center tap
cmq se vuoi dai un'occhiata qui riguardo la tensione duale:
http://www.antoniosantoro.com/duale.htm
Ignoranti quem portum petat nullus suus ventus est
-
gormangox
- Diyer

- Messaggi: 103
- Iscritto il: 28/08/2008, 17:09
Messaggio
da gormangox » 27/04/2010, 22:08
Devo ottenere in continua un uscita da 24V che eroga 0,1 A e un uscita da 9V che eroga 1,2A con due circuiti di stabilizzazione separati ma con lo stesso trasformatore.
Secondo la formula della potenza del trasformatore:
P=((24x0,1)+(9x1.2)+0,7x( (1.2+0.1) / 1.44) x2diodi)/0,8 = 2,4+10,8+1.3arrotondato/0,8 = 18,2 arrotondato
Ora non mi è chiaro quante volte devo raddoppiare questo valore tenendo conto che il trasformatore non ha un secondario da 30V ma ne ha 2 da 15V messi in serie per ottenere 30V e che la corrente verrà raddrizzata con un ponte raddrizzatore a 4 diodi.
-
oldengl
- Diyer Eroe

- Messaggi: 967
- Iscritto il: 23/02/2008, 2:21
Messaggio
da oldengl » 28/04/2010, 0:55
gormangox se vuoi usare il trafo che hai descritto (0.75A per secondario) con i secondari in serie non ci puoi tirare fuori 1.3A che ti servono... ti serve un altro trafo!!.. poi se è quello col center tap non puoi collegarlo come hai detto tu col ponte raddrizzatore a 4 diodi...
io ti consiglio di prenderti un bel trafo anche a due secondari 15v+15 senza center tap (e con ampère adeguati ovviamente), li metti in serie e poi ci fai quel che vuoi

Ignoranti quem portum petat nullus suus ventus est
-
gormangox
- Diyer

- Messaggi: 103
- Iscritto il: 28/08/2008, 17:09
Messaggio
da gormangox » 28/04/2010, 1:09
Il trasformatore in questione non ha il center tap ma ha 4 terminali 0-15 e 0-15 quindi dovrei poter usare il ponte raddrizzatore.
Con la formula della potenza mi è uscito 18,2W e il trasformatore che ho è 22.5W però non va bene...
Cosa c'è quindi che manca nella formula relativamente al mio caso?
-
jackson
- Diyer Esperto

- Messaggi: 402
- Iscritto il: 24/01/2010, 12:44
- Località: Curno (BG)
Messaggio
da jackson » 28/04/2010, 10:30
Scusa ma non riesco a capire il tuo dubbio.

Se con la formula precedente ti sei calcolato la potenza necessaria del trafo che ti serve ed è di 18,2W e quello in tuo possesso è di potenza superiore, sei a posto!

Jack!
-
gormangox
- Diyer

- Messaggi: 103
- Iscritto il: 28/08/2008, 17:09
Messaggio
da gormangox » 28/04/2010, 17:01
Allora oldengl mi dice che il trafo 30V 0.75A non va bene.
Jackson mi dice invece che va bene essendo il trafo da 22.5W.
Nel caso in cui il trafo sia idoneo il mio dubbio consiste nel capire come può un trafo da 0,75A fornire 1,2A su 9V e 0.1A su 24V.
Nel caso in cui il trafo non sia idoneo allora il mio dubbio consiste nel capire dov'è l'errore nella formula che ho usato per calcolare la potenza che mi ha dato come risultato 18,2W.
E' chiaro ora il mio dubbio?
-
oldengl
- Diyer Eroe

- Messaggi: 967
- Iscritto il: 23/02/2008, 2:21
Messaggio
da oldengl » 28/04/2010, 17:58
Allora oldengl mi dice che il trafo 30V 0.75A non va bene
per quanto ne so io con un trafo 30V 0.75A (erogazione massima di corrente con i due secondari in serie) non ce ne tiri fuori 1.3A.. potrei sbagliarmi, in caso qualcuno piu' competente di me potrebbe fornirti una spiegazione se afferma il contrario

Ignoranti quem portum petat nullus suus ventus est