domanda veloce- larghezza piste per 220VAC su eagle
domanda veloce- larghezza piste per 220VAC su eagle
siccome ho un trafo da 25VA toroidale da pcb, e devo farci un alimentatore, volevo saper su quale misura devo stare per le piste dove passa la 220V per essere sicuro al 100% di non bruciarle e fare danni.
Re:domanda veloce- larghezza piste per 220VAC su eagle
La larghezza delle piste è influenzata dalla corrente che le attraversa più che dalla tensione...... La tensione determina piuttosto quanto devono stare distanti le piste tra loro per evitare sia fenomeni di scarica elettrica sia fenomeni di capacità parassite (due piste separate elettricamente e sottoposte a tensione costituiscono uno pseudo condensatore).... In rete trovi cmq dei diagrammi che, se non ricordo male, restituiscono la larghezza delle piste in funzione della corrente.... 

Re:domanda veloce- larghezza piste per 220VAC su eagle
red_face pecco di teoria... non saprei come calcolare la corrente attraversata.
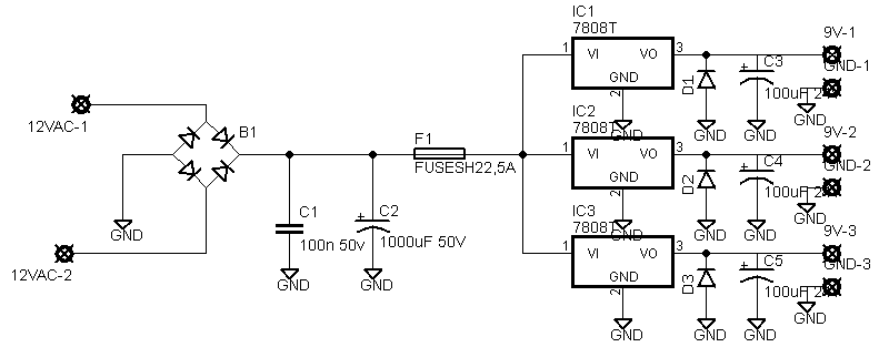
allego lo schema dell'alimentatore come lo sto facendo.
il trafo è incapsulato toroidale da 25VA pri 115/115 sec 12/12 metterò in serie i due primari, in parallelo i secondari e inserisco un fusibile che ha l'allogio nella presa da 2A rapido.
il fusibile prima dei regolatori (che sono 7809) lo metto da 1.6A rapido.
dato che le uscite totali a 9V saranno 10, a 2 regolatori andranno collegate in parallelo 3 uscite isolate, all'altro 4.
l'assorbimento MASSIMO calcolato molto per abbondanza della pedaliera che servirà è di 1.5A
i regolatori saranno opportunamente alettati.
dato che faccio queste domande più per imparare che per farmi dire "salda li che funziona" come si calcola la corrente che passerà sulle piste che vanno dalla presa ai primari?
che poi pensandoci magari li collego volanti con fili, ma cosi imparo qualcosa...
allego lo schema dell'alimentatore come lo sto facendo.
il trafo è incapsulato toroidale da 25VA pri 115/115 sec 12/12 metterò in serie i due primari, in parallelo i secondari e inserisco un fusibile che ha l'allogio nella presa da 2A rapido.
il fusibile prima dei regolatori (che sono 7809) lo metto da 1.6A rapido.
dato che le uscite totali a 9V saranno 10, a 2 regolatori andranno collegate in parallelo 3 uscite isolate, all'altro 4.
l'assorbimento MASSIMO calcolato molto per abbondanza della pedaliera che servirà è di 1.5A
i regolatori saranno opportunamente alettati.
dato che faccio queste domande più per imparare che per farmi dire "salda li che funziona" come si calcola la corrente che passerà sulle piste che vanno dalla presa ai primari?
che poi pensandoci magari li collego volanti con fili, ma cosi imparo qualcosa...
Re:domanda veloce- larghezza piste per 220VAC su eagle
Non credo di aver capito del tutto cos'hai intenzione di fare, posta lo schema e saremo in grado di darti delle risposte precise 
http://www.vincenzov.net/tutorial/stamp ... episte.htm

http://www.vincenzov.net/tutorial/stamp ... episte.htm
Re:domanda veloce- larghezza piste per 220VAC su eagle
ops.. dimenticato lo schema. eccolo
interresante il link, più per la parte delle distanze secondo me..
interresante il link, più per la parte delle distanze secondo me..
Re:domanda veloce- larghezza piste per 220VAC su eagle
per calcolare le correnti di un trafo si usa la formula: I=P/V - nel tuo caso:ilden ha scritto: ...
il trafo è incapsulato toroidale da 25VA pri 115/115 sec 12/12 metterò in serie i due primari, in parallelo i secondari e inserisco un fusibile che ha l'allogio nella presa da 2A rapido.
il fusibile prima dei regolatori (che sono 7809) lo metto da 1.6A rapido.
...
al primario: I=25/(115+115)=0,11A
al secondario: I=25/12=2,08A

Jack!
Re:domanda veloce- larghezza piste per 220VAC su eagle
grazie!
quindi i fusibili sono mal dimensionati direi giusto?
quello sul primario dovrei metterlo poco maggiore del valore di 0,11A o poco meno? stesso vale per il secondario..
tornando alla prima domanda, la corrente che passa sulle piste del primario a 220V è poco più di 100mA e da quel che capisco dal link di mick, sotto l'1A non dovrei avere problemi... le faccio della massima dimensione possibile, credo oltre i 3mm... che dovrebbe essere abbastanza... rimane la distanza tra loro, sul link indica fino a 350V min 1,5mm di distanza, e ci sto bene, lascerò anche 3/4 mm che ci sono.
risolto questo punto, faccio un OT: dello schema dell'alimentatore cosa ne pensate? è abbastanza bene fatto?
quindi i fusibili sono mal dimensionati direi giusto?
quello sul primario dovrei metterlo poco maggiore del valore di 0,11A o poco meno? stesso vale per il secondario..
tornando alla prima domanda, la corrente che passa sulle piste del primario a 220V è poco più di 100mA e da quel che capisco dal link di mick, sotto l'1A non dovrei avere problemi... le faccio della massima dimensione possibile, credo oltre i 3mm... che dovrebbe essere abbastanza... rimane la distanza tra loro, sul link indica fino a 350V min 1,5mm di distanza, e ci sto bene, lascerò anche 3/4 mm che ci sono.
risolto questo punto, faccio un OT: dello schema dell'alimentatore cosa ne pensate? è abbastanza bene fatto?