Ciao
Amplificatore ibrido
Re: Amplificatore ibrido
Sono due ingressi microfonici .......e ho seguito passo passo il CS
Ciao
Ciao

Leonardo diceva: "L'esperienza è il nome che si dà ai propri sbagli."
- Kagliostro
- Amministratore

- Messaggi: 9952
- Iscritto il: 03/12/2007, 0:16
- Località: Prov. di Treviso
Re: Amplificatore ibrido
Non ricordo bene ma mi pare che ci fosse un Fender con un collegamento simile
Franco
Franco
Re: Amplificatore ibrido
Salve a tutti! finalmente ho trovato lo schema
Ma è un gran casino
alimentano i transistor con tensione negativa....quindi non so come potrei ricuperarlo....
Ciao
Ma è un gran casino
Ciao

Leonardo diceva: "L'esperienza è il nome che si dà ai propri sbagli."
- Kagliostro
- Amministratore

- Messaggi: 9952
- Iscritto il: 03/12/2007, 0:16
- Località: Prov. di Treviso
Re: Amplificatore ibrido
Ciao Daniele
Sul telefono non vedo bene lo schema, quando posso passare sul PC guardo e vedo
Franco
Sul telefono non vedo bene lo schema, quando posso passare sul PC guardo e vedo
Franco
Re: Amplificatore ibrido
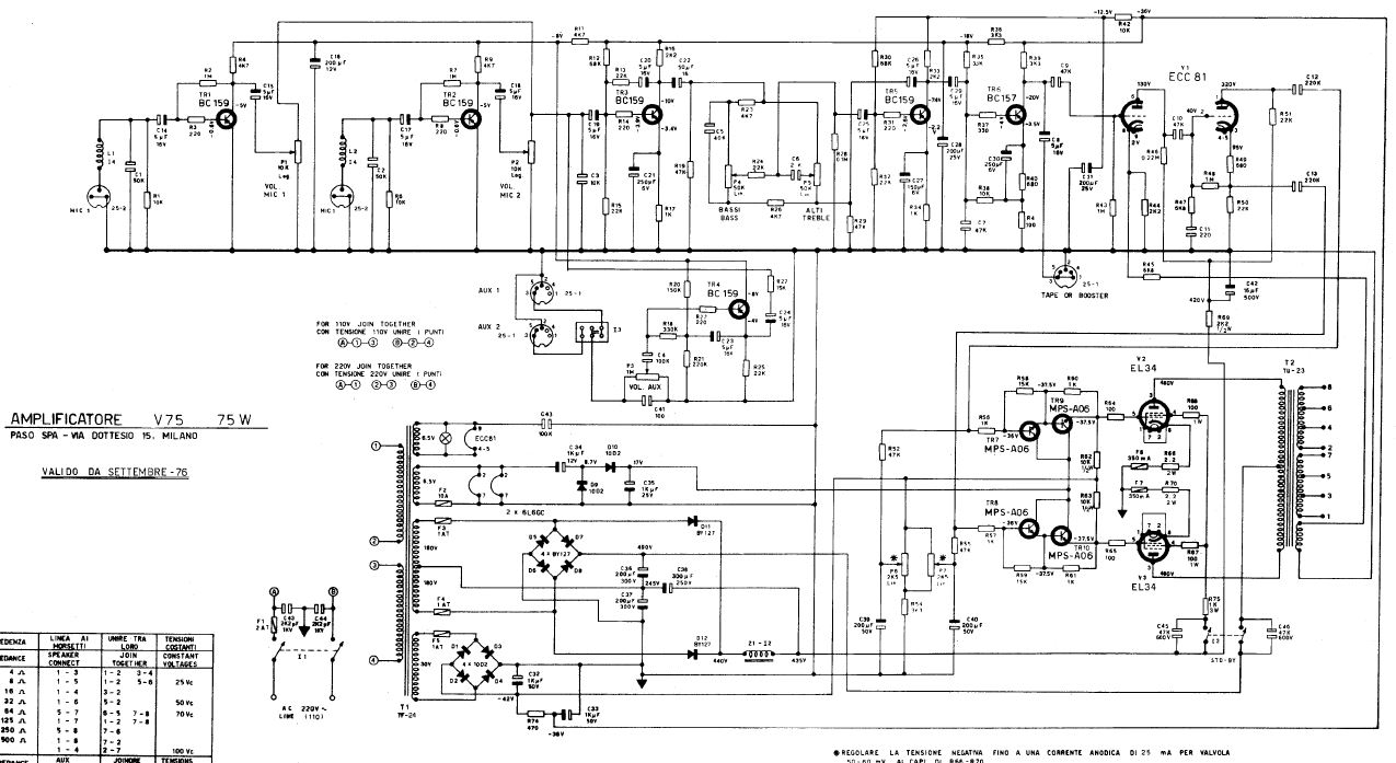
Questo è lo schema dei tre che riguarda il mio amply
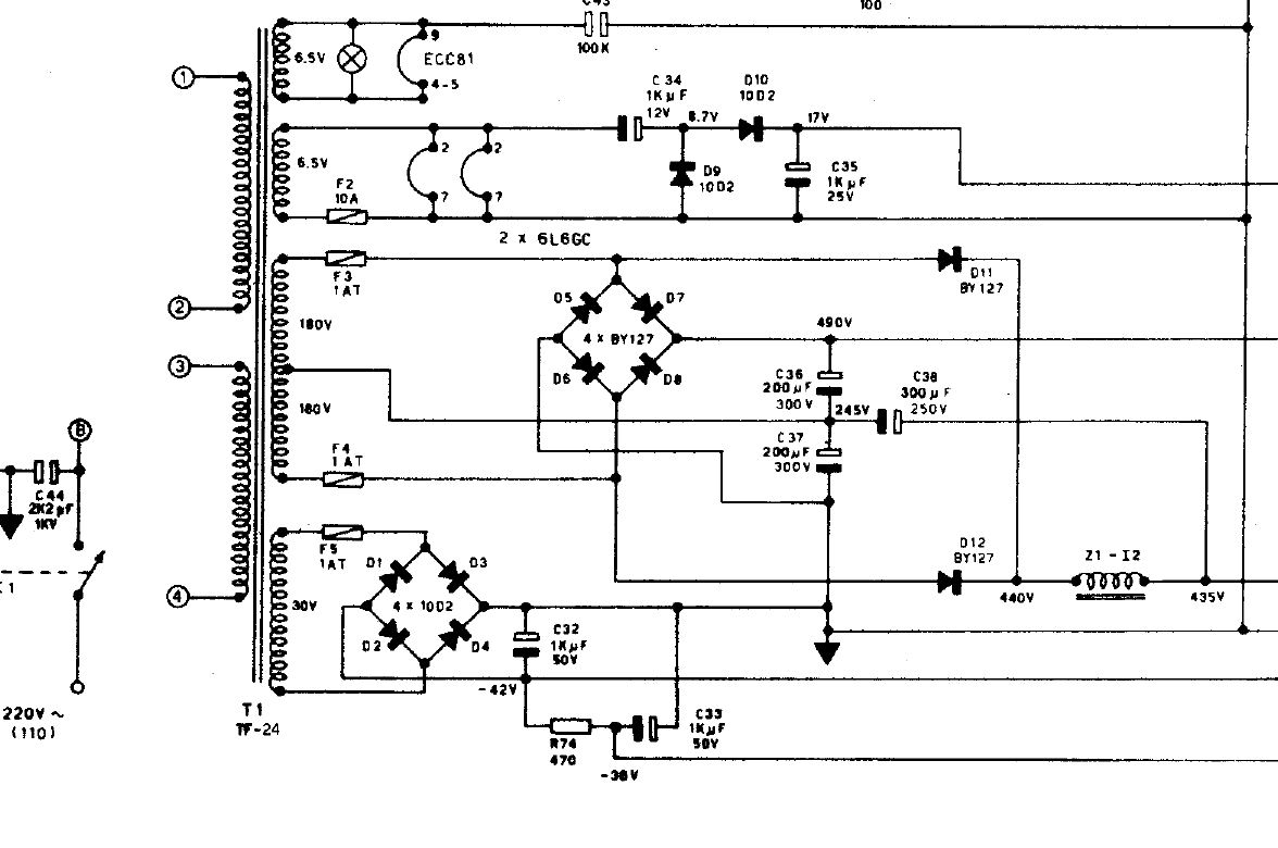
Questo è il particolare dell'alimentatore dove un secondario del TA fornisce i 36v negativi per il preamply
Ciao
Questo è il particolare dell'alimentatore dove un secondario del TA fornisce i 36v negativi per il preamply
Ciao

Leonardo diceva: "L'esperienza è il nome che si dà ai propri sbagli."
Re: Amplificatore ibrido
Ciao, la tensione negativa non puoi derivarla dal bias delle finali?
Re: Amplificatore ibrido
In questo amplificatore il trasformatore di alimentazione è bruciato, pensavo di utilizzare il circuito stampato del preampli e usare due finali 6V6 con un TA che ho ricuperato da un fender 25x
Ciao
Ciao

Leonardo diceva: "L'esperienza è il nome che si dà ai propri sbagli."
Re: Amplificatore ibrido
Non conosco il 25x, che ampli è?
Re: Amplificatore ibrido
Scusa si tratta del fender champ 25SE che è anch'esso un ibrido con due finali 6L6, avevo trovato il TA da un fornitore sulla baia e lo vendeva per poco quindi l'ho acquistato in previsione di....
Lo schema del champ 25 è questo
Ciao
Lo schema del champ 25 è questo
Ciao

Leonardo diceva: "L'esperienza è il nome che si dà ai propri sbagli."
Re: Amplificatore ibrido
Scusa si tratta del fender champ 25SE che è anch'esso un ibrido con due finali 6L6, avevo trovato il TA da un fornitore sulla baia e lo vendeva per poco quindi l'ho acquistato in previsione di....
Lo schema del champ 25 è questo
Ciao
Lo schema del champ 25 è questo
Ciao

Leonardo diceva: "L'esperienza è il nome che si dà ai propri sbagli."
Re: Amplificatore ibrido
Vedo che è fixed bias, quindi avrai una tensione negativa, ed essendo 6L6GT la tensione sarà sui 70V dopo la rettifica e 50-55 di bias.
Prova a verificare se hai corrente a sufficienza per il pre.
Prova a verificare se hai corrente a sufficienza per il pre.

