Re:stabilizzare tensione... 7809 o diodo zener?
- franziscko
- Diyer
- Messaggi: 226
- Iscritto il: 02/03/2009, 13:49
Re:stabilizzare tensione... 7809 o diodo zener?
Fatti dare dal tu amico il suo alimentatore e cominciamo a vedere com'è fatto, così puoi anche provarlo e sperimentare, da qualche parte bisogna pur partire!
Se vogliamo essere "cattivi", mi perdoni l'autore, il medusa non è altro che un parallelo di tanti circuiti come quello che hai messo tu, con l'accorgimento di una resistenza in ingresso che serve da filtro, ma che inevitabimente comporta un calo di tensione in ingresso al circuito stesso, niente di nuovo, niente di geniale, solo la corretta applicazione di come si usa un 78xx e l'accorgimento della res come filtro.
Se vogliamo essere "cattivi", mi perdoni l'autore, il medusa non è altro che un parallelo di tanti circuiti come quello che hai messo tu, con l'accorgimento di una resistenza in ingresso che serve da filtro, ma che inevitabimente comporta un calo di tensione in ingresso al circuito stesso, niente di nuovo, niente di geniale, solo la corretta applicazione di come si usa un 78xx e l'accorgimento della res come filtro.
Conoscete questo brano di pianoforte? --> http://franziscko.interfree.it/mvb.mp3
- davidefender
- Garzone di Roger Mayer
- Messaggi: 1437
- Iscritto il: 11/02/2008, 23:51
- Località: Roma
- Contatta:
Re:stabilizzare tensione... 7809 o diodo zener?
quoto Franz,
Guardate, adesso aldilà della bontà del progetto del medusa, insomma non mi importa se sia un ottimo, grandioso progetto, è proprio l'applicazione che è sbagliata: il problema di ilden se ho capito bene è che deve regalare un pedale ad una persona della quale non sà che alimentatore usa, ora se ragioniamo è un pò lo stesso caso della BOSS che vende pedali, non sa a chi vanno in mano, e vorrebbe evitare che qualcuno le venisse a dire "il pedale è una ciofega!" solo perchè in realtà sta usando un ali da supermarket.
Quindi credo che la giusta soluzione NON possa essere costruire un alimentatore interno al pedale! che tralaltro ne rovina le prestazioni! un conto sono 1v in meno.. un conto sono 2-3 e come detto, il regolatore NON starebbe funzionando correttamente, quindi non sono neanche garantiti tutte le caratteristiche di filtraggio dell'alimentazione. Credo che se proprio volessimo mettere una pezza a questa situazione allora, la soluzione boss sarebbe la più indicata (del resto, la Roland Boss non mi sembra un gruppetto di sprovveduti). Se invece si vuole far fare al proprio amico chitarista un salto di qualità gli si regala prima il pedale, poi qundo egli ve lo rigetterà in faccia sdegnato di un si tale rumore di fondo, voi gli porgerete amorevolmente un trasformatore con un caxxo di LM317 e dolcemente gli direte:
"Co@#iòne! Prova questo prima di criticare!
"
Vedrete che l'avrete fatto felice!
"un Big Muff Clone?, 40 euro, con Mastercard"
"un alimentatore degno di questo nome? 20 euro con Mastercard"
"aver finalmente dimostrato al vostro amico che ne sapete di mooooooolto più di lui? non ha prezzo
"

ciauz!
Guardate, adesso aldilà della bontà del progetto del medusa, insomma non mi importa se sia un ottimo, grandioso progetto, è proprio l'applicazione che è sbagliata: il problema di ilden se ho capito bene è che deve regalare un pedale ad una persona della quale non sà che alimentatore usa, ora se ragioniamo è un pò lo stesso caso della BOSS che vende pedali, non sa a chi vanno in mano, e vorrebbe evitare che qualcuno le venisse a dire "il pedale è una ciofega!" solo perchè in realtà sta usando un ali da supermarket.
Quindi credo che la giusta soluzione NON possa essere costruire un alimentatore interno al pedale! che tralaltro ne rovina le prestazioni! un conto sono 1v in meno.. un conto sono 2-3 e come detto, il regolatore NON starebbe funzionando correttamente, quindi non sono neanche garantiti tutte le caratteristiche di filtraggio dell'alimentazione. Credo che se proprio volessimo mettere una pezza a questa situazione allora, la soluzione boss sarebbe la più indicata (del resto, la Roland Boss non mi sembra un gruppetto di sprovveduti). Se invece si vuole far fare al proprio amico chitarista un salto di qualità gli si regala prima il pedale, poi qundo egli ve lo rigetterà in faccia sdegnato di un si tale rumore di fondo, voi gli porgerete amorevolmente un trasformatore con un caxxo di LM317 e dolcemente gli direte:
"Co@#iòne! Prova questo prima di criticare!

Vedrete che l'avrete fatto felice!
"un Big Muff Clone?, 40 euro, con Mastercard"
"un alimentatore degno di questo nome? 20 euro con Mastercard"
"aver finalmente dimostrato al vostro amico che ne sapete di mooooooolto più di lui? non ha prezzo




ciauz!

La teoria è quando si sa tutto ma non funziona niente. La pratica è quando funziona tutto ma non si sa il perché. In ogni caso si finisce sempre con il coniugare la teoria con la pratica: non funziona niente e non si sa il perché.
(Albert Einstein)
(Albert Einstein)
Re:stabilizzare tensione... 7809 o diodo zener?
Un'affermazione molto alla Zakk Wylde!!!davidefender ha scritto: "Co@#iòne! Prova questo prima di criticare!"
Vedrete che l'avrete fatto felice!
"un Big Muff Clone?, 40 euro, con Mastercard"
"un alimentatore degno di questo nome? 20 euro con Mastercard"
"aver finalmente dimostrato al vostro amico che ne sapete di mooooooolto più di lui? non ha prezzo"
![]()
![]()
ciauz!![]()




Live another day, climb a little higher, find another reason to stay...
Re:stabilizzare tensione... 7809 o diodo zener?
mmmmmm
si in effetti sono daccordo con davide
però penso che a fare un circuitino moltiplicatore di capacità con un transistor e un paio di condensatori non costa niente no?
giusto?
o mi sono perso qualcosa?
si in effetti sono daccordo con davide

però penso che a fare un circuitino moltiplicatore di capacità con un transistor e un paio di condensatori non costa niente no?
giusto?
o mi sono perso qualcosa?
[align=center][url=http://garageeffects.altervista.org][img]http://garageeffects.altervista.org/_altervista_ht/pics/banner.png[/img][/url][/align]
- davidefender
- Garzone di Roger Mayer
- Messaggi: 1437
- Iscritto il: 11/02/2008, 23:51
- Località: Roma
- Contatta:
Re:stabilizzare tensione... 7809 o diodo zener?
ed è esattamente ciò che suggerivo quando parlavo della soluzione "BOss" la quale inserisce proprio questo circuito nei suoi pedali (grazie LUIX!), piuttosto che lavorare ad un circuito fatto apposta per far funzionare male il 7809..robizz ha scritto: però penso che a fare un circuitino moltiplicatore di capacità con un transistor e un paio di condensatori non costa niente no?


cmq è una mia opinione ben chiaro!


La teoria è quando si sa tutto ma non funziona niente. La pratica è quando funziona tutto ma non si sa il perché. In ogni caso si finisce sempre con il coniugare la teoria con la pratica: non funziona niente e non si sa il perché.
(Albert Einstein)
(Albert Einstein)
Re:stabilizzare tensione... 7809 o diodo zener?
beh devo dire che la soluzione prospettata da davidefender nn è male...
potrei anche provare cosi in effetti!
comunque, prima penso che proverò col circuito moltiplicatore "boss style", cosi dato che lo usa luix e direi che funziona, potrebbe essere la soluzione
altrimenti si va con il lm317!
grazie a tutti per i contributi!!!


comunque, prima penso che proverò col circuito moltiplicatore "boss style", cosi dato che lo usa luix e direi che funziona, potrebbe essere la soluzione
altrimenti si va con il lm317!
grazie a tutti per i contributi!!!



Re:stabilizzare tensione... 7809 o diodo zener?
ovviamente facci sapere cosa fai, come lo fai e se poi lo hai fatto bene! 

[align=center][url=http://garageeffects.altervista.org][img]http://garageeffects.altervista.org/_altervista_ht/pics/banner.png[/img][/url][/align]
Re:stabilizzare tensione... 7809 o diodo zener?
mi è venuta un altra idea.... leggendo questa pagina di geo sui charge pump http://www.geofex.com/circuits/+9_to_33.htm
pensavo: sarebbe possibile fare questo circuito insieme a quello del 7809 in modo da non avere cali di tensione e per non utilizzare alimentatori più grandi di 9V?
pensavo: sarebbe possibile fare questo circuito insieme a quello del 7809 in modo da non avere cali di tensione e per non utilizzare alimentatori più grandi di 9V?
- davidefender
- Garzone di Roger Mayer
- Messaggi: 1437
- Iscritto il: 11/02/2008, 23:51
- Località: Roma
- Contatta:
Re:stabilizzare tensione... 7809 o diodo zener?
considera che anche il charge pump introduce rumore, leggi i post sul PT-80 su fennec, c'era chi si lamentava proprio del ronzio del charge pump..
ma a parte questo... l'idea non mi piace proprio, è una specie di toppa ad una toppa per un buchino RIDICOLO, ma allora a sto punto perchè non l'alimenti a 220 e ci costruisci l'ali all'interno? non sto scherzando! è una soluzione di molto migliore di fare innalzi, abbassamenti....
Oppure, fai l'alimentazione a 12 volt, e internamente la rettifichi a 9... ma secondo me ti stai scervellando e complicando la vita per una cosa abbastanza senza senso...
ciaoo!
ma a parte questo... l'idea non mi piace proprio, è una specie di toppa ad una toppa per un buchino RIDICOLO, ma allora a sto punto perchè non l'alimenti a 220 e ci costruisci l'ali all'interno? non sto scherzando! è una soluzione di molto migliore di fare innalzi, abbassamenti....
Oppure, fai l'alimentazione a 12 volt, e internamente la rettifichi a 9... ma secondo me ti stai scervellando e complicando la vita per una cosa abbastanza senza senso...

ciaoo!

La teoria è quando si sa tutto ma non funziona niente. La pratica è quando funziona tutto ma non si sa il perché. In ogni caso si finisce sempre con il coniugare la teoria con la pratica: non funziona niente e non si sa il perché.
(Albert Einstein)
(Albert Einstein)
Re:stabilizzare tensione... 7809 o diodo zener?
eh in effetti... ma mi sta proprio quì l'hum

comunque, a questo punto un filtro boss mi sembra meglio forse... ho trovato su uno schema del ds-2, mi sembra ok..
ma dato che mi serve solo 9v, posso collegare l'emettitore del transistor direttamente a massa?
sullo schema come transistor è segnato 2SC-2458GR


comunque, a questo punto un filtro boss mi sembra meglio forse... ho trovato su uno schema del ds-2, mi sembra ok..
ma dato che mi serve solo 9v, posso collegare l'emettitore del transistor direttamente a massa?
sullo schema come transistor è segnato 2SC-2458GR
- franziscko
- Diyer
- Messaggi: 226
- Iscritto il: 02/03/2009, 13:49
Re:stabilizzare tensione... 7809 o diodo zener?
Peccato che non ci sta nella firma!!davidefender ha scritto:
"Co@#iòne! Prova questo prima di criticare!"
Vedrete che l'avrete fatto felice!
"un Big Muff Clone?, 40 euro, con Mastercard"
"un alimentatore degno di questo nome? 20 euro con Mastercard"
"aver finalmente dimostrato al vostro amico che ne sapete di mooooooolto più di lui? non ha prezzo"
![]()
![]()
ciauz!![]()



Conoscete questo brano di pianoforte? --> http://franziscko.interfree.it/mvb.mp3
- franziscko
- Diyer
- Messaggi: 226
- Iscritto il: 02/03/2009, 13:49
Re:stabilizzare tensione... 7809 o diodo zener?
Guarda, qualcuno ha detto di aver usato questo schema http://www.beavisaudio.com/Projects/Huminator/index.htm
dicendo che fa schifo perchè in uscita ha meno tensione, qualcuno ha suggerito (mi pare) di togliere la R1 da 100, ed in effetti senza, la tensione non scende.....però poi dicevano che non funziona niente perchè il rumore c'è sempre....
Bella genialata, il filtro è dato da R1 + C1, è normale che se togli R1 non hai niente in mano....basta mandargli 1-2v in più ingresso, e poi, è l'accorgimento che parlavo prima che è stato usato nel Medusa, un trucchetto tanto geniale ed efficace quanto ridicolo e piccolo.
Io lo proverei, magari togli il diodo e il led con relativa resistenza, basta tenere R1, C1 e C2. Lo so che il diodo serve a proteggere da eventuali inversioni di polarità, ma diamine, state attenti quando saldate, se ci fosse un condensatore con 600 volts stareste più attenti no? E allora!!
Ma ricorda, non ricordo nemmeno di che effetto stiamo parlando, se va alimentato a 9v e il tuo amico ha un alimentatore da 9v esatti, lascia perdere, è tempo perso, segui il consiglio che ti ho dato prima. Se poi invece di 9v ne escono anche 15, perchè così sono quegli alimentatori universali che è un'offesa chiamarli alimentatori, alcuni come li metti sotto carico, non solo si abbassano di tensione, ma scendono anche sotto quella nominale, mi spiego, è un coso che c'è scritto 9v, 500ma, a vuoto esce 15v, come gli colleghi un carico, la logica direbbe che dovresti avere 9v e forse di più, invece scopri che ne può avere anche 8,5v - 8v, anche meno, daltronde cosa vai cercando dalla roba da 4 soldi cinese fatta da chissà quali manine di poveri rgazzini che lavorano pure di notte? (non facciamoci illusioni, alla faccia del comunismo....) (scusate la divagazione politica).
dicendo che fa schifo perchè in uscita ha meno tensione, qualcuno ha suggerito (mi pare) di togliere la R1 da 100, ed in effetti senza, la tensione non scende.....però poi dicevano che non funziona niente perchè il rumore c'è sempre....
Bella genialata, il filtro è dato da R1 + C1, è normale che se togli R1 non hai niente in mano....basta mandargli 1-2v in più ingresso, e poi, è l'accorgimento che parlavo prima che è stato usato nel Medusa, un trucchetto tanto geniale ed efficace quanto ridicolo e piccolo.
Io lo proverei, magari togli il diodo e il led con relativa resistenza, basta tenere R1, C1 e C2. Lo so che il diodo serve a proteggere da eventuali inversioni di polarità, ma diamine, state attenti quando saldate, se ci fosse un condensatore con 600 volts stareste più attenti no? E allora!!
Ma ricorda, non ricordo nemmeno di che effetto stiamo parlando, se va alimentato a 9v e il tuo amico ha un alimentatore da 9v esatti, lascia perdere, è tempo perso, segui il consiglio che ti ho dato prima. Se poi invece di 9v ne escono anche 15, perchè così sono quegli alimentatori universali che è un'offesa chiamarli alimentatori, alcuni come li metti sotto carico, non solo si abbassano di tensione, ma scendono anche sotto quella nominale, mi spiego, è un coso che c'è scritto 9v, 500ma, a vuoto esce 15v, come gli colleghi un carico, la logica direbbe che dovresti avere 9v e forse di più, invece scopri che ne può avere anche 8,5v - 8v, anche meno, daltronde cosa vai cercando dalla roba da 4 soldi cinese fatta da chissà quali manine di poveri rgazzini che lavorano pure di notte? (non facciamoci illusioni, alla faccia del comunismo....) (scusate la divagazione politica).
Conoscete questo brano di pianoforte? --> http://franziscko.interfree.it/mvb.mp3
- davidefender
- Garzone di Roger Mayer
- Messaggi: 1437
- Iscritto il: 11/02/2008, 23:51
- Località: Roma
- Contatta:
Re:stabilizzare tensione... 7809 o diodo zener?
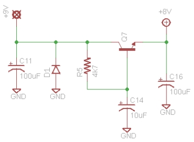
ragazzi, non confondiamo altrimenti finiamo per non capirci nulla:
- lo schema postato da franz NON è un capacitance multiplier, ma un normalissimo filtro PASSA BASSO con frequenza di taglio intorno ai 16 Hz (corregetemi se sbaglio), è comunque un filtro passivo e quindi appunto, abbassa la tensione! e la peggior cosa è che il calo di tensione E' PROPORZIONALE ALLA RES DI CARICO!
quindi non c'è certezza sul livello di uscita, si fa affidamento sul fatto che la res di load sia abbastanza maggiore di 100 ohm, che può essere vero come no (praticamente dipende dall'assorbimento di corrente)
- Lo schema postato dal den SI è un capacitance multiplier, si solo che se metti l'emettitore a massa bruci transistor, alimentatore, casa e l'Enel!
ehehe occhio, quel punto è a 8 volt, cortocircuitandolo a massa... è come collegare il positivo e il negativo dell'alimentatore insieme!
semplicemente lascia C16, elimina (NON BYPASSA) R19, R20 e C17, poichè non ti servono 4 volt e l'uscita la prendi diretta dall'emettitore.
Per il transistor credo che vada bene qualsiasi NPN capace di reggere diciamo almeno 100mA tanto per stare sicurissimi!
ciaoo!
Edit: no aspetta, forse ho capito cosa volevi fare... tu intendevi prendere l'uscita dove è scitto +9V giusto?
ma quella E' la 9 volt che arriva dall'alimentatore! ovvero c'è l'hum!
l'uscita la prendi dove c'è scritto 8 V!! appunto.. una caduta di 1 volt
- lo schema postato da franz NON è un capacitance multiplier, ma un normalissimo filtro PASSA BASSO con frequenza di taglio intorno ai 16 Hz (corregetemi se sbaglio), è comunque un filtro passivo e quindi appunto, abbassa la tensione! e la peggior cosa è che il calo di tensione E' PROPORZIONALE ALLA RES DI CARICO!
quindi non c'è certezza sul livello di uscita, si fa affidamento sul fatto che la res di load sia abbastanza maggiore di 100 ohm, che può essere vero come no (praticamente dipende dall'assorbimento di corrente)
- Lo schema postato dal den SI è un capacitance multiplier, si solo che se metti l'emettitore a massa bruci transistor, alimentatore, casa e l'Enel!

semplicemente lascia C16, elimina (NON BYPASSA) R19, R20 e C17, poichè non ti servono 4 volt e l'uscita la prendi diretta dall'emettitore.
Per il transistor credo che vada bene qualsiasi NPN capace di reggere diciamo almeno 100mA tanto per stare sicurissimi!
ciaoo!

Edit: no aspetta, forse ho capito cosa volevi fare... tu intendevi prendere l'uscita dove è scitto +9V giusto?




Ultima modifica di davidefender il 27/05/2009, 21:30, modificato 1 volta in totale.
La teoria è quando si sa tutto ma non funziona niente. La pratica è quando funziona tutto ma non si sa il perché. In ogni caso si finisce sempre con il coniugare la teoria con la pratica: non funziona niente e non si sa il perché.
(Albert Einstein)
(Albert Einstein)
Re:stabilizzare tensione... 7809 o diodo zener?
oopssss
ehm... non l'avevo mica notato red_face grazie davide...
ma pensavo che l'alimentatore si connettese al jack che c'è lì.. e che avesse bisogno il pedale di boh tre voltaggi diversi invece che i soliti due...
allora, ho velocemente fatto uno schemino bello pulito, penso che vada bene ma guardate se per caso ci sono errori...
il transistor ok, un general purpose NPN.. il diodo? vanno bene un 1N4007 o al più un 1N4001?
edit: e se escono 8V... insomma il big muff è un high gain distortion! se perde proprio qualcosina... si alza il volume dell'ampli!!! se no che ci sta a fare??

ma pensavo che l'alimentatore si connettese al jack che c'è lì.. e che avesse bisogno il pedale di boh tre voltaggi diversi invece che i soliti due...
allora, ho velocemente fatto uno schemino bello pulito, penso che vada bene ma guardate se per caso ci sono errori...
il transistor ok, un general purpose NPN.. il diodo? vanno bene un 1N4007 o al più un 1N4001?
edit: e se escono 8V... insomma il big muff è un high gain distortion! se perde proprio qualcosina... si alza il volume dell'ampli!!! se no che ci sta a fare??
Ultima modifica di ilden il 27/05/2009, 22:58, modificato 1 volta in totale.
Re:stabilizzare tensione... 7809 o diodo zener?
Si vanno bene gli 1n4007 ma sono supersprecati, quelli rettificano la 220V... Io consiglio degli 1N4148, oppure dei led rossi che rendono la distorsione piu' naturale.
Live another day, climb a little higher, find another reason to stay...