Io non ho mai capito una cosa (più che altro è uno sfogo....)
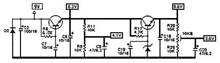
siamo nel 2009 (ricordo i tempi quando si diceva :"alle soglie del 2000.....!!!"), la tecnologia fa passi enormi, anche se penso che l' LM317 abbia qualche lustro sulle spalle, bene, i vostri amati pedalini, se comprati costano 40-50 euro e anche il triplo, se autocostruiti costano molto di meno e danno più soddisfazioni, quegi alimentatori non stabilizzati di cui accennava Alex sono degli oggetti terribili, ed un circuito di alimetazione stabilizzata, esente da rumori e all'occorrenza variabile, esiste, col citato LM317, ma che ci vuole a buttare via tutte le schifezze ch abbiamo in giro?
Se le finanze non permettono, di quegli affari si può certamente riciclare il solo trasformatre, pazienza che poi si deve fargli un contenitore, perchè non credo ne esistano con presa integrata (se esistono ditemelo che mi bisogna!), ma almeno si fa una volta per tutte un alimentatore degno di questo nome....... e vai co liscio!

Lo schema è di una semplicità ridicola, protetto da cortocircuiti, surriscaldamento, temporali e uragani

perchè lesinare sul cuore di un apparato elettrico? Mettereste un pickup che fa schifo nella vostra chitarra? mettereste un cono rotto nel vostro ampli?
Suvvia!!! (alla Mughini.....)
