Led strip alimentato a 220v
Led strip alimentato a 220v
Ciao ragazzi,
vorrei alimentare una strip a 220v AC, mi è venuto qualche dubbio e volevo condividerlo con voi.
Tenendo per buono il circuito ad un led che vi posto, anche se non ha proprio il massimo della resa visiva, vi aggiungo anche uno più "elaborato" che può avere 4 led.
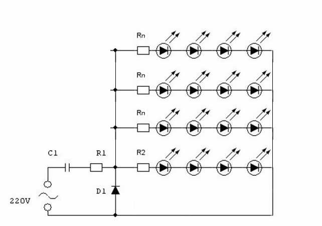
Allora... i led sono 4 e sono collegati in serie. Volendoli alimentare a 3,2V ciascuno, per limitare la corrente che li attraversa a 25mA, andiamo ad inserire una resistenza in serie. A questo punto l’alimentazione della serie dovrà essere 5 x 3,2V = 16V e la resistenza dovrà avere un valore di 120 ohm (3,2 / 0,025 = 128 ohm).
Per ricavare i 16V utilizziamo il partitore formato dal condensatore C1 da 470 nF che ha una reattanza, a 50 Hz, di 6773 ohm e dalla resistenza R1 da 470 ohm così dovremmo avere Vout = 470 / (6773+470) * Vin = 0,0645 * 220 = 14,2 V.
Componeneti:
C1 = 470 nF 400V
R1 = 470 ohm 1 W
R2 = 120 ohm 1 W
D1 = diodo 1N4007
un ulteriore passo si potrebbe fare aggiungendo tante maglie quanti strip ulteriori si vogliono aggiungere (aumenterebbe solo la corrente e la potenza conseguente di asssorbimento..)figura 3
In questo modo si avrebbero tante strip in parallelo composte da 4 led in serie (se si brucia un led si spegne solo la strip di che lo contiene)
La corrente consumata da una strip da 4 arriverebbe ad essere quasi 2A? ..vi trovate anche voi?..in questo caso già 4 strip in parallelo consumerebbero circa 7-8 Ampere...che dite?
Grazie e ciao. luca
vorrei alimentare una strip a 220v AC, mi è venuto qualche dubbio e volevo condividerlo con voi.
Tenendo per buono il circuito ad un led che vi posto, anche se non ha proprio il massimo della resa visiva, vi aggiungo anche uno più "elaborato" che può avere 4 led.
Allora... i led sono 4 e sono collegati in serie. Volendoli alimentare a 3,2V ciascuno, per limitare la corrente che li attraversa a 25mA, andiamo ad inserire una resistenza in serie. A questo punto l’alimentazione della serie dovrà essere 5 x 3,2V = 16V e la resistenza dovrà avere un valore di 120 ohm (3,2 / 0,025 = 128 ohm).
Per ricavare i 16V utilizziamo il partitore formato dal condensatore C1 da 470 nF che ha una reattanza, a 50 Hz, di 6773 ohm e dalla resistenza R1 da 470 ohm così dovremmo avere Vout = 470 / (6773+470) * Vin = 0,0645 * 220 = 14,2 V.
Componeneti:
C1 = 470 nF 400V
R1 = 470 ohm 1 W
R2 = 120 ohm 1 W
D1 = diodo 1N4007
un ulteriore passo si potrebbe fare aggiungendo tante maglie quanti strip ulteriori si vogliono aggiungere (aumenterebbe solo la corrente e la potenza conseguente di asssorbimento..)figura 3
In questo modo si avrebbero tante strip in parallelo composte da 4 led in serie (se si brucia un led si spegne solo la strip di che lo contiene)
La corrente consumata da una strip da 4 arriverebbe ad essere quasi 2A? ..vi trovate anche voi?..in questo caso già 4 strip in parallelo consumerebbero circa 7-8 Ampere...che dite?
Grazie e ciao. luca
- franziscko
- Diyer

- Messaggi: 226
- Iscritto il: 02/03/2009, 13:49
Re:Led strip alimentato a 220v
Guarda, non ci capisco granchè di usare i led con la 220v, ma un led come dice Nuova Elettronica, assorbe 14-18mA, mi sembra che 25 siano un po' troppi. Poi una cosa, dici che alla fine dovrebbero assorbire 7-8A, ma sono 300 led? Perchè 300 x 25mA fa 7,5 A. Se scendi a 16mA, scendi a 4,8A. 
Conoscete questo brano di pianoforte? --> http://franziscko.interfree.it/mvb.mp3
Re:Led strip alimentato a 220v
Ciao franziscko, allora.. per quanto riguarda i led, ci sono vari modelli, se dovessi scegliere gli alta luminosità, dovrebbero assorbire circa 25mA, i tradizionali 14-18 come dici tu, poi, se alimenti a 3V ed utilizzi una resistenza di 125ohm, fai passare nel circuito 24mA, quindi, dipende anche dalla resistenza che metti (e dalla luce che vuoi fare)..
per quanto riguarda invece il consumo...ho dei forti dubbi sul calcolo che ho fatto, però ora non riesco a concentrarmi per rifare il ragionamento...sono un po' altini 7A..
scusa..
I=V/R
quindi
V=16V
Rtot(di ogni strip)=125x5+la reattanza+le resistenze (GIUSTO?)
se cosi fosse...
125*5=625+6773+470=7868ohm
quindi
I=16/7868=0.020mA?
si trova?
per quanto riguarda invece il consumo...ho dei forti dubbi sul calcolo che ho fatto, però ora non riesco a concentrarmi per rifare il ragionamento...sono un po' altini 7A..
scusa..
I=V/R
quindi
V=16V
Rtot(di ogni strip)=125x5+la reattanza+le resistenze (GIUSTO?)
se cosi fosse...
125*5=625+6773+470=7868ohm
quindi
I=16/7868=0.020mA?
si trova?
- franziscko
- Diyer

- Messaggi: 226
- Iscritto il: 02/03/2009, 13:49
Re:Led strip alimentato a 220v
perdonami ma come ho già detto, led e 220v non ci capisco niente, reattanza e compagnia bella io non li ho mai studiati! 
però mi sembra che moltiplicando ilnumero dei led per la corrente assorbita, hai il totale della corrente assorbita, che non so poi
come si fa col fatto della reattanza....
aspetta chi ne sa più di me.. magari passa Alex o Luix.....
però mi sembra che moltiplicando ilnumero dei led per la corrente assorbita, hai il totale della corrente assorbita, che non so poi
come si fa col fatto della reattanza....
aspetta chi ne sa più di me.. magari passa Alex o Luix.....
Conoscete questo brano di pianoforte? --> http://franziscko.interfree.it/mvb.mp3
Re:Led strip alimentato a 220v
ok...grazie lo stesso, speriamo passi qualcuno presto..
Re:Led strip alimentato a 220v
non è una risposta vera ma provo a dire la mia:
Dovresti fare in modo che C1+R1 limitino la corrente a n_strip*assorbimento_strip nel tuo caso 4*25mA (ultrabright)
Dopodiche le Rn devono essere uguali, in modo da distribuire equamente la corrente in ogni strip.
Qualcuno verifichi l'affidabilità di quel che dico ora:
Vin=230*1.41
(Xc1+R1)=(Vin-Vstrip)/(4*Istrip)
(Xc1+R1)=311/0.1=3110
il valore standard di C1 per Xc1 massimo in Xc1+R1=3110 (questo per fare in modo che il tutto disperda il minimo della potenza possibile) è:
1/(2*pi*f*C1)=3110 => C1=1/(2*pi*f*3110)=1,024uF => 1,0uF
Dopodichè R1 e R2 le metterei rispettivamente 10ohm e 100ohm, valori scelti alla ca...o per non farle scaldare troppo e non allontanarsi troppo dalle correnti necessarie
funge?
No, perchè la corrente che fai scorrere in ogni strip è uguale a quella di un solo led, quindi 14-18mA (o quel che è in caso di ultrabright).lukehead ha scritto: La corrente consumata da una strip da 4 arriverebbe ad essere quasi 2A? ..vi trovate anche voi?..in questo caso già 4 strip in parallelo consumerebbero circa 7-8 Ampere...che dite?
C1+R1 e R2 in quella configurazione non fanno da paritore, sono solo in serie alla strip.lukehead ha scritto: Per ricavare i 16V utilizziamo il partitore formato dal condensatore C1 da 470 nF che ha una reattanza, a 50 Hz, di 6773 ohm e dalla resistenza R1 da 470 ohm
Dovresti fare in modo che C1+R1 limitino la corrente a n_strip*assorbimento_strip nel tuo caso 4*25mA (ultrabright)
Dopodiche le Rn devono essere uguali, in modo da distribuire equamente la corrente in ogni strip.
Qualcuno verifichi l'affidabilità di quel che dico ora:
Vin=230*1.41
(Xc1+R1)=(Vin-Vstrip)/(4*Istrip)
(Xc1+R1)=311/0.1=3110
il valore standard di C1 per Xc1 massimo in Xc1+R1=3110 (questo per fare in modo che il tutto disperda il minimo della potenza possibile) è:
1/(2*pi*f*C1)=3110 => C1=1/(2*pi*f*3110)=1,024uF => 1,0uF
Dopodichè R1 e R2 le metterei rispettivamente 10ohm e 100ohm, valori scelti alla ca...o per non farle scaldare troppo e non allontanarsi troppo dalle correnti necessarie
funge?
[align=center][url=http://www.diyitalia.eu/forum/index.php?action=search][img]http://www.diyitalia.eu/forum/Themes/igoh114/images/italian/search.gif[/img][/url] [img]http://img523.imageshack.us/img523/1523/senzatitolo1hj2.gif[/img][/align]
Re:Led strip alimentato a 220v
...mi sa che mi sto iniziando ad incartare..mi vengono dubbi ad ogni nuovo enunciato...
-
blacklongfellow
- Neutrino

- Messaggi: 1
- Iscritto il: 03/04/2012, 11:16
Re: Led strip alimentato a 220v
Your main fuse block for the whole car should have an empty fuse holder that you blue led strip can tap into to wire it. If you don't feel comfortable doing that you can attach a wire and fuse holder to the positive of the battery. Use this to run to a simple on off switch and run from there to the led strip 12v. use any bare metal on the chassis of the car for the ground on the LED light strip.
Make sure the fuse holder is as close to the battery as possible. The longer the wire leading from the battery to it, the more likely it could short and start a fire. I wouldn't recommend more than a 1amp fuse for the waterproof led strip light.
Make sure the fuse holder is as close to the battery as possible. The longer the wire leading from the battery to it, the more likely it could short and start a fire. I wouldn't recommend more than a 1amp fuse for the waterproof led strip light.
Re: Led strip alimentato a 220v
Ma li mortè!
Isso vulìsse alimentà cà spina, e tu m'appàrle da màcchena.
Mavattìnne affangùleghe!
Isso vulìsse alimentà cà spina, e tu m'appàrle da màcchena.
Mavattìnne affangùleghe!
Re: Led strip alimentato a 220v
Fantastico napoletano, da scompisciarsi dalle risate.robi ha scritto:Ma li mortè!
Isso vulìsse alimentà cà spina, e tu m'appàrle da màcchena.
Mavattìnne affangùleghe!
Re: Led strip alimentato a 220v
Robbè, ma ch staj acuucchiann?robi ha scritto:Ma li mortè!
Isso vulìsse alimentà cà spina, e tu m'appàrle da màcchena.
Mavattìnne affangùleghe!
Napoletani si nasce.....
Re: Led strip alimentato a 220v
Non sono napoletano, vado solo ad orecchio con i vari idiomi.
Chepperdincibaccolavuoldireaccucchiare?
Re: Led strip alimentato a 220v
Ciao Robi....
letteralmente: accucchiare = mettere insieme delle cose.
per esempio : aggia accucchià e component pe fà n'amplificatore
letteralmente: accucchiare = mettere insieme delle cose.
per esempio : aggia accucchià e component pe fà n'amplificatore
Napoletani si nasce.....
- franci_pleximaster
- Diyer Eroe

- Messaggi: 581
- Iscritto il: 21/08/2011, 18:18
Re: Led strip alimentato a 220v
scusate ma non ho resistito...robi ha scritto:mi sono giocato la carta buona
![]()
Non sono napoletano, vado solo ad orecchio con i vari idiomi.
Chepperdincibaccolavuoldireaccucchiare?
http://www.youtube.com/watch?v=0bDXxjpa7fA
Go ahead, try and hide from the UBERSCHALL it will seek you out, relentlessly, while you sleep, in this life and the next...Through Anarchy comes Peace.
Re: Led strip alimentato a 220v
GRazie Raf!
Fin da poco più che bimbo ho sempre imitato i vari dialetti e lingue straniere (inglese e france no, agg dovuto 'mpararle!): i poveri operatori della vecchia SIP sopportavano quasi sempre le mie esercitazioni di siciliano, napoletano, romano, veneto, fiorentino.. anche se poi il mio è sempre stato un grammelot di fonemi.
..accucchiare mi piace tantissimo, lo userò!
Fin da poco più che bimbo ho sempre imitato i vari dialetti e lingue straniere (inglese e france no, agg dovuto 'mpararle!): i poveri operatori della vecchia SIP sopportavano quasi sempre le mie esercitazioni di siciliano, napoletano, romano, veneto, fiorentino.. anche se poi il mio è sempre stato un grammelot di fonemi.
..accucchiare mi piace tantissimo, lo userò!

