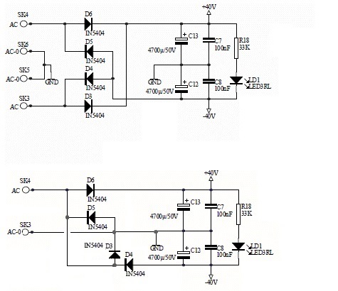
Dovrei sostituire il trasformatore bruciato di un finale, l'originale ha doppio secondario a presa centrale. Avendo già a disposizione un trafo con le stesse caratteristiche, ma a secondario singolo ho provato ad adattare lo schema di alimentazione per otterene la stessa alimentazione duale, ma vorrei chiedervi se qualcuno può controllarmelo...
(nel caso questa soluzione potesse essere utile anche agli altri diyers)
Vi ringrazio!!
Felix

