Sostieni il forum con una donazione! Il tuo contributo ci aiuterà a rimanere online!
Immagine

formule per alimentatore con L200

Discussioni su tutto ciò che riguarda l'elettronica e le sue applicazioni
Rispondi
Avatar utente
james
Diyer
Diyer
Messaggi: 219
Iscritto il: 25/08/2006, 12:46

formule per alimentatore con L200

Messaggio da james » 30/11/2006, 3:34

dunque..
vorrei costruire un alimentatore con L200...
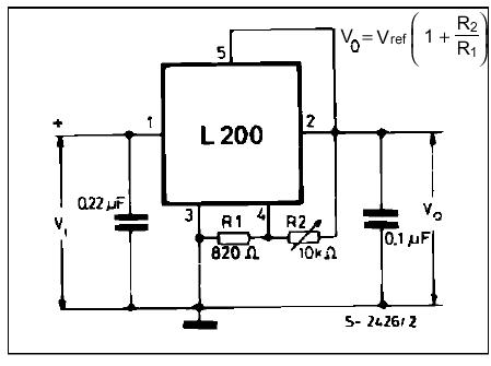
lo schema è qua sotto....qualcuno mi dice cos'è Vref???
Allegati
Immagine.JPG

Avatar utente
meritil
Amministratore
Amministratore
Messaggi: 2971
Iscritto il: 06/05/2006, 4:57
Località: Roma
Contatta:

Re: formule per alimentatore con L200

Messaggio da meritil » 30/11/2006, 3:44

Allora io personalmente ti consiglio questo.. datosi che Luix non è il primo diyer che passa e che molti di noi l'hanno già realizzato ocn successo

http://www.diyitalia.it/index.php?optio ... w&catid=20

l'LM317 ha un limite di 1,5A in uscita se ti scoccia leggi quì

http://www.diyitalia.it/bbforum/viewtop ... lm317#3605


per Vref basta legger quì

http://www.st.com/stonline/books/pdf/docs/1678.pdf
Ultima modifica di meritil il 30/11/2006, 3:49, modificato 1 volta in totale.

Avatar utente
james
Diyer
Diyer
Messaggi: 219
Iscritto il: 25/08/2006, 12:46

Re: formule per alimentatore con L200

Messaggio da james » 30/11/2006, 4:08

meritil hai ragione...non dubitavo del luix psu..
volevo avere la soddisfazione di partire da 0...
cmq il conto l'ho fatto:

Vo = Vref (1+ R2/R1)
quindi:
(1+2000/820)*2.7=9.2V
dovrebbe funzionare così?
se si devo solo capire dove aggiungere qualche condensatore e qualche diodo di protezione.... prenderò spunto anche da luix.. vabè si sono testardo!

ma poi la tua mod con LM1084 funzionava?

Avatar utente
meritil
Amministratore
Amministratore
Messaggi: 2971
Iscritto il: 06/05/2006, 4:57
Località: Roma
Contatta:

Re: formule per alimentatore con L200

Messaggio da meritil » 30/11/2006, 4:58

Si certo... bè non è una vera e propria mod.. è solo il fratello maggiore del 317  :yes: chiaramente l'lm317 costa meno e 1,5A sono più che sufficenti, ecco perchè la scelta di luix  :numb1:

Rispondi