Sostieni il forum con una donazione! Il tuo contributo ci aiuterà a rimanere online!

Tuto ciò che riguarda i componenti, dalle sigle alle equivalenze
-
trevize
- Manager

- Messaggi: 976
- Iscritto il: 06/05/2006, 13:34
Messaggio
da trevize » 05/01/2007, 9:26
non vorrei dire una cacchiata perchè non mi apre i datasheet in pdf ora, maledetta ubuntu...
ma credo che tu stia confondendo i 245 e i 244.
se 201 è dsg, il 255 è gsd credo.
-
luix
- Amministratore

- Messaggi: 3422
- Iscritto il: 06/05/2006, 14:26
Messaggio
da luix » 05/01/2007, 9:45
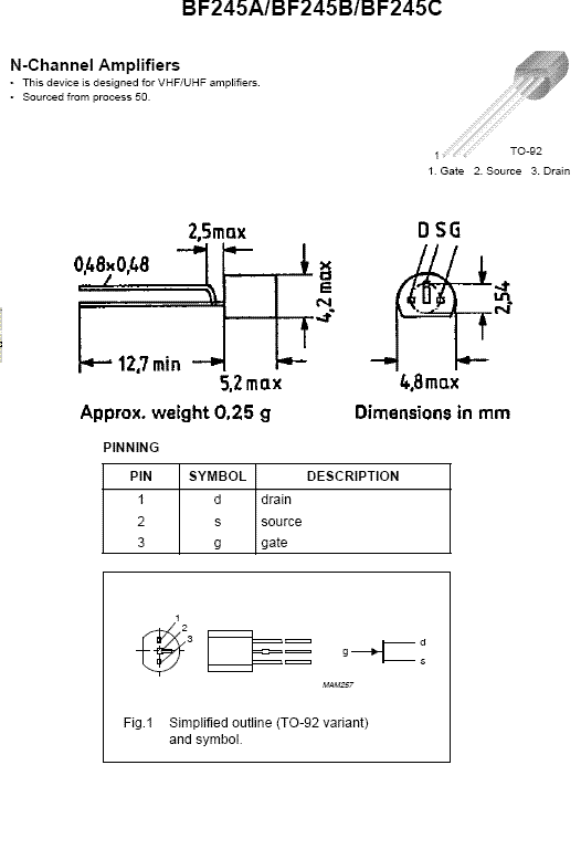
Le piedinature sono giuste come te le indica il datasheet...
Per il BF245A/B/C guardandolo davanti dove leggi la scritta e con i pin in basso hai GSD... poi nei JFET drain e source sono intercambiabili ma è un'altra storia....
-
Allegati
-

MEMENTO trimmer Humdinger :lol1:
-
marcasso
- Diyer Esperto

- Messaggi: 254
- Iscritto il: 06/05/2006, 14:31
- Località: Vr
Messaggio
da marcasso » 05/01/2007, 15:10
e come mai sul DualRecto/DrBoogie seguendo la piedinatura GSD non funziona (non passa proprio il segnale..) e se seguo la piedinatura SDG funziona?
-
luix
- Amministratore

- Messaggi: 3422
- Iscritto il: 06/05/2006, 14:26
Messaggio
da luix » 05/01/2007, 15:28
Evidentemente il transistor è polarizzato male...
cmq hai un pm...
MEMENTO trimmer Humdinger :lol1:
-
Boss
- Diyer Eroe

- Messaggi: 580
- Iscritto il: 10/08/2006, 13:18
- Località: Diy Land
Messaggio
da Boss » 05/01/2007, 16:07
ALL'ARME?? omg..
-
marcasso
- Diyer Esperto

- Messaggi: 254
- Iscritto il: 06/05/2006, 14:31
- Località: Vr
Messaggio
da marcasso » 05/01/2007, 18:28
luix ha scritto:
Evidentemente il transistor è polarizzato male...
ne ho provati una decina, e con tutti ho risolto il problema invertendo i piedini.. boh..