Ciao a tutti

, questo è il mio primo post su questo
forum. Dopo aver costruito un paio di TubeScreamers ho voluto mettermi alla prova con qualcosa di più impegnativo e ho comprato il
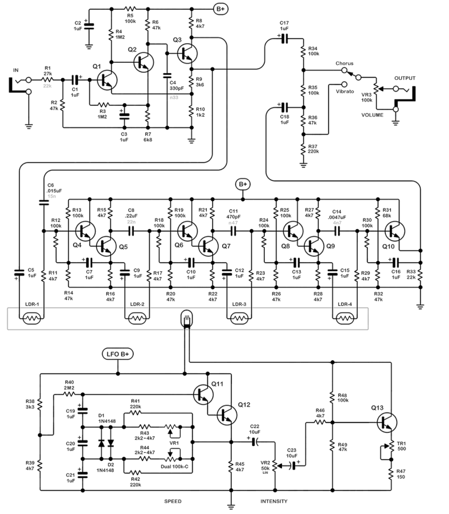
Forum Vibe da Musikding nell'ultima versione FV5. Nonostante sia nuovo alla costruzione di effetti per chitarra, sono piuttosto metodico e quindi il montaggio non mi ha dato problemi. Quando però sono andato a testare il pedale con un alimentatore a 18v ho avuto una brutta sorpresa

: la lampadina, invece di pulsare per bene, si limitava a una semplice iridescenza.
Ho provato quindi a fare un po' di debugging: innanzitutto ho controllato tutti i vari diodi, condensatori e transistor per vedere se per caso avessi invertito qualche polarità; ho attaccato il led su R45 per vedere se l'LFO funzionava e si è messo a pulsare regolarmente. Ho anche collegato chitarra e amplificatore per testare il suono e funzionava bene

, illuminando i sensori con una pila sono riuscito a ottenere la modulazione.
Alla fine mi sono accorto che il transistor q13, quello subito prima della lampadina, era estremamente caldo. Toccando le gambe del transistor con il tester, subito la lampadina si è accesa e la stessa cosa è accaduto sfiorandolo con una resistenza.
Siccome sono agli inizi e ho solo un'infarinatura di elettronica, chiedo aiuto a voi

per cercare una soluzione. Se devo aggiungere informazioni chiedetemi pure!