alimentare forum-vibe
alimentare forum-vibe
Ciao a tt, ho comprato da musikding un forum-vibe kit e un alimentatore ac18v da 2000mA come consigliato. Ora, dopo aver popolato la board (versione FV-5) ho dubbi su come alimentarlo. Avendo un bridge rectifier lascio tt compresi i condensatori o devo eliminarli? Collego direttamente l'alimentazione sulle piazze "power"? Scusate ma non sono un tecnico ma solo un musicista e nn ne capisco molto. Grazie.
- Kagliostro
- Amministratore

- Messaggi: 9956
- Iscritto il: 03/12/2007, 0:16
- Località: Prov. di Treviso
Re: alimentare forum-vibe
Se ho capito correttamente come stanno le cose
Una volta popolata la board con tutti i componenti, colleghi i 18v AC sulla board dove sta scritto PWR
K
Una volta popolata la board con tutti i componenti, colleghi i 18v AC sulla board dove sta scritto PWR
K
Re: alimentare forum-vibe
Confermo.
Re: alimentare forum-vibe
Sull'alimentatore c'è scritto: ac adaptor, output ac18v 2000mA 36W ma se lo misuro col tester mi da 18,05 di corrente continua. Quindi cosa faccio? Tolgo il ponte raddrizzatore? Devo togliere anche tt i condensatori in serie?
Re: alimentare forum-vibe
Provato ad alimentare con il bridge rectifier... non si accende niente e nn funziona niente. Tolto il bridge rectifier e collegato l'alimentazione dopo i pin del bridge... ora sia il led che il bulbo si accendono anche se mi sembra che emetta poca luce... controllato i valori dei 2n5088... sono leggermente piu bassi rispetto a quello che dovrebbero... cosa faccio??? tolgo anche i condensatori/resistenze in linea col bridge rect???
Re: alimentare forum-vibe
Se non ricordo male quella board è fatta per essere alimentata in dc o ac... Come hai fatto va bene se è alimentata in dc. Non rimuovere la parte di filtraggio dell' alimentazione altrimenti diventa rumoroso. La lampada si accende e si spegne?

Re: alimentare forum-vibe
Oggi funzionava tt anche se il bulbo nn faceva tanta luce. Ho provato anche con chitarra... tt ok
Poi improvvisamente l'lfo ha smesso di funzionare e di seguito anche il bulbo... ora tt morto.
Unica cosa che posso notare e' che un transistor diventa caldissimo (q14)... aiutooooooo
Re: alimentare forum-vibe
Ps... si il bulbo oscillava...ora nn piu... cosa puo essere successo???
Re: alimentare forum-vibe
Il fatto che non faccia luce bianca è normale, come il fatto che non si spenga proprio del tutto...ma il bias lo hai regolato? Il fatto che lfo non funzioni più e che q14 scaldi mi sà da transistor andato...
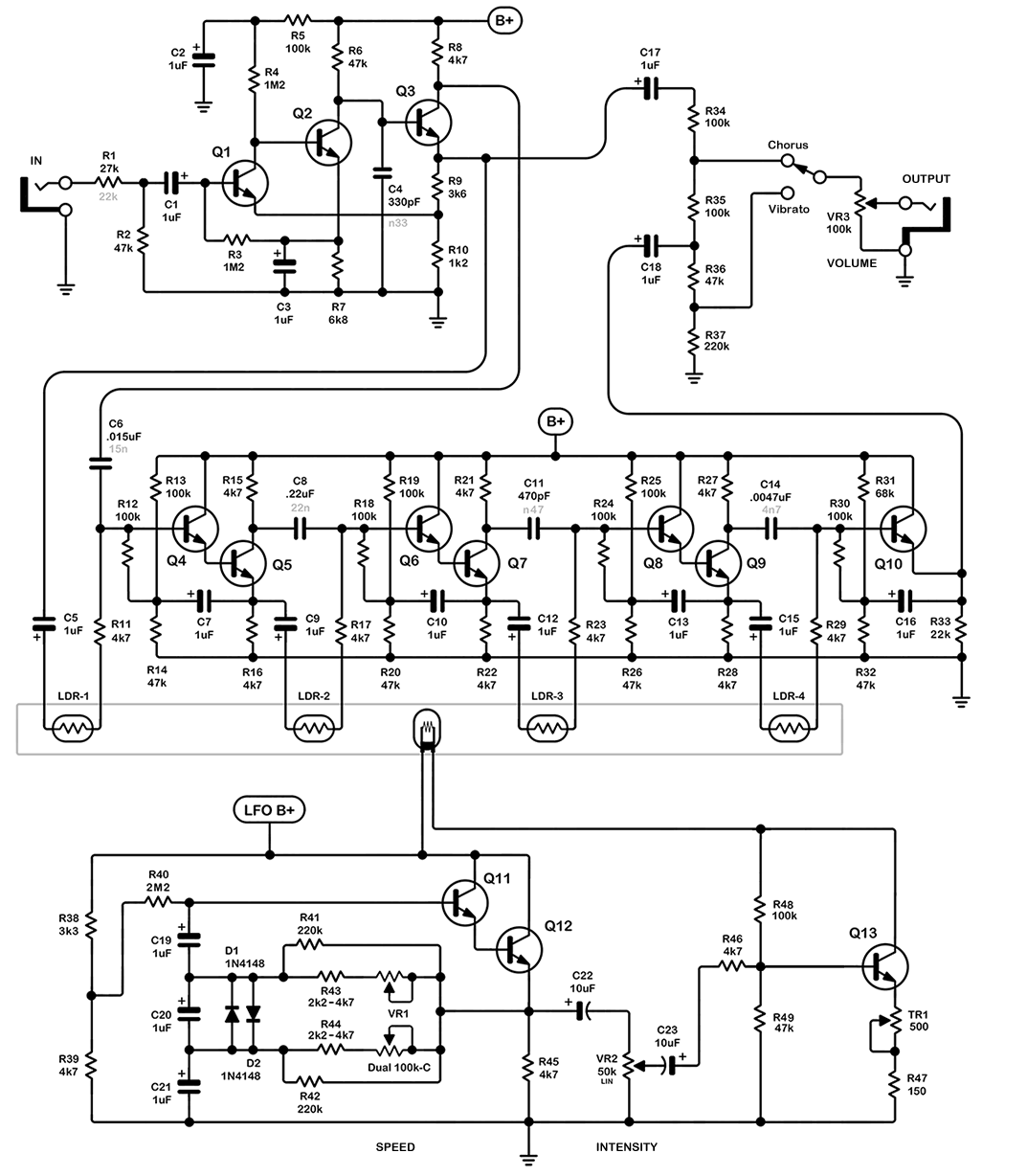
Posta uno schema che a mente è sempre difficile discuterne...

Posta uno schema che a mente è sempre difficile discuterne...
- Kagliostro
- Amministratore

- Messaggi: 9956
- Iscritto il: 03/12/2007, 0:16
- Località: Prov. di Treviso
Re: alimentare forum-vibe
Ciao Da Ros
K
K
Re: alimentare forum-vibe
@mannix ma il q14...sullo schema si è vaporizzato???
C"
Re: alimentare forum-vibe
Ho sostituito i condensatori dell'lfo e transistor che scaldava. Risultato? Nessuno... niente luce del bulbo e niente lfo... cosa faccio???
Re: alimentare forum-vibe
Ciao Ros... In effetti sullo schema il q14 nn esiste... dal forum vibe dicono di usare il transistor su q14 e fare un ponte su q13....
Re: alimentare forum-vibe
Ecco lo schema dal sito forum-vibe
http://www.classicamplification.net/fv/ ... t2n_03.htm
http://www.classicamplification.net/fv/ ... t2n_03.htm

