Sostieni il forum con una donazione! Il tuo contributo ci aiuterà a rimanere online!
Immagine

Big Muff basso gain!!

Problemi con un effetto? Esponili qui!
Rispondi
Barbamiz
Elettrone Impazzito
Elettrone Impazzito
Messaggi: 35
Iscritto il: 16/01/2012, 11:57

Big Muff basso gain!!

Messaggio da Barbamiz » 22/02/2012, 12:51

Ciao ragazzi,

poco fa mi sono cimentato nella costruzione di un Little big muff che funziona benissimo.
Visto la buona riuscita dell LBM mi sono dedicato alla realizzazione di un bBg Muff, prima serie (triangle)...

Ho scelto quest'ultimo tra le tante versioni, proprio perchè esso è dotato di un gran gain, alcuni lo definiscono "indomabile" (=feticisti :face_green: )... Ho preso lo schema allegato qui sotto e l'ho seguito passo passo perfettamente. quando l'ho provato però devo ammettere che lascia un pò a desiderare rispetto all'altro, quindi chiedo a voi come poter farlo incazzare un pò di più (se c'è un modo)...

Il progetto originale prevedeva l'utilizzo di transistor FS36999 (fuori produzione), rimpiazzati oggi dai 2N5133. Dato che questi ultimi non sono riuscito a trovarli, cercando qua e la ho, letto che sono stati utilizzati degli altri transistor per un periodo, che sono i BC209 che per fortuna ho trovato...

Essendo i BC209 degli NPN e gli originali dei PNP, ho invertito la polarità dell'alimentazione e funzionano, il problema è il poco gain... è più di un crunch chiaramente ma non è un big muff...!

Vi posto anche lo schema del little big muff... Che ne dite..?
Allegati
lbgmuff.gif
LITTLE BIG MUFF (FUNZIONA ALLA GRANDE, GAIN QUANTO NE VUOI)
lbgmuff.gif (11 KiB) Visto 6247 volte
Big Muff Triangle .png
BIG MUFF TRIANGLE

Barbamiz
Elettrone Impazzito
Elettrone Impazzito
Messaggi: 35
Iscritto il: 16/01/2012, 11:57

Re: Big Muff basso gain!!

Messaggio da Barbamiz » 22/02/2012, 12:56

Magari sono i transistor, anche se sembrano equivalenti (a detta del venditore e dai forum che ho visitato).

io dispongo dei seguenti transistor alternativi:

BC547B (x10)
BC548C (x4)
BC548B (x11)
BC558c (x9)
BC549b (x4)
2N3904 (x1)

in arrivo forse

BC184
BC549c

Avatar utente
Angus Young
Diyer Eroe
Diyer Eroe
Messaggi: 764
Iscritto il: 26/01/2011, 15:45
Località: Palermo
Contatta:

Re: Big Muff basso gain!!

Messaggio da Angus Young » 22/02/2012, 15:30

Se l'hfe del transistor è basso non suonerà mai come si deve. Probabilmente il problema è li.
Chitarra, jack e un buon ampli valvolare autocostruito. Let There Be Rock!!!

Barbamiz
Elettrone Impazzito
Elettrone Impazzito
Messaggi: 35
Iscritto il: 16/01/2012, 11:57

Re: Big Muff basso gain!!

Messaggio da Barbamiz » 22/02/2012, 15:59

consigli quindi di provare a cambiare i transistor...? BC547/6/8 C...?

Avatar utente
Angus Young
Diyer Eroe
Diyer Eroe
Messaggi: 764
Iscritto il: 26/01/2011, 15:45
Località: Palermo
Contatta:

Re: Big Muff basso gain!!

Messaggio da Angus Young » 22/02/2012, 16:12

I BC209 hanno un hfe min di 200
Già con i BC548C, hfe min di 450, dovresti ottenere una grossa variazione.
Considera che i 2N5133 hanno hfe 800.
Chitarra, jack e un buon ampli valvolare autocostruito. Let There Be Rock!!!

Barbamiz
Elettrone Impazzito
Elettrone Impazzito
Messaggi: 35
Iscritto il: 16/01/2012, 11:57

Re: Big Muff basso gain!!

Messaggio da Barbamiz » 22/02/2012, 16:39

con il little big muff ho usato dei 2n3904 e un bc549b finale. I 2N3904 hanno un hfe min di 100 e max di 300... Con quel circuito ho un gain impressionante: veramente alto...
Ora provo con i bc548c...!

Barbamiz
Elettrone Impazzito
Elettrone Impazzito
Messaggi: 35
Iscritto il: 16/01/2012, 11:57

Re: Big Muff basso gain!!

Messaggio da Barbamiz » 22/02/2012, 19:16

con i bc548c le cose cambiano eccome, grazie, tra un pò ti ricontatto che mi pare di avere un altro problemino,
ciao ciao, grazie...!

Avatar utente
Angus Young
Diyer Eroe
Diyer Eroe
Messaggi: 764
Iscritto il: 26/01/2011, 15:45
Località: Palermo
Contatta:

Re: Big Muff basso gain!!

Messaggio da Angus Young » 22/02/2012, 21:49

Bene. Continua a sperimentare
Chitarra, jack e un buon ampli valvolare autocostruito. Let There Be Rock!!!

Barbamiz
Elettrone Impazzito
Elettrone Impazzito
Messaggi: 35
Iscritto il: 16/01/2012, 11:57

Re: Big Muff basso gain!!

Messaggio da Barbamiz » 24/02/2012, 13:21

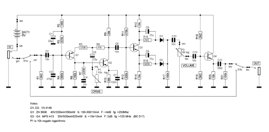
bc548c alla grande... Ora ho un altro schema da affrontare ma ho un piccolo problemino... lo schema (sotto in allegato), prevede al primo stadio di amp. un 2N3906 e ai successivi 3 degli MPSA13 (che io non ho ma ho dei bc517 che sono i diretti equivalenti)...
il problema è che non trovo i 3906, ma ho trovato dei 3904. I primi sono delgi PNP mentre i secondi, sono identici, ma NPN... Come posso adattare lo schema per polarizzare correttamente un l'NPN (2N3904) al posto di un PNP (primo stadio)????
Io ho qualche idea ma gradirei un consiglio esterno...

Grazie mille, a presto... :salu:

PS: Tra l'altro nello schema vengono specificati i transistor ma non il Q3... Si dice: Q1 2N3906 e Q2-Q4 MPS A13.... Secondo te, con Q2-Q4 si intende DA Q2 A Q4...? Io penso di si...!
Allegati
Octavia_Roger Mayer.png
Octavia_Roger Mayer

Barbamiz
Elettrone Impazzito
Elettrone Impazzito
Messaggi: 35
Iscritto il: 16/01/2012, 11:57

Re: Big Muff basso gain!!

Messaggio da Barbamiz » 26/02/2012, 17:25

Ciao,
qualcuno mi da una conferma sul mio ultimo post...?

Un saluto e grazie mille...

evol
Elettrone Impazzito
Elettrone Impazzito
Messaggi: 36
Iscritto il: 22/03/2007, 11:54

Re: Big Muff basso gain!!

Messaggio da evol » 13/03/2012, 1:38

Ciao a tutti, io ho un problema simile perché sto costruendo un BM1 partendo da questa basetta: http://pigeonfx.com/layouts/layoutmuff.html
Sto usando dei transitor NPN BC107B con HFE bassino (250 circa).
Ora montato tutto sembra che non vada nulla, il segnale passa ma non distorce e non funzionano tono e volume. Sembra sia bypassato.
Ho controllato con il tester tutte le resistenze e cambiato d'ufficio tutti i caps.
Avevo il dubbio di non alimentarlo correttamente ma il positivo della batteria l'ho saldato alla base di R13 (12K assieme alla 390k).
Cosa può esserci che non va? HFE troppo basso? Sto seguendo il progetto di un PNP usando degli NPN?
:muro:

evol
Elettrone Impazzito
Elettrone Impazzito
Messaggi: 36
Iscritto il: 22/03/2007, 11:54

Re: Big Muff basso gain!!

Messaggio da evol » 13/03/2012, 9:37

Rettifico: il circuito è chiaramente NPN. Ieri notte ho fatto dei test e ho trovato che uno dei 4 transistor non riceve alimentazione. Si tratta di quello in basso a sinistra http://www.pigeonfx.com/layouts/layoutmuff.html per intenderci con l'emettitore con la resistenza da 100 ohm.
Ora, dicevo che avevo testato tutte le resistenze e cambiato i caps. Tutti tranne quello da .004 e quello subito dopo il ponte diodi da .05
Secondo voi? Può essere uno di questi due andati? O è la resistenza da 8K2 andata? Strano perché mi sembrava fosse funzionante... aiuto... :ohhh:

Rispondi