Sostieni il forum con una donazione! Il tuo contributo ci aiuterà a rimanere online!
Immagine

Help DIY Wampler Plexi Drive, ovviamente MUTO! XD

Problemi con un effetto? Esponili qui!
fede.90k
Neutrino
Neutrino
Messaggi: 22
Iscritto il: 12/06/2011, 15:22

Re: Help DIY Wampler Plexi Drive, ovviamente MUTO! XD

Messaggio da fede.90k » 07/01/2013, 23:45

Wow grazie mille! :ok_1:
Ora il segnale arriva fino all'ultimo fet, esce sia dal gate che dal source, ma non dal drain, potrebbe essere che ho bruciato di nuovo la 10r?
Con il tester pare che misuri bene la resistenza, comunque grazie mille Raf sono vicinissimo alla conclusione :)

fede.90k
Neutrino
Neutrino
Messaggi: 22
Iscritto il: 12/06/2011, 15:22

Re: Help DIY Wampler Plexi Drive, ovviamente MUTO! XD

Messaggio da fede.90k » 08/01/2013, 0:02

TUTTO OK! :ok_1: :lol1:
Era solo questione di regolazione trimmer!!! :mart:
Domani proverò a fondo il pedale sperando che sia tutto ok cosi si può dichiarare risolto il topic!
Grazie mille ragazzi senza di voi non ce l'avrei mai fatta :)

fede.90k
Neutrino
Neutrino
Messaggi: 22
Iscritto il: 12/06/2011, 15:22

Re: Help DIY Wampler Plexi Drive, ovviamente MUTO! XD

Messaggio da fede.90k » 12/01/2013, 14:41

Ok, ho settato il bias a 4,5 ed il pedale è pauroso!
Però adesso c'è un problema, il pedale usato da solo è ok, ma messo in pedaliera, quando lo attivo fa un rumore di fondo che a volte supera il volume della chitarra, visto che sono scemo ho visto anche che è una nota sol! :face_green:

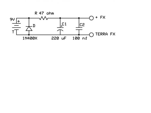
Stavo leggendo qui come implementare un filtro di alimentazione : http://www.fennecelectronics.it/smf/ind ... pic=6542.0

Lo schema del filtro lo metto in allegato insieme allo schema del pedale.

Solo che guardando il layout del plexi drive, vedo che ci sono già un diodo ed un elettrolitico all'ingresso dei nove volt, quindi potrei anche non risolvere niente?

In che modo secondo voi posso implementare questo filtro, sperando di risolvere il problema di ronzio?

Ovviamente il prima possibile devo comprare un One Spot.

Intanto ringrazio Raf perché senza di lui il mio pedale non sarebbe mai nato! :)
Allegati
Filtro di Alimentazione.jpg
Schema filtro di alimentazione
Wampler Plexi-Drive - modified.png
Layout Plexi Drive

alexradium
Diyer Eroe
Diyer Eroe
Messaggi: 777
Iscritto il: 07/06/2011, 14:18

Re: Help DIY Wampler Plexi Drive, ovviamente MUTO! XD

Messaggio da alexradium » 12/01/2013, 15:38

il filtro gia c'è sul pedale,che di per sè è silenziosissimo,avrai altri problemi.
lascia perdere 1spot se cerchi meno rumore,meglio un Godlyke,oppure te lo costruisci,progetti c'è n'è una valanga.

fede.90k
Neutrino
Neutrino
Messaggi: 22
Iscritto il: 12/06/2011, 15:22

Re: Help DIY Wampler Plexi Drive, ovviamente MUTO! XD

Messaggio da fede.90k » 12/01/2013, 16:06

Ciao Alex, forse mi sono spiegato male, il rumore di fondo ovviamente aumenta quando alzo il volume del pedale, e credo sia normale avere un po' di rumore di fondo con un overdrive, il problema è che il rumore si sente quasi più forte dell'effetto stesso!

alexradium
Diyer Eroe
Diyer Eroe
Messaggi: 777
Iscritto il: 07/06/2011, 14:18

Re: Help DIY Wampler Plexi Drive, ovviamente MUTO! XD

Messaggio da alexradium » 12/01/2013, 16:34

ovviamente alzando il gain e il volume tutto si amplifica,suono e rumori vari.
io ne ho fatti 2 di questi senza curare granchè la fattura e sono venuti perfetti e senza alcun rumore di fondo,che comunque in rapporto al segnale di uscita è molto basso.
naturalmente ho usato pcb fatte da me.

fede.90k
Neutrino
Neutrino
Messaggi: 22
Iscritto il: 12/06/2011, 15:22

Re: Help DIY Wampler Plexi Drive, ovviamente MUTO! XD

Messaggio da fede.90k » 15/01/2013, 23:54

Potrebbe essere il led bruciato che non ho ancora sostituito a recarmi quel rumore di fondo?

fede.90k
Neutrino
Neutrino
Messaggi: 22
Iscritto il: 12/06/2011, 15:22

Re: Help DIY Wampler Plexi Drive, ovviamente MUTO! XD

Messaggio da fede.90k » 16/01/2013, 18:10

Help please il suono mi piace moltissimo ma non posso usare il pedale a causa di questo maledetto rumore di fondo :pasc:

Avatar utente
raf71
Diyer Eroe
Diyer Eroe
Messaggi: 988
Iscritto il: 12/08/2010, 17:24
Località: Pozzuoli (NA)

Re: Help DIY Wampler Plexi Drive, ovviamente MUTO! XD

Messaggio da raf71 » 16/01/2013, 18:24

il led puoi anche levarlo...
se hai lasciato i trimmer così come li hai collegati in figura potrebbero pescare rumore. Dopo che hai fatto il setting di questi ultimi, ti conviene dissaldarli e misurarne la resistenza, così da metterne una classica. Forse così risolvi.
Con l'audio probe, inoltre, potresti anche individuare dove viene generato il rumore.
Saluti
Raffaele.
Napoletani si nasce.....

Avatar utente
raf71
Diyer Eroe
Diyer Eroe
Messaggi: 988
Iscritto il: 12/08/2010, 17:24
Località: Pozzuoli (NA)

Re: Help DIY Wampler Plexi Drive, ovviamente MUTO! XD

Messaggio da raf71 » 16/01/2013, 18:28

Scusami un attimo...il problema si presenta quando è nella pedaliera....hai provato ad alimentarlo a pila in quella condizione?
Napoletani si nasce.....

fede.90k
Neutrino
Neutrino
Messaggi: 22
Iscritto il: 12/06/2011, 15:22

Re: Help DIY Wampler Plexi Drive, ovviamente MUTO! XD

Messaggio da fede.90k » 16/01/2013, 23:13

Beh in effetti con la batteria il rumore si riduce di molto, se ne deduce che l'alimentatore che uso è una ciofeca giusto?
Ma sto one spot è buono o no? Non tutti ne parlano bene non so se prenderlo o buttarmi su altro.
Poi, procederò a sotituire i trimmer con la resistenza equivalente al settaggio di ogni trimmer. Con l'audio probe non so se riuscirei a sentire dove si genera il rumore, diciamo che la qualità che esce dalle casse del pc non è molto alta ma proverò anche questa soluzione!

Grazie mille di nuovo raf! :salu: :pardon1:

Avatar utente
raf71
Diyer Eroe
Diyer Eroe
Messaggi: 988
Iscritto il: 12/08/2010, 17:24
Località: Pozzuoli (NA)

Re: Help DIY Wampler Plexi Drive, ovviamente MUTO! XD

Messaggio da raf71 » 17/01/2013, 11:07

il....lo....ma che articolo si usa?... one spot è un alimentatore switching.... :hummm_1: non lo sapevo :face_green:
se lo usano altri senza problemi....io personalmente preferisco quelli a trasformatore, sono sempre riuscito a stabilizzarli levando il selettore sella tensione e ficcandoci dentro un 7809 con tanto di condensatori
Napoletani si nasce.....

Rispondi